- Partiron
- OEM Parts
- Polaris
- ATV
- 2002
- XPEDITION 325 - A02CK32AA
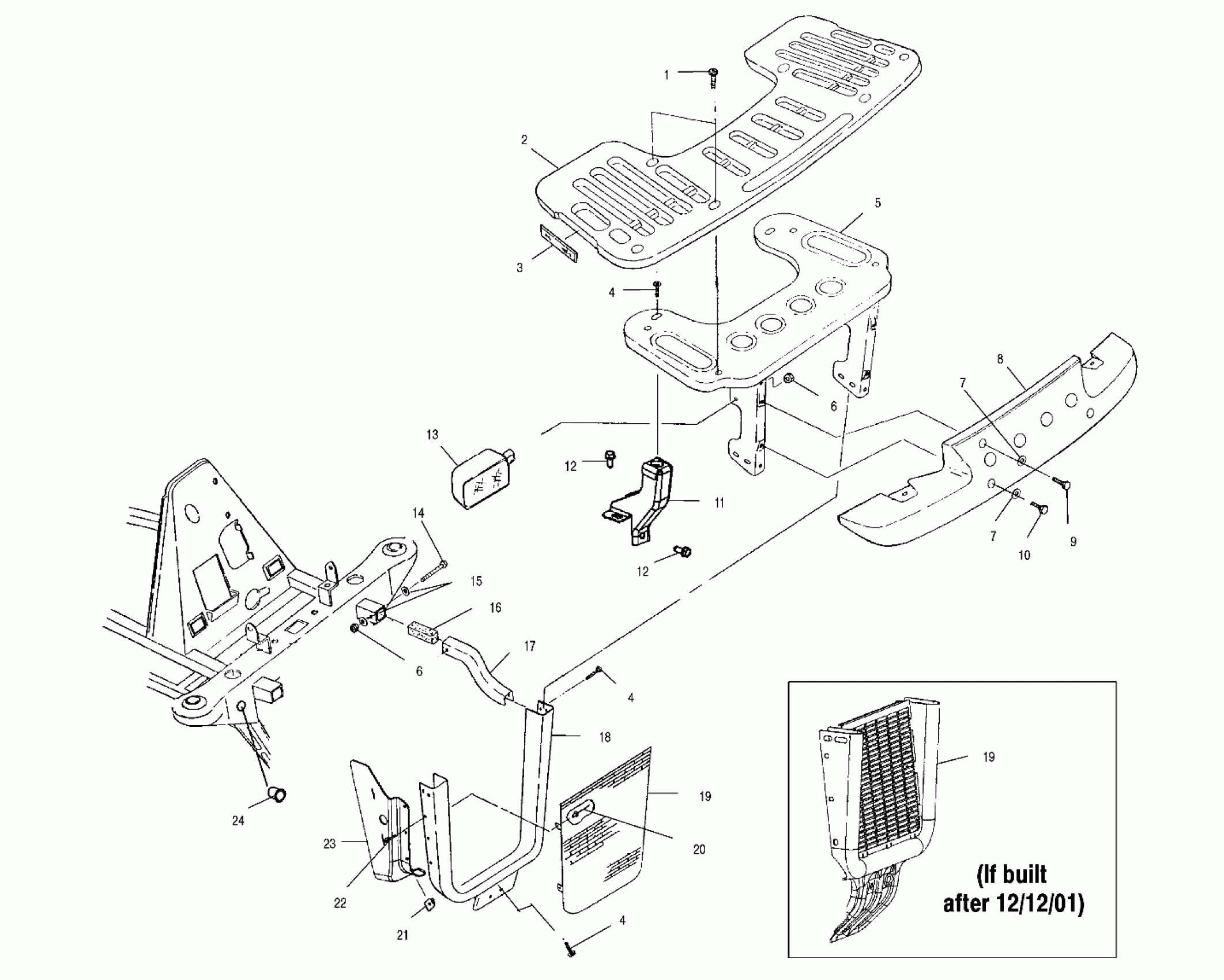
FRONT RACK and BUMPER MOUNTING - A02CK32AA (4970287028A07)
Polaris XPEDITION 325 - A02CK32AA FRONT RACK and BUMPER MOUNTING - A02CK32AA (4970287028A07) Diagram
#
Description
Price
2
Asm., Front Rack [Incl. Ref. 3 and Warning Decal]
2670180-070
Unavailable
5
Kit, Front Rack Mount
2200775
Unavailable
10
Screw
7515390
Unavailable
13
BULB, 30 W, Headlamp
4030061
Unavailable
13
Headlight, LH
2431011
Unavailable
13
Headlight, RH
2431012
Unavailable
16
PLUG, FRAME
5810467
Unavailable
18
Guard, Brush
5244731-067
Unavailable
19
Grill, Brush Guard (If built after 12/12/01)
1013772-067
Unavailable
19
Grill, Brush Guard (If built after 12/12/01)
1013772-067
Unavailable
