- Partiron
- OEM Parts
- Sea-doo
- Watercraft
- 2000
- XP
- XP, 5651/5655, 2000
Oil Injection System
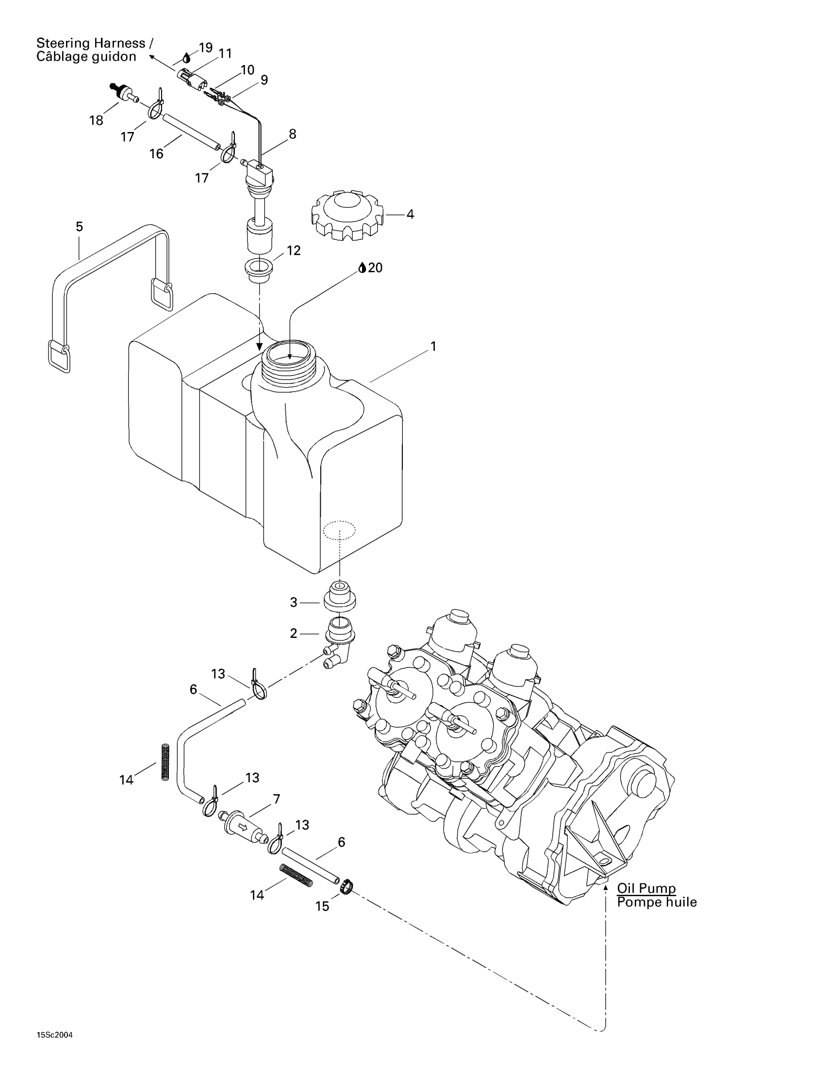
Sea-doo XP, 5651/5655, 2000 Oil Injection System Diagram
#
Description
Price
1
Oil Tank
275000210
Unavailable
2
Elbow Fitting 90°
293710070
Unavailable
7
OIL FILTER - Call your local BRP dealership
275000051
Unavailable
8
Oil Sensor | Includes 44 to 48
278001402
Unavailable
14
Spring
270000377
Unavailable
16
HOSE-6MM. 5000MM LONG - Call your local BRP dealership
219704396
Unavailable
OIL 2T CARB PREM. MINERAL 55 GAL/205L This part replaces 413803200.
779123
Unavailable
SYNTHETIC INJECTION OIL, 12 X 1 LITER - Call your local BRP dealership
413710500
Unavailable
OIL 2T 3X1G SYNTH - Call your local BRP dealership This part replaces 293600046.
293600133
Unavailable
OIL 2T E-TEC SYNTHETIC 55 GAL/205L This part replaces 293600047.
779130
Unavailable
