Partiron

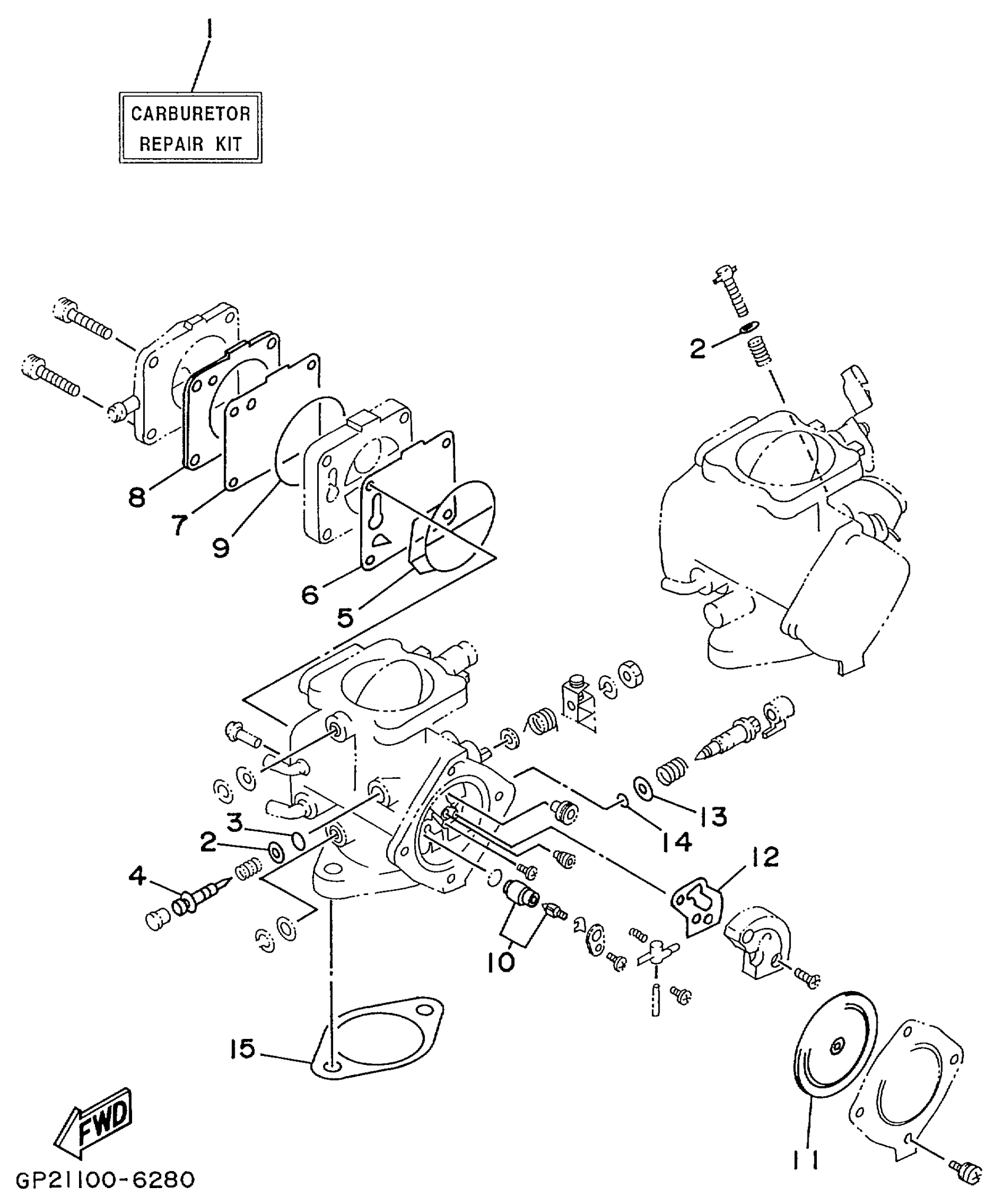
Yamaha XL760X (WAVE RUNNER XL760) GU25 1999 REPAIR KIT 2 Diagram

#

Description
Price

1

CARBURETOR REPAIR KIT

64X-W0093-00-00

Unavailable

2

WASHER,NEEDLE

812-14235-00-00

Unavailable

3

. O-RING

6K8-14562-00-00

Unavailable

4

. PLATE, NEEDLE FITTING

6K8-14946-10-00

Unavailable

5

. O-RING

6K8-14564-00-00

Unavailable

6

. DIAPHRAGM

6K8-24411-20-00

Unavailable

7

. VALVE, CHECK

6K8-24421-10-00

Unavailable

8

. GASKET, FUEL PUMP 1

6K8-24431-20-00

Unavailable

9

. O-RING

6K8-14563-00-00

Unavailable

10

NEEDLE

61X-14916-16-00

Unavailable

11

. DIAPHRAGM, PUMP

6R7-14541-00-00

Unavailable

12

. GASKET

6K8-14536-11-00

Unavailable

13

WASHER, NEEDLE

822-14235-00-00

$4.37

14

O-RING

583-14561-00-00

$5.49

15

GASKET

64X-14398-00-00

Unavailable