- Partiron
- OEM Parts
- Yamaha
- snowmobile
- 1990
- XL540P (XL-V) 1990
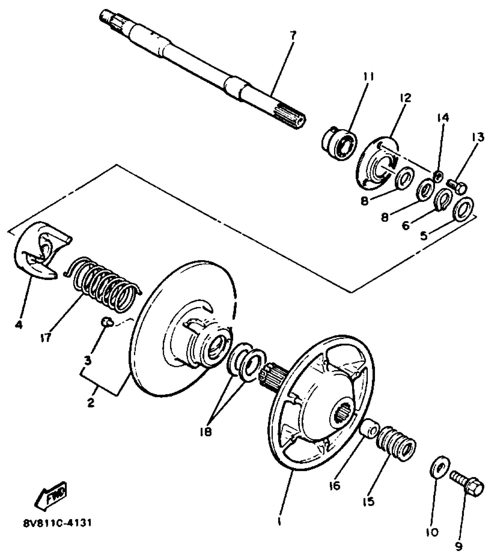
SECONDARY SHEAVE
Yamaha XL540P (XL-V) 1990 SECONDARY SHEAVE Diagram
#
Description
Price
1
SECONDARY FIXED SHEAVE COMP.
89N-17660-00-00
Unavailable
2
SEC.SLIDING SHEAVE
80R-17670-01-00
Unavailable
4
SEAT, SEC SPRING
8U7-17684-01-00
Unavailable
5
WASHER, PLATE
90201-34684-00
Unavailable
6
CIRCLIP (93410-33032)
93440-33032-00
Unavailable
7
SHAFT, SECONDARY
82M-17681-00-00
Unavailable
9
BOLT, WASHER BASED
90105-14175-00
Unavailable
10
WASHER, PLATE
90201-140A6-00
Unavailable
11
BEARING
888-17678-00-00
Unavailable
12
HOUSING, BEARING
8K4-47631-01-00
Unavailable
14
YBS67-8 WASHER, SPRING
92990-08100-00
Unavailable
15
WASHER, PLATE (T=0.5)
90201-222F0-00
Unavailable
15
WASHER, PLATE (8L8)
90201-225A4-00
Unavailable
16
COLLAR
90387-147A8-00
Unavailable
17
SPRING, TORSION (8U7)
90508-50571-00
Unavailable
18
WASHER, PLATE (8U9)
90201-345G2-00
Unavailable
