- Partiron
- OEM Parts
- Yamaha
- snowmobile
- 1988
- XL540M (XLV) 1988
STERRING
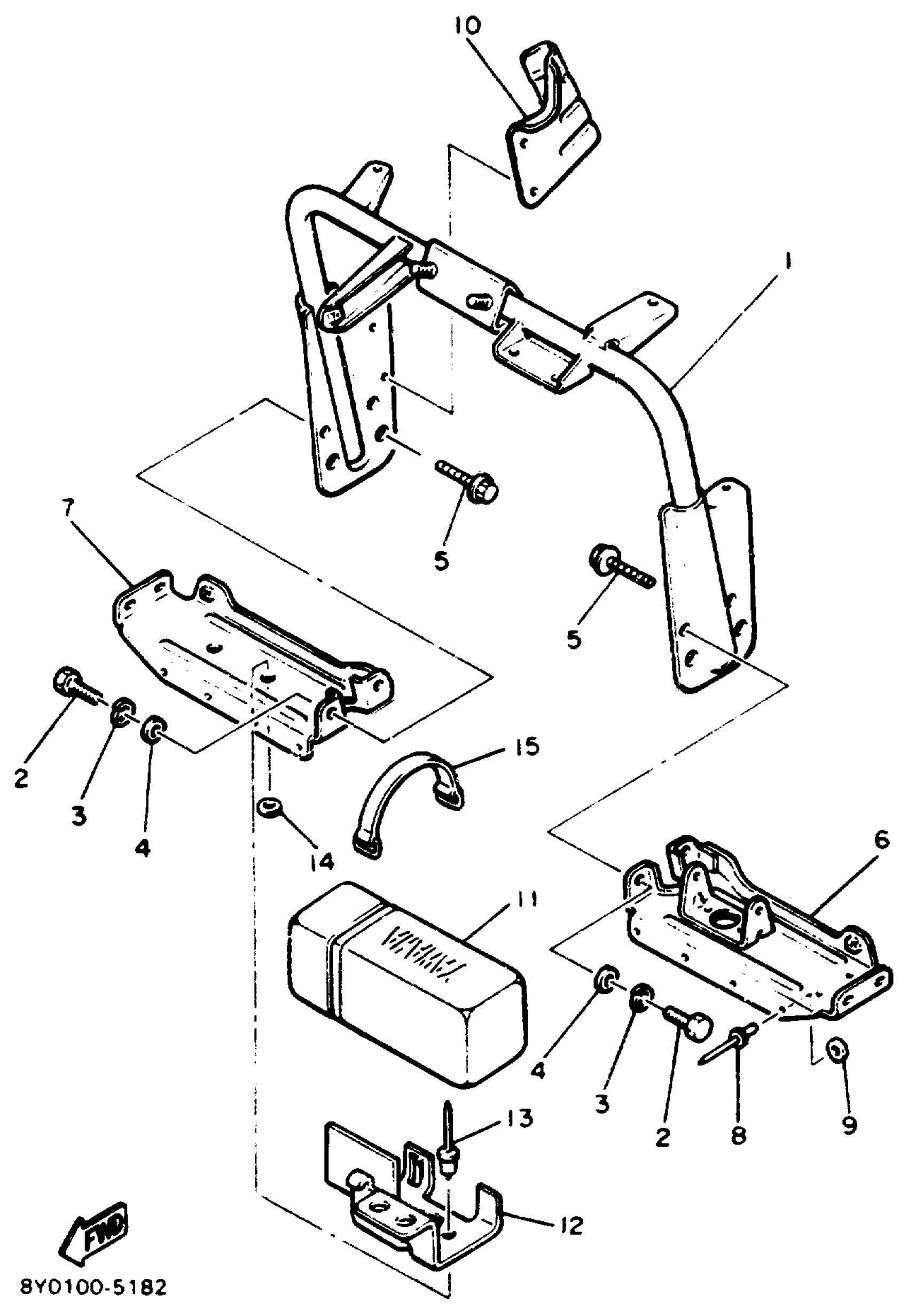
Yamaha XL540M (XLV) 1988 STERRING Diagram
#
Description
Price
1
GATE, STEERING
8K4-23871-00-00
Unavailable
3
WASHER, SPRING
92995-06100-00
Unavailable
6
BRACKET 3
8K4-23883-00-00
Unavailable
7
BRACKET 4
8L8-23884-00-00
Unavailable
10
BRACKET 6
8K4-23886-00-00
Unavailable
11
TOOL KIT (8V9-28100-00)
8U9-28100-00-00
Unavailable
12
BRACKET, TL BX FTNG (8N8-21945-01)
8U5-21945-00-00
Unavailable
