- Partiron
- OEM Parts
- Yamaha
- snowmobile
- 1988
- XL540M (XLV) 1988
ELECTRICAL 1
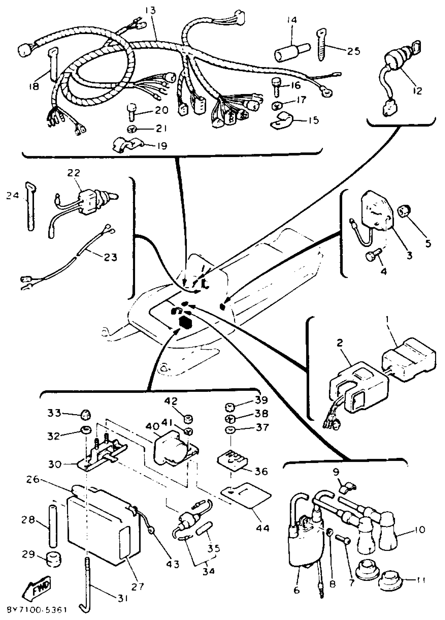
Yamaha XL540M (XLV) 1988 ELECTRICAL 1 Diagram
#
1
C.D.I. UNIT ASSEMBLY
8V0-85540-21-00
Unavailable
2
BAND
2A7-85546-00-00
Unavailable
3
VOLTAGE REGULATOR ASSY
82M-81910-A0-00
Unavailable
6
IGNITION COIL ASY
8E7-82310-09-00
Unavailable
8
WASHER, SPRING
92995-06100-00
Unavailable
9
CLAMP, CORD
861-82361-00-00
Unavailable
12
MAIN SWITCH ASSY
8K1-82510-21-00
Unavailable
13
WIRE HARNESS ASS''Y
83W-82590-20-00
Unavailable
14
COVER, CONNECTER
8Y0-82599-00-00
Unavailable
15
CLAMP
90465-08028-00
Unavailable
16
BOLT (661)
97013-06012-00
Unavailable
17
WASHER, SPRING
92995-06100-00
Unavailable
18
BAND
341-26397-01-00
Unavailable
19
CLAMP
90462-06079-00
Unavailable
20
BOLT (661)
97013-06012-00
Unavailable
21
WASHER, SPRING
92995-06100-00
Unavailable
22
SWITCH
82J-82917-00-00
Unavailable
23
WIRE, SUB-LEAD
80X-82318-00-00
Unavailable
24
BAND, SWITCH CORD
437-83936-01-00
Unavailable
25
BAND
341-26397-01-00
Unavailable
26
YB16ALA2 YUASA BATTERY
YB1-6ALA2-00-00
Unavailable
27
LABEL, BATTERY
40A-82141-G0-00
Unavailable
28
HOSE (L1500)
90445-084J0-00
Unavailable
29
GROMMET (461)
90480-12067-00
Unavailable
30
PLATE, BATT FITTING
8Y7-82136-00-00
Unavailable
31
SCREW, FITTING
8Y7-82133-00-00
Unavailable
32
WASHER, PLAIN (646)
92990-06600-00
Unavailable
34
FUSE HOLDER ASSEMBLY
2J2-82150-10-00
Unavailable
35
FUSE
682-82151-02-00
Unavailable
36
RECTIFIER ASSY (RXKING,RXS)
3HB-H1970-01-00
Unavailable
37
WASHER, PLATE 8221447500
90201-06057-00
Unavailable
38
WASHER, SPRING
92995-06100-00
Unavailable
39
NUT, HEXAGON
95380-06600-00
Unavailable
40
. STARTER RELAY ASSY
8J9-81940-10-00
Unavailable
41
WASHER, SPRING
92995-06100-00
Unavailable
42
NUT, HEXAGON
95380-06600-00
Unavailable
43
WIRE PLUS LEAD
84N-82115-00-00
Unavailable
44
COVER, BATTERY
8Y7-82129-00-00
Unavailable
