- Partiron
- OEM Parts
- Yamaha
- snowmobile
- 1986
- XL540K (XLV) 1986
GENERATOR
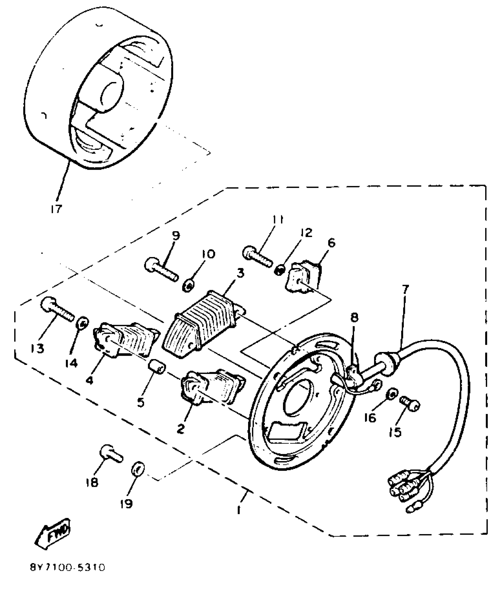
Yamaha XL540K (XLV) 1986 GENERATOR Diagram
#
Description
Price
1
STATOR ASSEMBLY
88F-85510-00-00
Unavailable
2
. COIL, SOURCE (8T0-85511-20)
86M-85511-00-00
Unavailable
3
. COIL, LIGHTING 1
8H8-85513-20-00
Unavailable
4
. COIL, LIGHTING 2 (8V0-85514-20)
82M-85514-20-00
Unavailable
5
. SPACER
8T0-85519-20-00
Unavailable
6
. COIL, PULSER (8N5-85580-20)
82M-85580-20-00
Unavailable
7
. LEAD WIRE ASSEMBLY (8V0-85515-20)
8W0-85515-20-00
Unavailable
8
CLAMP, READ
445-81328-20-00
Unavailable
17
. ROTOR ASSEMBLY (8K1-85550-20)
8J9-85550-20-00
Unavailable
18
SCREW, BIND (705)
98980-06016-00
Unavailable
19
WASHER, PLATE 6261117600
90201-06043-00
Unavailable
