- Partiron
- OEM Parts
- Yamaha
- snowmobile
- 1985
- XL540J (XL-V) 1985
TRACK SUSPENSION 2
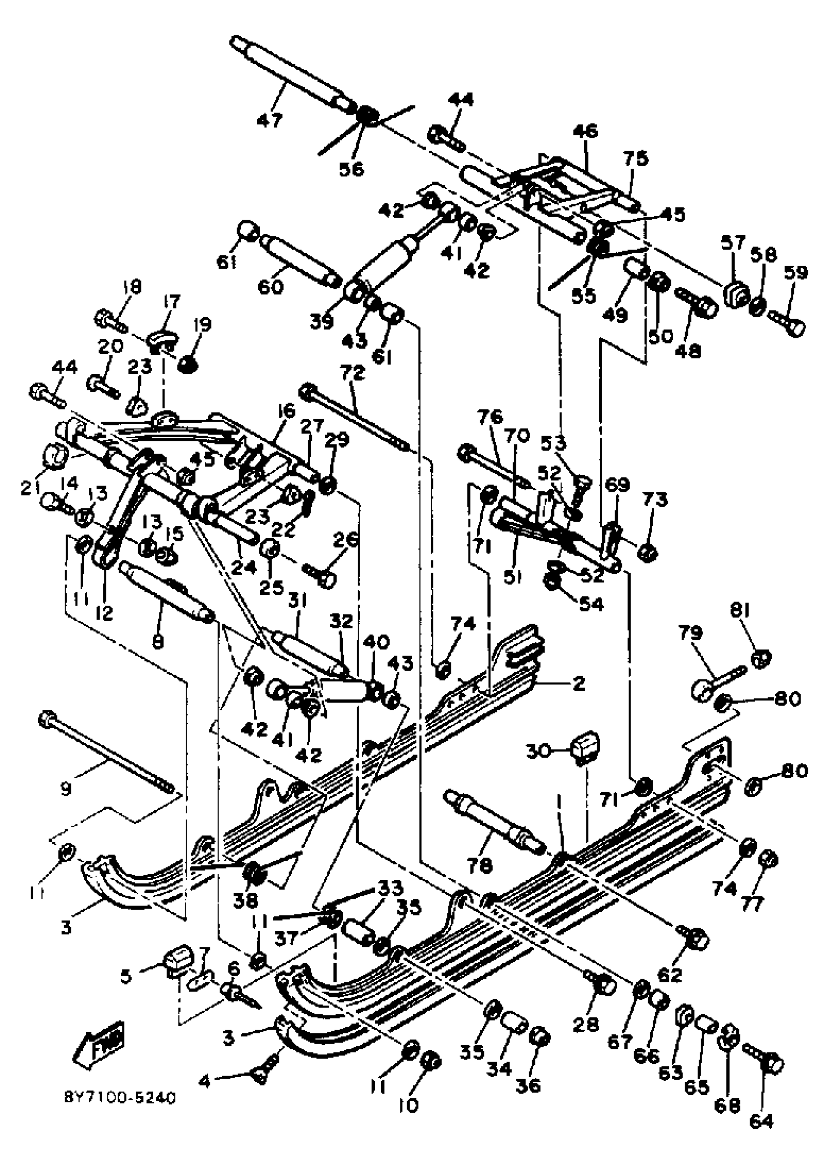
Yamaha XL540J (XL-V) 1985 TRACK SUSPENSION 2 Diagram
#
1
FRAME, SLIDING 1
8Y7-47411-00-00
Unavailable
2
FRAME, SLIDING 2
8Y7-47412-00-00
Unavailable
3
RUNNER, SLIDING
8Y7-47421-00-XX
Unavailable
5
DAMPER 1
8V0-47456-00-00
Unavailable
8
BRACKET 1
8V0-47415-00-00
Unavailable
9
BOLT,HEXAGON
97027-08255-00
Unavailable
11
.. WASHER, PLATE
92990-08600-00
Unavailable
12
STOPPER 1
8V0-47495-00-00
Unavailable
16
ARM, PIVOT 1
85L-47331-00-00
Unavailable
17
RUNNER, SLIDING 2
8F3-47422-01-00
Unavailable
20
PIN, CLEVIS (90240-12107-00)
90240-12136-00
Unavailable
21
HOOK 2
8V0-47447-01-00
Unavailable
22
PIN, COTTER
91490-30030-00
Unavailable
23
HOOK 3
8V0-47448-00-00
Unavailable
24
SHAFT 1
8A5-47465-02-00
Unavailable
25
SPACER
8U7-47341-00-00
Unavailable
26
BOLT (8V0)
90109-10771-00
Unavailable
27
SHAFT 3
8K2-47485-00-00
Unavailable
28
BOLT, FLANGE
95817-10030-00
Unavailable
29
COLLAR (8U7)
90387-105G6-00
Unavailable
30
DAMPER 1
8V0-47456-00-00
Unavailable
31
COLLAR
90387-160M7-00
Unavailable
32
UNAVAILABLE IN PRICE BOOK
(SEE-NOTE--)
Unavailable
33
COLLAR
8V0-47319-00-00
Unavailable
34
COLLAR
90387-166M8-00
Unavailable
35
WASHER, PLATE
90201-161E5-00
Unavailable
36
COLLAR
90387-166J0-00
Unavailable
37
SPRING, TORSION
90508-75651-00
Unavailable
38
SPRING, TORSION
90508-75652-00
Unavailable
39
SHOCK ABSORBER
80L-47480-00-00
Unavailable
40
SHOCK ABSORBER 2
80L-47481-00-00
Unavailable
41
COLLAR
90387-084J8-00
Unavailable
42
COLLAR (8U7)
90387-123G4-00
Unavailable
43
BUSH, PIVOT
8V0-47371-00-00
Unavailable
44
BOLT
97013-08045-00
Unavailable
46
ARM, PIVOT 2
8V0-47332-00-00
Unavailable
47
SHAFT 2
8K2-47475-00-00
Unavailable
48
BOLT (8V0)
90109-10771-00
Unavailable
49
COLLAR 1
8V0-47365-00-00
Unavailable
50
WASHER
8V0-47384-00-00
Unavailable
51
STOPPER 2
8V0-47496-00-00
Unavailable
55
SPRING, REAR, 1
8Y7-47473-00-00
Unavailable
56
SPRING,REAR.2
8Y7-47474-00-00
Unavailable
57
HOOK 1
86S-47446-01-00
Unavailable
58
WASHER, PLATE 8221447500
90201-06057-00
Unavailable
59
BOLT, HEXAGON DEEP RECESS
97D95-06016-00
Unavailable
60
SHAFT 4
8V0-47486-00-00
Unavailable
61
COLLAR
8V0-47338-00-00
Unavailable
62
BOLT, FLANGE(4LN)
95817-08025-00
Unavailable
63
HOOK 2
890-47447-00-00
Unavailable
64
BOLT, FLANGE
95817-08055-00
Unavailable
65
COLLAR (878)
90387-08262-00
Unavailable
66
COLLAR
90387-12105-00
Unavailable
67
.. WASHER, PLATE
92990-08600-00
Unavailable
68
PLATE, GUIDE
8V0-47467-00-00
Unavailable
69
BRACKET 3
8V0-47417-00-00
Unavailable
70
COLLAR
90387-08632-00
Unavailable
71
WASHER (1T1)
90201-08649-00
Unavailable
72
BOLT,HEXAGON
97027-08255-00
Unavailable
74
.. WASHER, PLATE
92990-08600-00
Unavailable
75
COLLAR
90387-084J9-00
Unavailable
76
BOLT,HEXAGON
97027-08165-00
Unavailable
78
SHAFT 6
8V0-47488-00-00
Unavailable
79
COLLAR 3
8K2-47479-01-00
Unavailable
80
WASHER, PLATE (888)
90201-20279-00
Unavailable
81
NUT, NYLON
95707-10300-00
Unavailable
