- Partiron
- OEM Parts
- Yamaha
- snowmobile
- 1985
- XL540J (XL-V) 1985
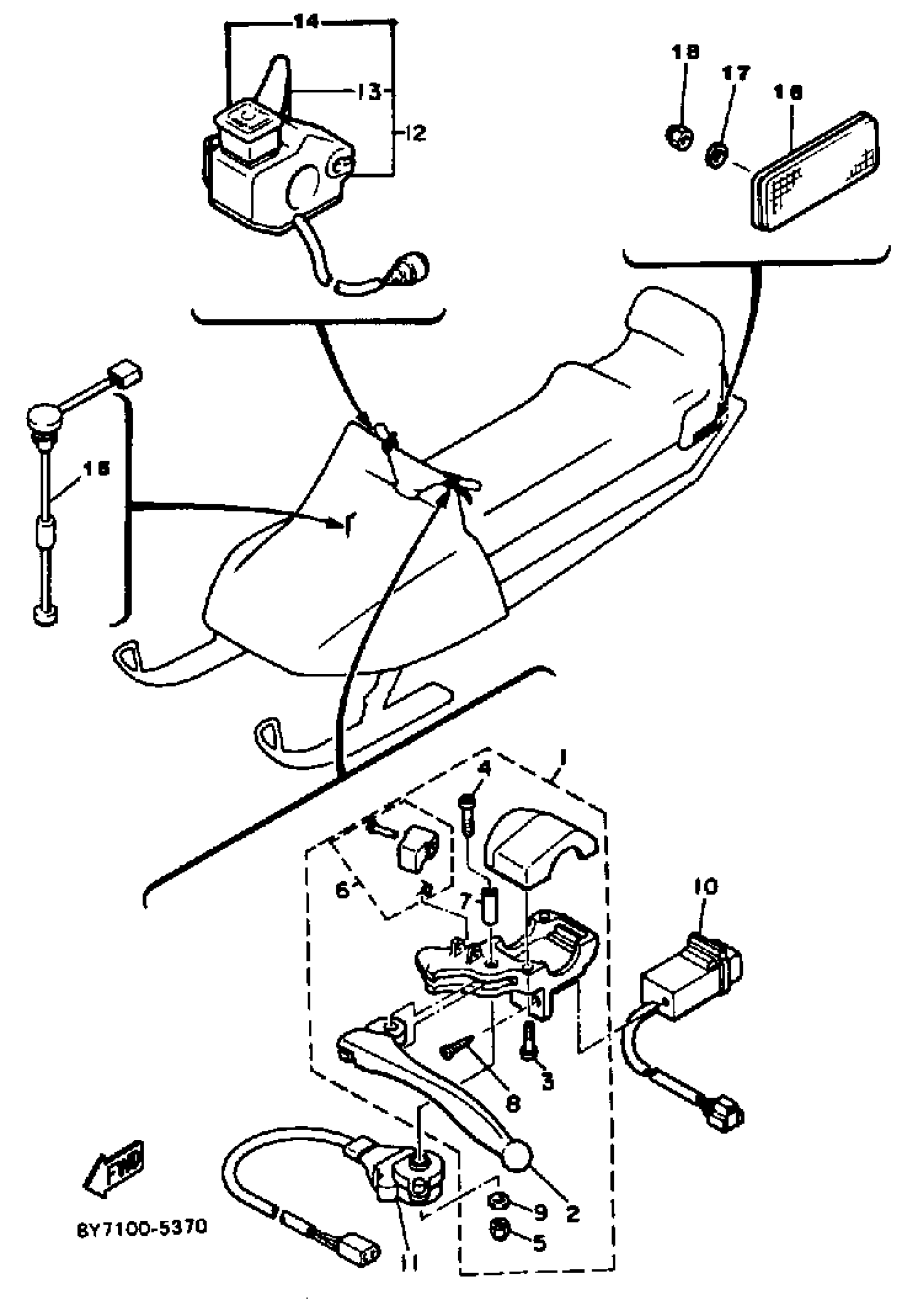
ELECTRICAL 2
Yamaha XL540J (XL-V) 1985 ELECTRICAL 2 Diagram
#
Description
Price
3
SCREW, PAN HEAD(41N)
90157-05057-00
Unavailable
6
. LEVER LOCK ASSEMBLY (8K4-83930-00-00)
82A-83930-00-00
Unavailable
7
COLLAR, LEVER
802-83913-00-00
Unavailable
8
. SCREW, TAPPING
97780-30312-00
Unavailable
9
. WASHER, PLAIN
92990-05200-00
Unavailable
12
LEVER HOLDER ASSEMBLY (RIGHT)
84R-82720-00-00
Unavailable
14
EMERGENCY SAFETYSW
82K-82575-09-00
Unavailable
15
OIL LEVEL GAUGE ASSY
4HV-85720-03-00
Unavailable
16
REAR REFLECTOR ASSY
1FK-85130-00-00
Unavailable
17
. WASHER, PLAIN
92990-05200-00
Unavailable
