- Partiron
- OEM Parts
- Yamaha
- snowmobile
- 1985
- XL540J (XL-V) 1985
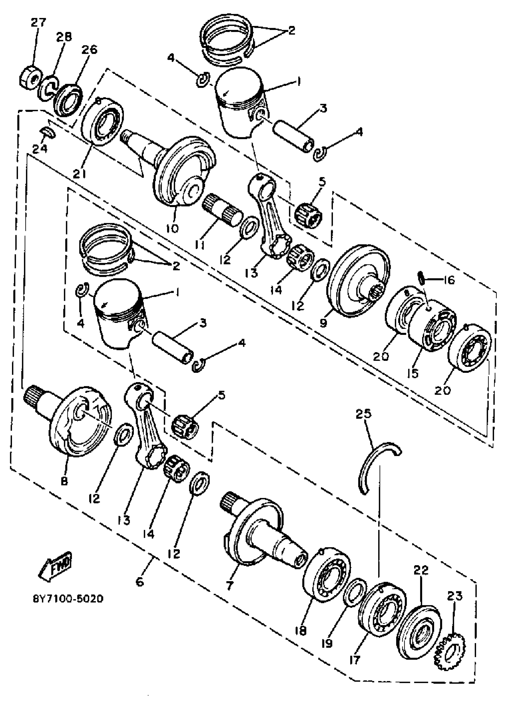
CRANKSHAFT - PISTON
Yamaha XL540J (XL-V) 1985 CRANKSHAFT - PISTON Diagram
#
Description
Price
1
PISTON (2ND 0/S 0.50MM)
8R6-11636-00-00
Unavailable
6
CRANKSHAFT ASSEMBLY
8L0-11400-03-00
Unavailable
7
. CRANK 1
8L0-11412-02-00
Unavailable
8
CRANK 2
8H8-11422-01-00
Unavailable
9
CRANK 3
8H8-11432-01-00
Unavailable
10
. CRANK 4
8H8-11442-00-00
Unavailable
11
. PIN, CRANK 1
8H8-11681-00-00
Unavailable
13
ROD, CONNECTING
8R6-11651-00-00
Unavailable
14
BRG,CYL-CAL ROLLER (8R6)
93310-524K4-00
Unavailable
15
SEAL, LABYRINTH 1
8H8-11515-00-00
Unavailable
16
PIN, SPRING (663)
91690-30010-00
Unavailable
17
BEARING (8R6)
93306-30625-00
Unavailable
18
BEARING (8R6)
93306-30625-00
Unavailable
19
WASHER (8H0)
90201-34683-00
Unavailable
20
BEARING (8G8)
93306-20617-00
Unavailable
21
BEARING (8G8)
93306-20617-00
Unavailable
22
OIL SEAL (878).
93103-32095-00
Unavailable
23
GEAR, PUMP DRIVE
8K2-13178-00-00
Unavailable
24
KEY, WOOD RUFF (324)
90280-05014-00
Unavailable
25
CIRCLIP (8H8)
93440-78069-00
Unavailable
26
OIL SEAL(83R)
93103-32156-00
Unavailable
27
NUT
90170-16425-00
Unavailable
28
WASHER(JN5)
92907-16100-00
Unavailable
