- Partiron
- OEM Parts
- Honda
- MOTORCYCLE
- 1982
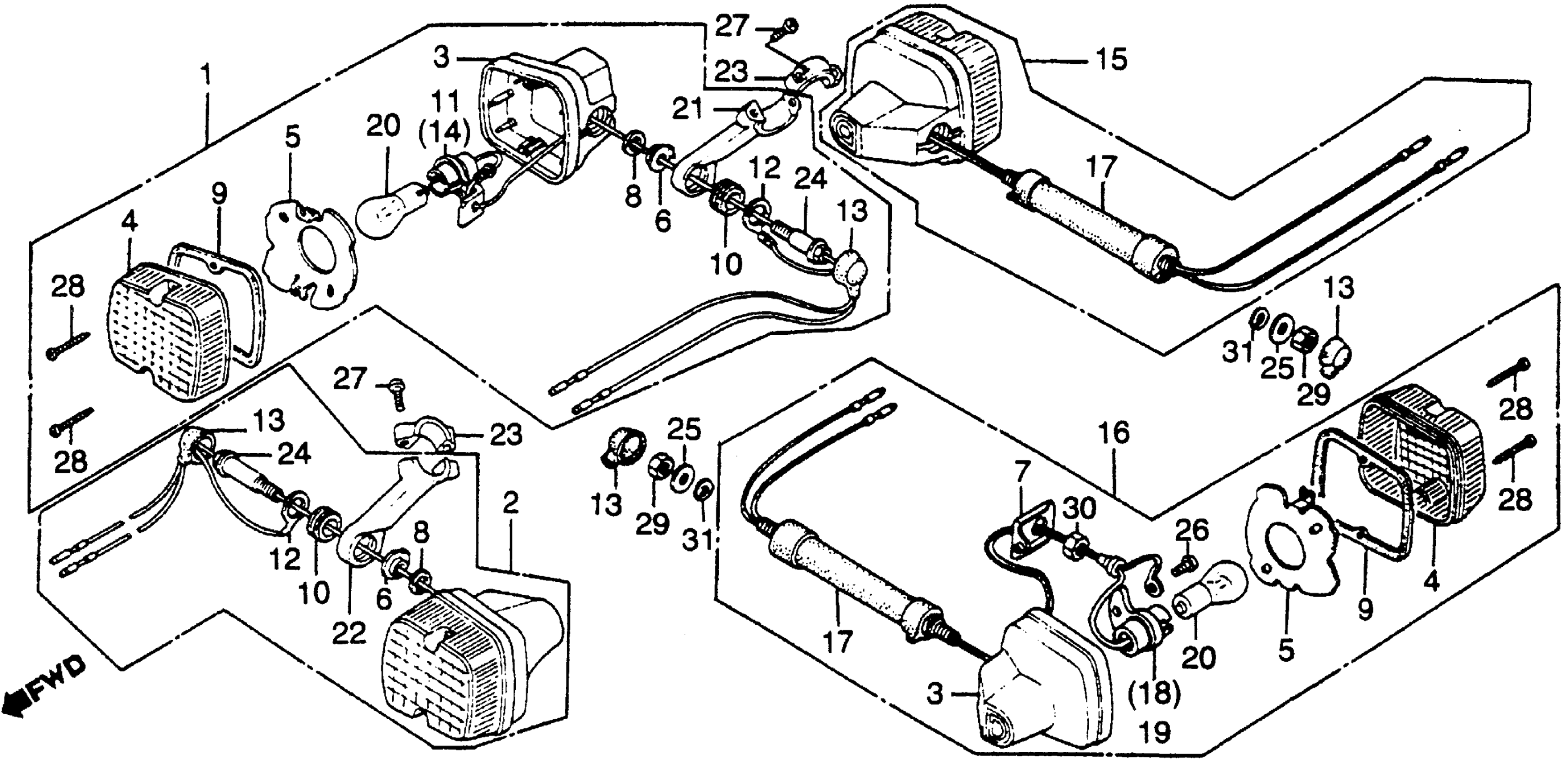
- XL500RA (82) MOTORCYCLE, JPN, VIN# JH2PD020-CM000032 TO JH2PD020-CM009868
XL500R TURN SIGNAL 82
Honda XL500RA (82) MOTORCYCLE, JPN, VIN# JH2PD020-CM000032 TO JH2PD020-CM009868 XL500R TURN SIGNAL 82 Diagram
#
Description
Price
1
TURN SIGNAL SET, R. FR. (NOT AVAILABLE)
33300-MC4-671
Unavailable
2
TURN SIGNAL SET, L. FR. (NOT AVAILABLE)
33350-MC4-671
Unavailable
4
LENS, TURN SIGNAL This part replaces 33402-428-671.
33402-428-672
Unavailable
4
LENS, TURN SIGNAL
33402-428-672
Unavailable
5
REFLECTOR (NOT AVAILABLE)
33403-428-671
Unavailable
7
PLATE, SETTING (NOT AVAILABLE)
33405-KB7-003
Unavailable
8
SEAL, GASKET (NOT AVAILABLE)
33406-428-003
Unavailable
9
GASKET, LENS (NOT AVAILABLE)
33407-428-003
Unavailable
10
RUBBER, FR. TURN SIGNAL MOUNTING (NOT AVAILABLE)
33408-KB7-000
Unavailable
11
SOCKET, R. FR. TURN SIGNAL (NOT AVAILABLE)
33410-428-671
Unavailable
12
WIRE, TURN SIGNAL GROUND (NOT AVAILABLE)
33415-428-010
Unavailable
13
COVER, TURN SIGNAL WIRE (NOT AVAILABLE)
33425-428-003
Unavailable
14
SOCKET, L. FR. TURN SIGNAL (NOT AVAILABLE)
33460-428-671
Unavailable
15
TURN SIGNAL SET, R. RR. (NOT AVAILABLE)
33500-MC4-671
Unavailable
16
TURN SIGNAL SET, L. RR. (NOT AVAILABLE)
33550-MC4-671
Unavailable
17
STAY, TURN SIGNAL This part replaces 33605-KB7-003.
33605-KG1-961
Unavailable
17
STAY, TURN SIGNAL
33605-KG1-961
Unavailable
18
SOCKET, R. RR. (NOT AVAILABLE)
33610-KB7-003
Unavailable
19
SOCKET, L. RR. (NOT AVAILABLE)
33660-KB7-003
Unavailable
21
BRACKET, R. FR. TURN SIGNAL
53101-KB7-000
Unavailable
22
BRACKET, L. FR. TURN SIGNAL (NOT AVAILABLE)
53102-KB7-000
Unavailable
23
HOLDER, TURN SIGNAL STAY
53103-428-000
Unavailable
24
BOLT, SETTING (NOT AVAILABLE)
90129-428-000
Unavailable
25
WASHER, SPECIAL (10MM)
90202-KB7-000
Unavailable
28
SCREW, TAPPING (4X25) (NOT AVAILABLE)
93901-24610
Unavailable
31
WASHER, SPRING (10MM) (NA USE ALT:94111-10400)
94111-10700
Unavailable
