- Partiron
- OEM Parts
- Honda
- MOTORCYCLE
- Models With No Year
- XL350K1A MOTORCYCLE, JPN, VIN# XL350-2000001 TO XL350-2016790
TAILIGHT + TURN SIGNAL
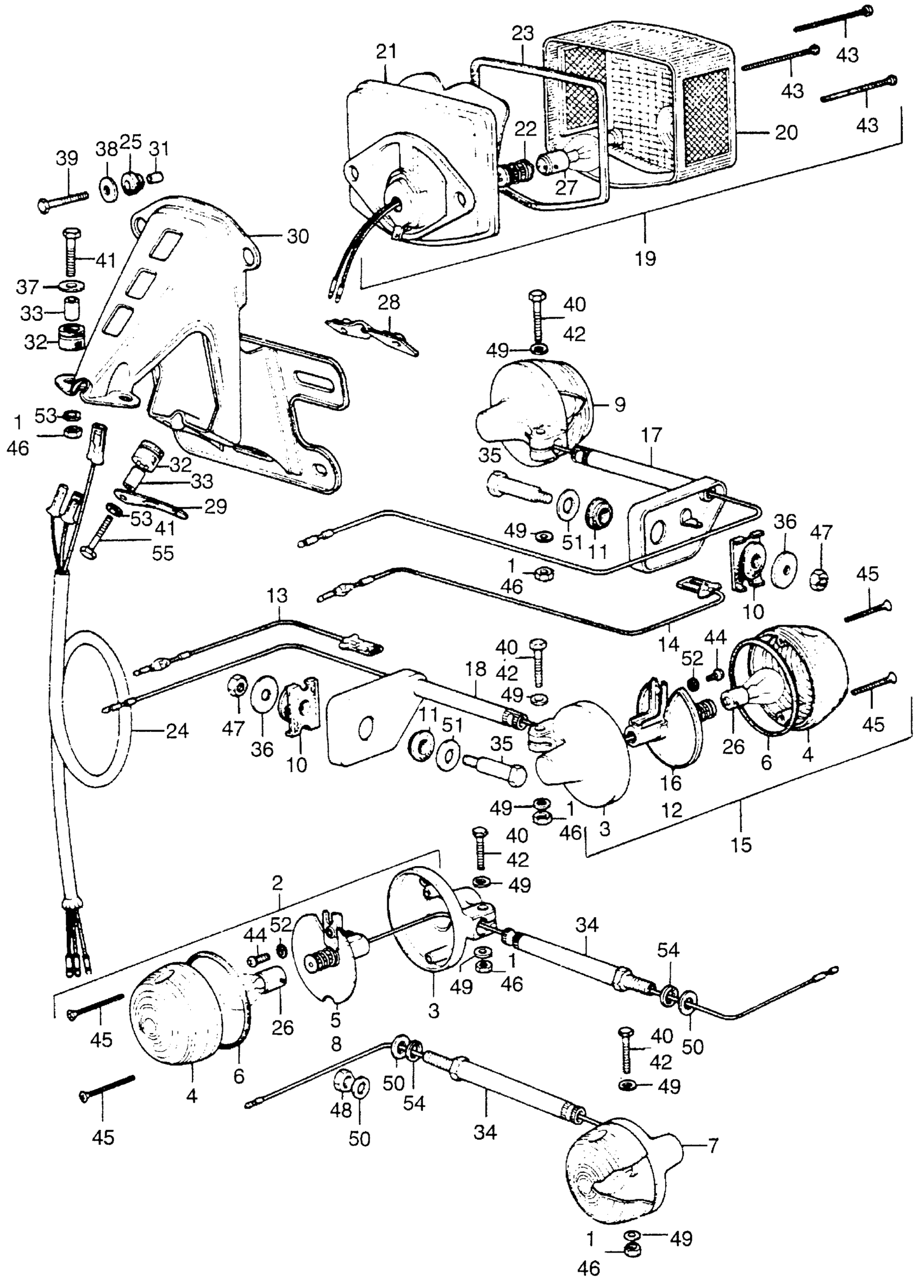
Honda XL350K1A MOTORCYCLE, JPN, VIN# XL350-2000001 TO XL350-2016790 TAILIGHT + TURN SIGNAL Diagram
#
2
TURN SIGNAL ASSY., R. FR. (NOT AVAILABLE) This part replaces 33400-356-671.
33400-361-679
Unavailable
5
SOCKET, L. FR. TURN SIGNAL
33410-356-671
Unavailable
7
TURN SIGNAL ASSY., R. FR. (NOT AVAILABLE) This part replaces 33400-361-670.
33400-361-679
Unavailable
7
TURN SIGNAL ASSY., R. FR. (NOT AVAILABLE)
33400-361-679
Unavailable
7
TURN SIGNAL ASSY., R. FR. (NOT AVAILABLE) This part replaces 33450-356-671.
33400-361-679
Unavailable
7
TURN SIGNAL ASSY., R. FR. (NOT AVAILABLE) This part replaces 33450-361-670.
33400-361-679
Unavailable
8
SOCKET, L. FR. TURN SIGNAL (NOT AVAILABLE)
33460-356-671
Unavailable
9
TURN SIGNAL ASSY., L. FR. This part replaces 33400-053-000.
33400-436-679
Unavailable
9
TURN SIGNAL ASSY., L. FR. This part replaces 33400-056-671.
33400-436-679
Unavailable
9
TURN SIGNAL ASSY., L. FR. This part replaces 33400-056-679.
33400-436-679
Unavailable
9
TURN SIGNAL ASSY., L. FR. This part replaces 33400-243-670.
33400-436-679
Unavailable
9
TURN SIGNAL ASSY., L. FR.
33400-436-679
Unavailable
9
TURN SIGNAL ASSY., L. FR. This part replaces 33600-356-671.
33400-436-679
Unavailable
9
TURN SIGNAL ASSY., L. FR. This part replaces 33650-356-671.
33400-436-679
Unavailable
10
RUBBER, RR. TURN SIGNAL MOUNT (NOT AVAILABLE)
33608-292-020
Unavailable
11
RUBBER B, RR. TURN SIGNAL MOUNT
33608-286-000
Unavailable
11
RUBBER B, RR. TURN SIGNAL MOUNT This part replaces 33609-292-000.
33608-286-000
Unavailable
12
SOCKET, R. RR. TURN SIGNAL (NOT AVAILABLE)
33610-356-671
Unavailable
13
WIRE A, RR. TURN SIGNAL GROUND (NOT AVAILABLE)
33620-356-000
Unavailable
14
WIRE B, RR. TURN SIGNAL GROUND (NOT AVAILABLE)
33621-356-000
Unavailable
15
TURN SIGNAL ASSY., L. FR. This part replaces 33400-056-679.
33400-436-679
Unavailable
15
TURN SIGNAL ASSY., L. FR.
33400-436-679
Unavailable
15
TURN SIGNAL ASSY., L. FR. This part replaces 33650-356-671.
33400-436-679
Unavailable
16
SOCKET, L. RR. TURN SIGNAL (NOT AVAILABLE)
33660-356-671
Unavailable
17
STAY, R. RR. TURN SIGNAL
33671-356-000
Unavailable
18
STAY, L. RR. TURN SIGNAL (NOT AVAILABLE)
33672-356-000
Unavailable
19
TAILLIGHT UNIT (NOT AVAILABLE)
33701-329-671
Unavailable
20
LENS, TAILLIGHT
33702-329-671
Unavailable
21
BASE, TAILLIGHT (NOT AVAILABLE)
33703-329-670
Unavailable
22
WIRE, TAILLIGHT
33708-098-000
Unavailable
22
WIRE, TAILLIGHT This part replaces 33708-341-671.
33708-098-000
Unavailable
24
CABLE, TAILLIGHT SUB
33713-356-670
Unavailable
28
PLATE A, NUMBER BRACKET SETTING (NOT AVAILABLE)
80109-340-000
Unavailable
29
PLATE B, NUMBER BRACKET MOUNT (NOT AVAILABLE)
80110-312-000
Unavailable
30
BRACKET, NUMBER PLATE (NOT AVAILABLE)
84701-340-670
Unavailable
30
BRACKET, NUMBER PLATE (NOT AVAILABLE) This part replaces 84701-340-670XW.
84701-340-670
Unavailable
31
COLLAR, TAILLIGHT UNIT
84706-342-000
Unavailable
34
BOLT, FR. TURN SIGNAL SET (NOT AVAILABLE)
90154-455-670
Unavailable
35
BOLT, RR. TURN SIGNAL SET (NOT AVAILABLE)
90155-292-010
Unavailable
