- Partiron
- OEM Parts
- Honda
- MOTORCYCLE
- Models With No Year
- XL350K1A MOTORCYCLE, JPN, VIN# XL350-2000001 TO XL350-2016790
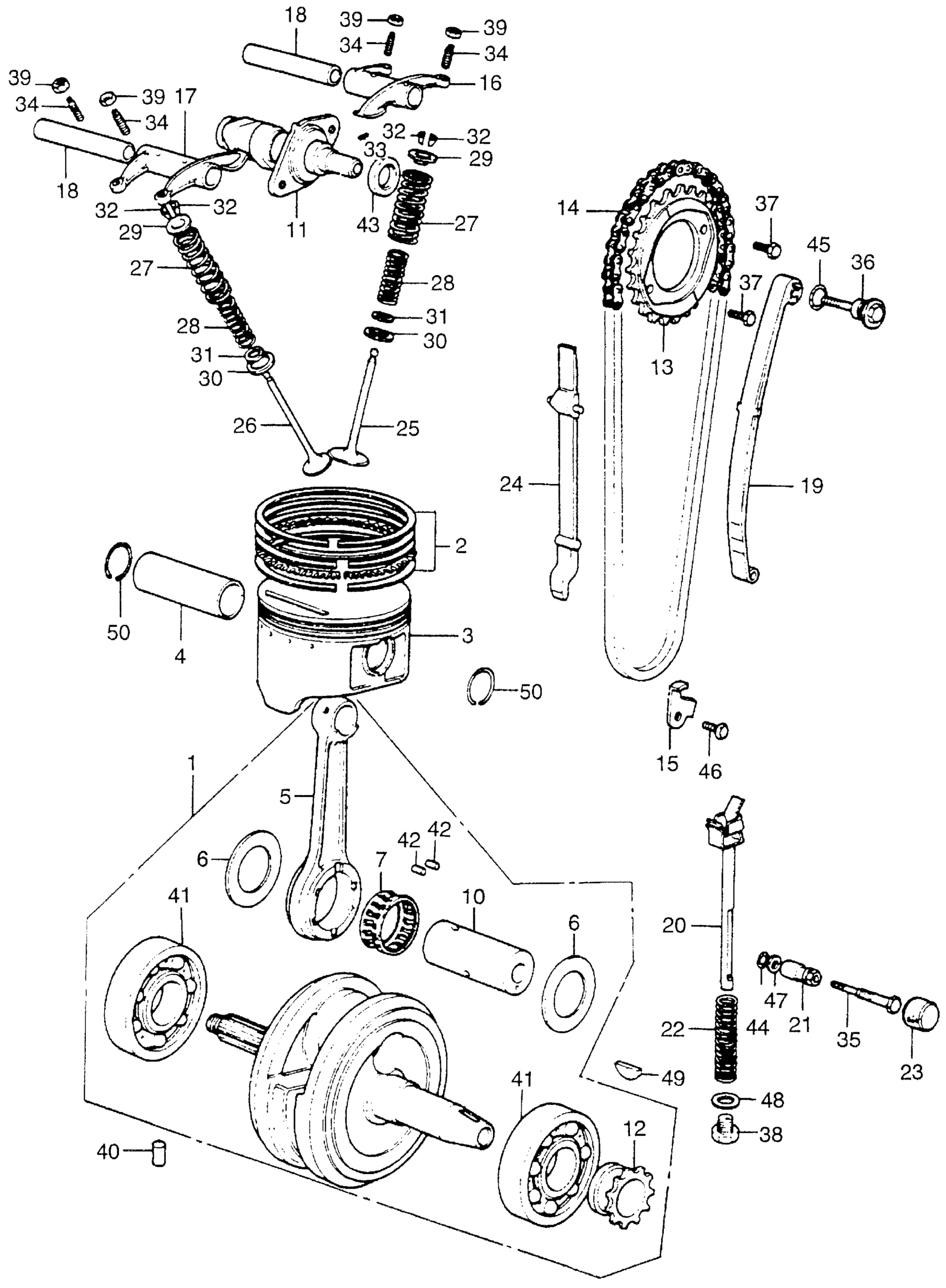
CRANKSHAFT + PISTON
Honda XL350K1A MOTORCYCLE, JPN, VIN# XL350-2000001 TO XL350-2016790 CRANKSHAFT + PISTON Diagram
#
1
CRANKSHAFT (NOT AVAILABLE) This part replaces 13000-356-020.
13000-385-010
Unavailable
2
RING SET, PISTON (STD) (NIPPON)
13011-356-003
Unavailable
2
RING SET, PISTON (OS 0.25) (NIPPON) (NOT AVAILABLE)
13012-356-003
Unavailable
2
RING SET, PISTON (OS 0.50) (NIPPON)
13013-356-003
Unavailable
2
RING SET, PISTON (0.75) (NIPPON) (NOT AVAILABLE)
13014-356-003
Unavailable
2
RING SET, PISTON (1.00) (NIPPON) (NOT AVAILABLE)
13015-356-003
Unavailable
3
PISTON (STD) (NOT AVAILABLE)
13101-356-000
Unavailable
3
PISTON (OS 0.25) (NOT AVAILABLE)
13102-356-000
Unavailable
3
PISTON (OS 0.50) (NOT AVAILABLE)
13103-356-000
Unavailable
3
PISTON (0.75) (NOT AVAILABLE)
13104-356-000
Unavailable
3
PISTON (1.00)
13105-356-000
Unavailable
4
PIN, PISTON
13111-356-000
Unavailable
5
ROD, CONNECTING (NOT AVAILABLE)
13201-356-300
Unavailable
6
PLATE This part replaces 13202-356-300.
13202-385-300
Unavailable
7
BEARING, CONN ROD This part replaces 13211-356-004.
13211-356-008
Unavailable
10
PIN, CRANK (NOT AVAILABLE)
13351-356-300
Unavailable
11
CAMSHAFT (NOT AVAILABLE)
14101-356-000
Unavailable
12
SPROCKET, TIMING
14312-356-300
Unavailable
13
SPROCKET, CAM (NOT AVAILABLE)
14321-329-000
Unavailable
14
CHAIN, CAM (DAIDO) (NOT AVAILABLE)
14401-356-003
Unavailable
15
PLATE, CAM CHAIN SET (NOT AVAILABLE)
14414-329-000
Unavailable
17
ARM, VALVE ROCKER (NOT AVAILABLE) | Use up to Engine SN 2016954
14441-356-010
Unavailable
17
ARM, VALVE ROCKER (NOT AVAILABLE) | Use from Engine SN 2016955
14441-385-000
Unavailable
18
SHAFT, VALVE ROCKER ARM | Use up to Engine SN 2016954
14451-329-000
Unavailable
18
SHAFT, VALVE ROCKER ARM (NOT AVAILABLE) | Use from Engine SN 2016955
14451-385-000
Unavailable
19
TENSIONER, CAM CHAIN (NOT AVAILABLE)
14500-356-003
Unavailable
20
BAR, CAM CHAIN TENSIONER SETTING
14510-329-000
Unavailable
21
NUT, CAM CHAIN TENSIONER SETTING (NOT AVAILABLE)
14515-329-000
Unavailable
22
SPRING, CAM CHAIN TENSIONER (NOT AVAILABLE)
14541-329-000
Unavailable
23
CAP, CAM CHAIN TENSIONER SETTING BOLT (NOT AVAILABLE) This part replaces 14561-329-000.
14561-391-000
Unavailable
24
GUIDE, CAM CHAIN (NOT AVAILABLE) | Use up to Engine SN 2016972 This part replaces 14611-329-000.
14611-376-000
Unavailable
24
GUIDE, CAM CHAIN (NOT AVAILABLE)
14611-376-000
Unavailable
25
VALVE, IN. (NOT AVAILABLE)
14711-356-000
Unavailable
26
VALVE, EX. (NOT AVAILABLE)
14721-356-000
Unavailable
27
SPRING, VALVE (OUTER) (NIPPON HATSUJO) (NOT AVAILABLE)
14751-329-005
Unavailable
28
SPRING, VALVE (INNER) (NIPPON HATSUJO) (NOT AVAILABLE)
14761-329-005
Unavailable
30
SEAT, VALVE SPRING (NOT AVAILABLE)
14775-329-000
Unavailable
31
SEAT, VALVE SPRING (INNER)
14776-MA6-000
Unavailable
31
SEAT, VALVE SPRING (INNER) This part replaces 14776-329-000.
14776-MA6-000
Unavailable
35
BOLT, TENSIONER ADJUSTING (NOT AVAILABLE)
90018-329-000
Unavailable
36
BOLT, TENSIONER (NOT AVAILABLE)
90019-329-000
Unavailable
38
BOLT, DRAIN (NOT AVAILABLE) | Use up to Engine SN 2015482
90107-538-010
Unavailable
40
PIN, DOWEL (7X12) (NOT AVAILABLE)
90708-286-000
Unavailable
41
BEARING, SPECIAL BALL (6306) (NACHI) (NOT AVAILABLE)
91001-356-003
Unavailable
42
ROLLER 1 (3.5X15.8) (TOYO) (NOT AVAILABLE)
91105-356-008
Unavailable
42
ROLLER 2 (3.5X15.8) (TOYO) (NOT AVAILABLE)
91106-356-008
Unavailable
42
ROLLER 3 (3.5X15.8) (TOYO) (NOT AVAILABLE)
91107-356-008
Unavailable
42
ROLLER 4 (3.5X15.8) (TOYO) (NOT AVAILABLE)
91108-356-008
Unavailable
42
ROLLER 5 (3.5X15.8) (TOYO) (NOT AVAILABLE)
91109-356-008
Unavailable
43
OIL SEAL (15X27X7)
91207-329-003
Unavailable
