- Partiron
- OEM Parts
- Honda
- MOTORCYCLE
- Models With No Year
- XL350A MOTORCYCLE, JPN, VIN# XL350-1000001 TO XL350-1021659
RIGHT CRANKCASE COVER + CLUTCH
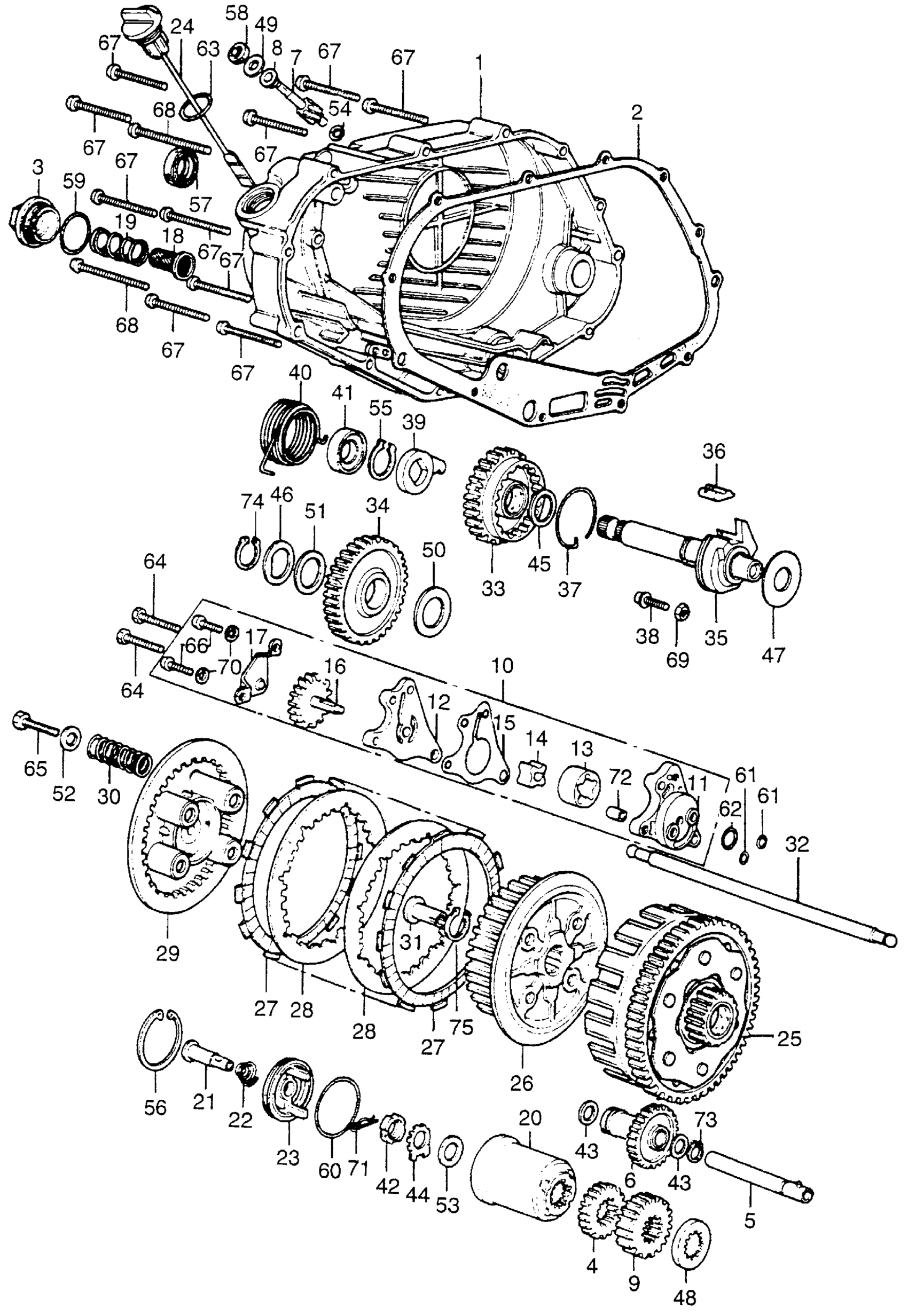
Honda XL350A MOTORCYCLE, JPN, VIN# XL350-1000001 TO XL350-1021659 RIGHT CRANKCASE COVER + CLUTCH Diagram
#
1
COVER, R. CRANKCASE (NOT AVAILABLE)
11330-356-010
Unavailable
2
GASKET, R. CRANKCASE COVER This part replaces 11394-356-000.
11394-356-306
Unavailable
2
GASKET, R. CRANKCASE COVER
11394-356-306
Unavailable
4
GEAR, TACHOMETER IDLER DRIVE (NOT AVAILABLE)
12401-356-010
Unavailable
5
SHAFT, TACHOMETER IDLER (NOT AVAILABLE)
12410-356-010
Unavailable
6
PINION, TACHOMETER | Use up to Engine SN 1024366 This part replaces 12420-329-000.
12420-329-700
Unavailable
6
PINION, TACHOMETER
12420-329-700
Unavailable
7
GEAR, TACHOMETER
12431-246-000
Unavailable
8
COLLAR, TACHOMETER GEAR THRUST (NOT AVAILABLE)
12435-329-000
Unavailable
9
GEAR, PRIMARY DRIVE
13611-356-010
Unavailable
10
PUMP ASSY., OIL (NOT AVAILABLE)
15100-356-000
Unavailable
11
BODY, OIL PUMP
15111-329-010
Unavailable
12
COVER, OIL PUMP (NOT AVAILABLE)
15121-356-000
Unavailable
15
GASKET, OIL PUMP COVER (NOT AVAILABLE)
15129-329-010
Unavailable
16
GEAR, OIL PUMP DRIVE (NOT AVAILABLE)
15131-356-000
Unavailable
17
PLATE, OIL PUMP SETTING (NOT AVAILABLE)
15197-329-000
Unavailable
18
SCREEN, OIL FILTER (NOT AVAILABLE)
15421-329-000
Unavailable
20
ROTOR, OIL FILTER
15441-362-000
Unavailable
21
THROUGH, OIL (NOT AVAILABLE)
15445-356-000
Unavailable
22
SPRING, OIL THROUGH (NOT AVAILABLE)
15446-356-000
Unavailable
23
CAP, OIL FILTER (NOT AVAILABLE)
15450-329-000
Unavailable
24
DIPSTICK, OIL (NOT AVAILABLE) This part replaces 15650-356-000.
15650-393-000
Unavailable
25
CLUTCH (OUTER) (NOT AVAILABLE)
22100-356-000
Unavailable
26
CENTER, CLUTCH
22120-329-010
Unavailable
29
PLATE, CLUTCH PRESSURE
22350-329-000
Unavailable
30
SPRING, CLUTCH
22401-356-000
Unavailable
31
PIECE, CLUTCH LIFTER JOINT (NOT AVAILABLE)
22838-329-000
Unavailable
32
ROD, CLUTCH LIFTER (NOT AVAILABLE) | Use up to Engine SN 1020042 This part replaces 22850-329-000.
22850-329-770
Unavailable
32
ROD, CLUTCH LIFTER (NOT AVAILABLE)
22850-329-770
Unavailable
33
PINION, KICK STARTER (NOT AVAILABLE) | Use up to Engine SN 1016455 This part replaces 28210-356-010.
28210-356-020
Unavailable
33
PINION, KICK STARTER (NOT AVAILABLE)
28210-356-020
Unavailable
34
GEAR, KICK STARTER IDLE (NOT AVAILABLE)
28221-356-010
Unavailable
35
SPINDLE, KICK STARTER (NOT AVAILABLE)
28250-356-000
Unavailable
36
PAWL, KICK STARTER (NOT AVAILABLE)
28252-356-000
Unavailable
37
SPRING, KICK STARTER RATCHET (NOT AVAILABLE)
28253-300-000
Unavailable
38
PIN, KICK STOPPER (NOT AVAILABLE)
28254-356-000
Unavailable
39
RETAINER, KICK STARTER SPRING (NOT AVAILABLE)
28258-329-000
Unavailable
40
SPRING, KICK STARTER (NOT AVAILABLE)
28261-329-000
Unavailable
41
COLLAR, KICK STARTER SPRING (NOT AVAILABLE)
28262-329-000
Unavailable
45
WASHER A, THRUST (22MM)
90452-504-010
Unavailable
46
WASHER, THRUST (20MM) (NOT AVAILABLE)
90453-329-000
Unavailable
47
WASHER (16MM) (NOT AVAILABLE)
90454-329-000
Unavailable
48
WASHER A, THRUST (25MM) (NOT AVAILABLE)
90456-356-010
Unavailable
49
WASHER, TACHOMETER GEAR THRUST
90458-286-000
Unavailable
51
WASHER, THRUST (20MM) (NOT AVAILABLE)
90458-329-010
Unavailable
52
WASHER (6X19)
90481-259-000
Unavailable
53
WASHER (16MM) (NOT AVAILABLE)
90481-292-000
Unavailable
54
WASHER, SPEEDOMETER PINION
90539-011-000
Unavailable
56
CIRCLIP (INNER) (45MM)
90604-292-000
Unavailable
60
O-RING (39X1.8) (NOT AVAILABLE)
91310-329-000
Unavailable
65
BOLT, HEX. (6X20) (NOT AVAILABLE)
92020-06020
Unavailable
