- Partiron
- OEM Parts
- Honda
- MOTORCYCLE
- 1978
- XL125A (78) MOTORCYCLE, JPN, VIN# XL125-2100003 TO XL125-2113132
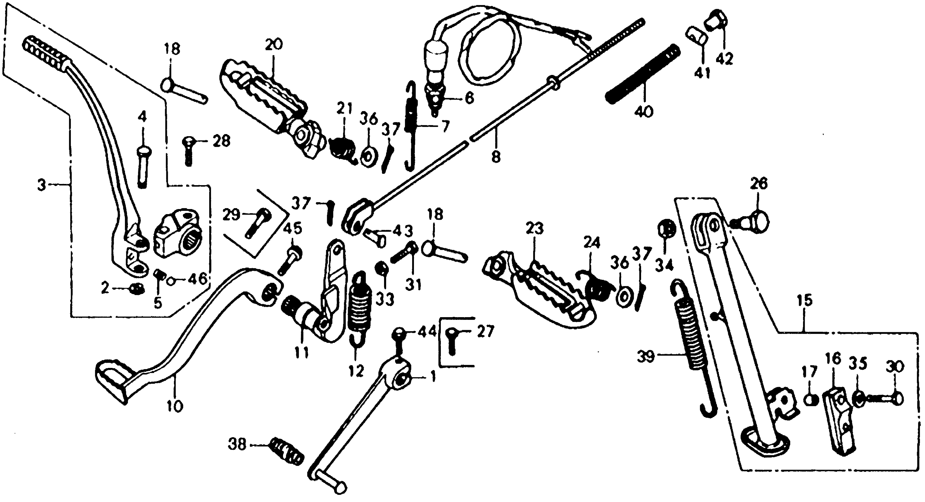
CHANGE PEDAL + BRAKE PEDAL + STEP
Honda XL125A (78) MOTORCYCLE, JPN, VIN# XL125-2100003 TO XL125-2113132 CHANGE PEDAL + BRAKE PEDAL + STEP Diagram
#
Description
Price
1
PEDAL, GEARSHIFT
24700-382-770
Unavailable
3
ARM ASSY., KICK STARTER
28300-365-671
Unavailable
4
PIN, KICK STARTER (MURAMATSU)
28321-355-003
Unavailable
7
SPRING, STOP SWITCH
35357-083-000
Unavailable
8
ROD, RR. BRAKE (NOT AVAILABLE)
43451-355-000
Unavailable
10
PEDAL, BRAKE
46500-382-770
Unavailable
11
ARM, MIDDLE (NOT AVAILABLE)
46510-382-770
Unavailable
12
SPRING, RR. BRAKE
46514-GE2-000
Unavailable
12
SPRING, RR. BRAKE This part replaces 46514-051-000.
46514-GE2-000
Unavailable
15
BAR ASSY., SIDE STAND (NOT AVAILABLE)
50540-382-670
Unavailable
20
STEP, R. (NOT AVAILABLE)
50616-356-000
Unavailable
21
SPRING, R. STEP RETURN
50617-KF9-900
Unavailable
21
SPRING, R. STEP RETURN This part replaces 50617-365-670.
50617-KF9-900
Unavailable
23
STEP, L.
50642-356-000
Unavailable
24
SPRING, L. STEP RETURN (NOT AVAILABLE)
50644-365-670
Unavailable
31
BOLT, HEX. (6x35) This part replaces 92033-06035.
92135-06035
Unavailable
