- Partiron
- OEM Parts
- Honda
- MOTORCYCLE
- Models With No Year
- XL100A MOTORCYCLE, JPN, VIN# XL100-1000001
HANDLE SWITCH + CABLE K0
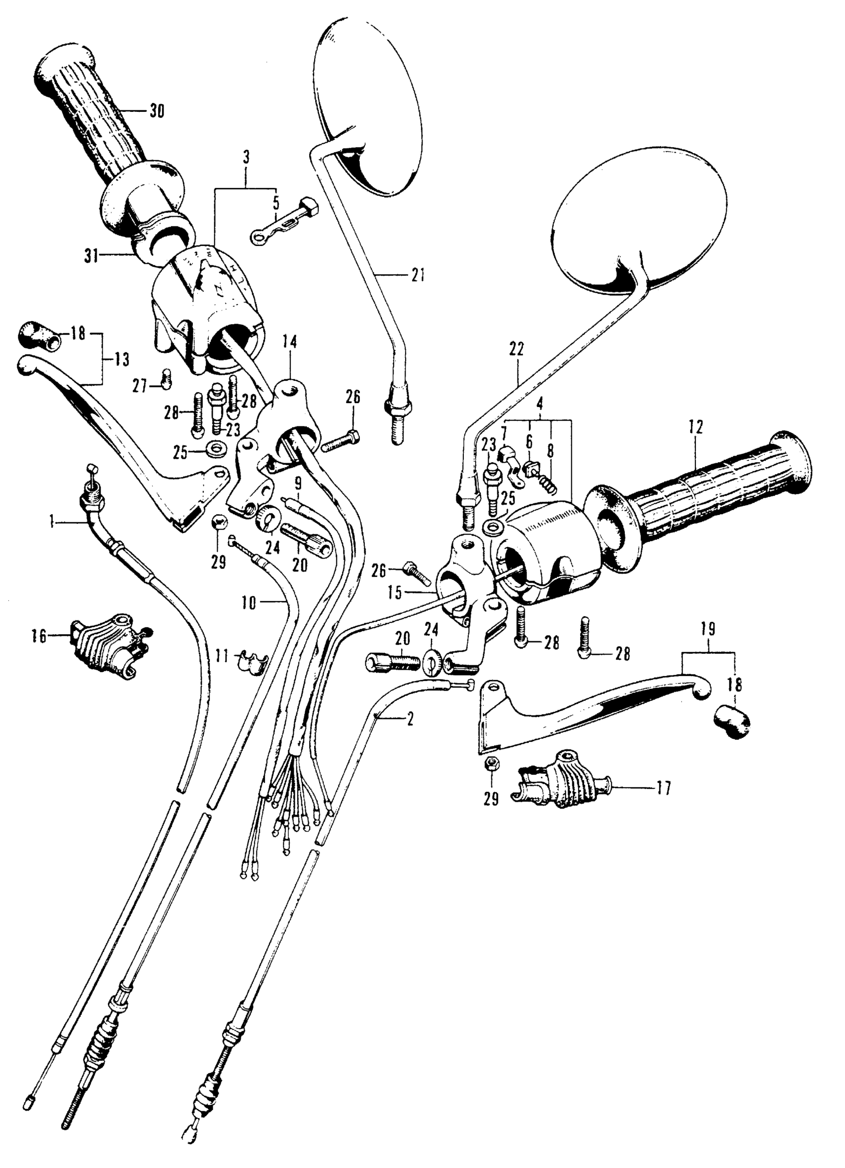
Honda XL100A MOTORCYCLE, JPN, VIN# XL100-1000001 HANDLE SWITCH + CABLE K0 Diagram
#
Description
Price
1
CABLE, THROTTLE
17910-110-010
Unavailable
2
CABLE, CLUTCH
22870-KBG-A00
Unavailable
2
CABLE, CLUTCH This part replaces 22870-KV0-000.
22870-KBG-A00
Unavailable
2
CABLE, CLUTCH This part replaces 22870-110-000.
22870-KBG-A00
Unavailable
2
CABLE, CLUTCH This part replaces 22870-364-670.
22870-KBG-A00
Unavailable
3
SWITCH ASSY., LIGHTING & STOP
35250-110-791
Unavailable
4
SWITCH ASSY., HORN DIMMER
35250-310-003
Unavailable
5
KNOB, LIGHTING SWITCH (NOT AVAILABLE)
35315-235-000
Unavailable
7
BUTTON, HORN SWITCH PUSH (NOT AVAILABLE) This part replaces 35317-235-000.
35317-310-810
Unavailable
7
BUTTON, HORN SWITCH PUSH (NOT AVAILABLE)
35317-310-810
Unavailable
10
CABLE, FR. BRAKE | Use up to Frame SN 1020001 This part replaces 45450-110-010.
45450-440-P00
Unavailable
10
CABLE, FR. BRAKE (NOT AVAILABLE) | Use from Frame SN 1020002 This part replaces 45450-364-670.
45450-364-671
Unavailable
10
CABLE, FR. BRAKE (NOT AVAILABLE) | Use from Frame SN 1020002
45450-364-671
Unavailable
10
CABLE, FR. BRAKE | Use up to Frame SN 1020001
45450-440-P00
Unavailable
10
CABLE, FR. BRAKE | Use up to Frame SN 1020001 This part replaces 45450-440-405.
45450-440-P00
Unavailable
12
GRIP, L. HANDLE (NOT AVAILABLE) This part replaces 53166-074-000.
95011-15200
Unavailable
12
GRIP, L. HANDLE (NOT AVAILABLE)
95011-15200
Unavailable
21
MIRROR, R. This part replaces 88110-074-000.
88110-329-730
Unavailable
21
MIRROR, R.
88110-329-730
Unavailable
22
MIRROR, L. (DOES NOT INCLUDE LOCK NUT) This part replaces 88120-074-000.
88220-329-730
Unavailable
22
MIRROR, L. (DOES NOT INCLUDE LOCK NUT) This part replaces 88120-329-730.
88220-329-730
Unavailable
28
SCREW, PAN (5X24) (SOURCE: VINTAGE PARTS INC.)
93500-05024-0A
Unavailable
30
GRIP, R. HANDLE
95011-15100
Unavailable
