- Partiron
- OEM Parts
- Yamaha
- motorcycle
- 1983
- XJ900RK (SECA) 35H 1983
ELECTRICAL 2
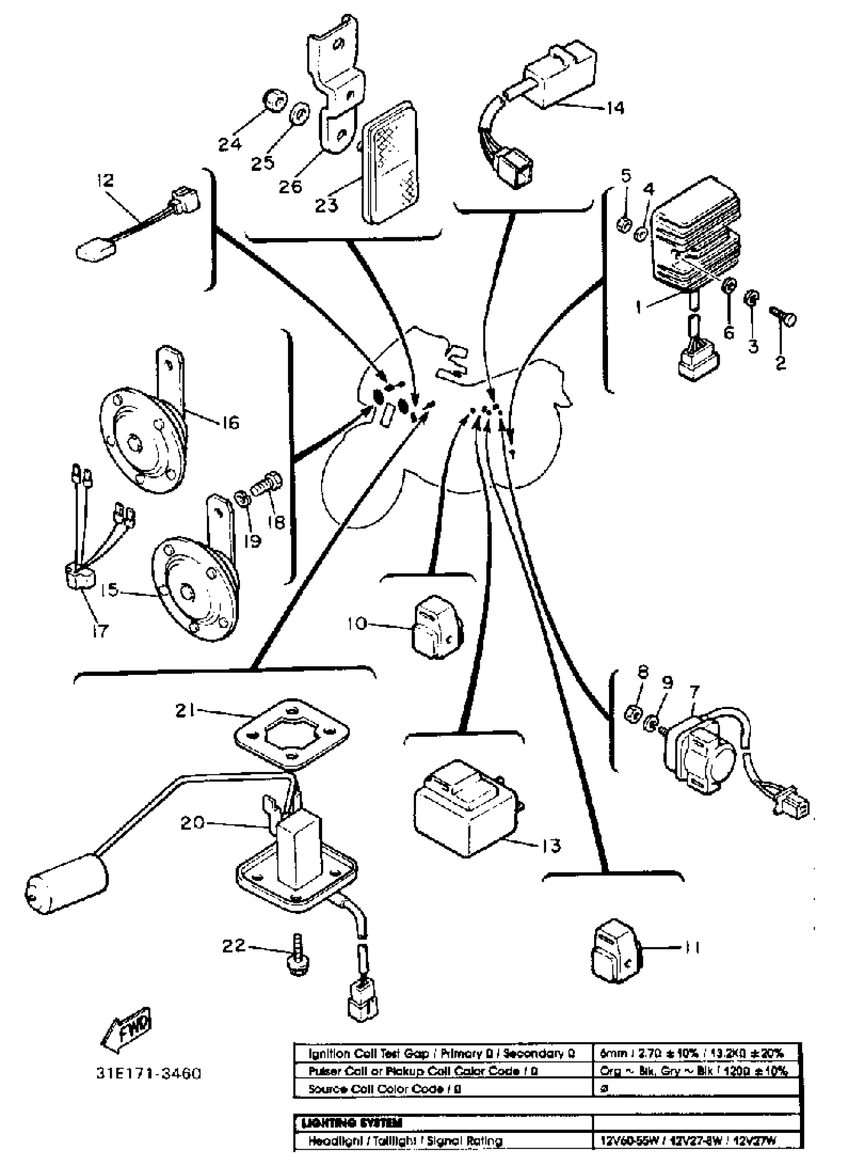
Yamaha XJ900RK (SECA) 35H 1983 ELECTRICAL 2 Diagram
#
Description
Price
1
RECTIFIER & REGULATOR ASSY
3G1-81960-A1-00
Unavailable
3
WASHER, SPRING
92995-06100-00
Unavailable
9
WASHER, SPRING
92995-06100-00
Unavailable
11
RELAY ASSY
4U8-81950-03-00
Unavailable
12
RECTIFIER 2
4H7-81980-M0-00
Unavailable
13
FLASHER RELAY ASSEMBLY
4H7-83350-70-00
Unavailable
14
FLASHER CANCELING UNIT
1A0-83395-03-00
Unavailable
15
HORN
4L0-83371-30-00
Unavailable
16
HORN
4L0-83371-40-00
Unavailable
17
LEAD, HORN
4L0-83373-00-00
Unavailable
18
BOLT, HEXAGON
97017-08016-00
Unavailable
19
WASHER(JN5)
92907-08100-00
Unavailable
20
SENDER UNIT ASSEMBLY, F/MTR
31A-85752-00-00
Unavailable
21
GASKET, SENDER UNIT
5G3-85753-00-00
Unavailable
22
BOLT, WITH WASHER
90119-05071-00
Unavailable
23
FRONT REFLECTOR ASSEMBLY
4X7-85110-00-00
Unavailable
24
NUT, U
95617-05100-00
Unavailable
25
. WASHER, PLAIN
92990-05200-00
Unavailable
26
BRACKET, REFLECT 1
35H-85132-00-00
Unavailable
