- Partiron
- OEM Parts
- Yamaha
- motorcycle
- 1982
- XJ750RJ (XJ750R) 1982
ELECTRICAL 1
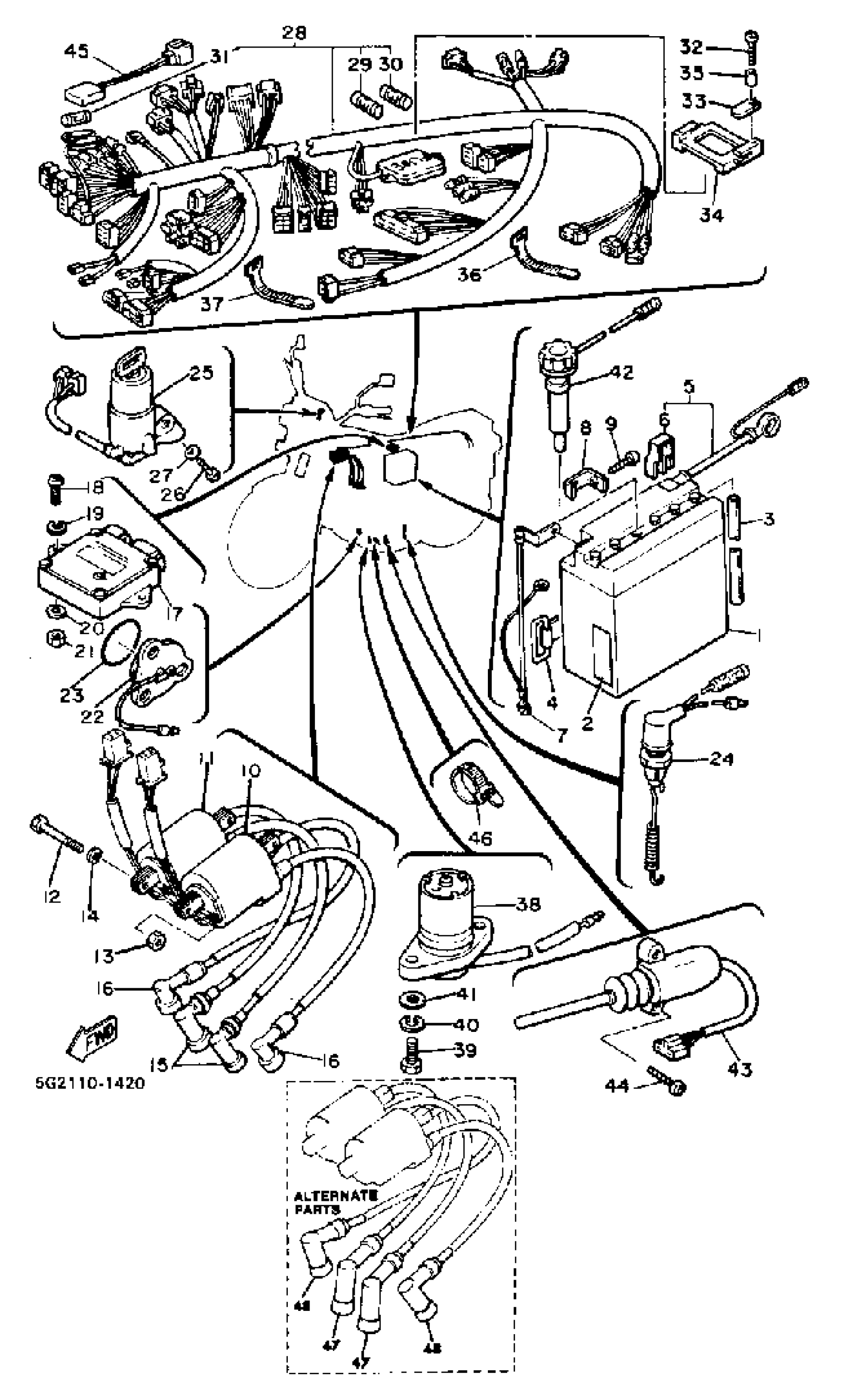
Yamaha XJ750RJ (XJ750R) 1982 ELECTRICAL 1 Diagram
#
1
UNAVAILABLE IN PRICE BOOK
BTY-YB146-AZ-00
Unavailable
2
LABEL, BATTERY
40A-82141-G0-00
Unavailable
5
WIRE, PLUS LEAD
5G2-82115-00-00
Unavailable
6
. UNAVAILABLE IN PRICE BOOK
[5G-28211-90-00
Unavailable
7
WIRE, MINUS LEAD
5G2-82116-00-00
Unavailable
8
TERMINAL 1
5G2-82103-00-00
Unavailable
13
NUT, HEXAGON
95380-06600-00
Unavailable
15
PLUG CAP ASSY
1J7-82370-00-00
Unavailable
16
PLUG CAP ASSY
4BP-82370-01-00
Unavailable
17
IGNITOR UNIT ASSEMBLY 1
5G2-82305-10-00
Unavailable
18
SCREW, PAN
98507-06014-00
Unavailable
19
WASHER, SPRING
92995-06100-00
Unavailable
20
WASHER, PLAIN (646)
92990-06600-00
Unavailable
21
NUT(650)
95380-06700-00
Unavailable
22
NEUTRAL SWITCH ASSY
4GY-82540-10-00
Unavailable
23
GASKET (5R6)
90430-10171-00
Unavailable
24
STOP SWITCH ASSEMBLY (1E9-82530-00-00)
1E9-82530-02-00
Unavailable
25
MAIN SWITCH ASSEMBLY
5G2-82508-50-00
Unavailable
26
BOLT, HEXAGON DEEP RECESS
97D95-06016-00
Unavailable
27
WASHER, PLAIN (646)
92990-06600-00
Unavailable
28
WIRE HARNESS ASSEMBLY
5G2-82590-50-00
Unavailable
29
FUSE (12V 30A)
2H7-82151-00-00
Unavailable
30
FUSE
1A0-82151-00-00
Unavailable
31
FUSE (12V 5A)
5G2-82151-00-00
Unavailable
32
YBS83-525 SCREW,PANH.TAPPING
97780-50125-00
Unavailable
33
UNAVAILABLE IN PRICE BOOK
[4K-08255-80-00
Unavailable
34
DAMPER
4K0-82157-00-00
Unavailable
35
COLLAR(55K)
90387-066M1-00
Unavailable
36
BAND, SWITCH CORD
437-83936-11-00
Unavailable
37
BAND, SWITCH CORD
25G-83936-01-00
Unavailable
38
OIL LVL GAUGE ASY
2KW-85720-00-00
Unavailable
39
BOLT, HEXAGON
97017-06020-00
Unavailable
40
WASHER, SPRING
92995-06100-00
Unavailable
41
WASHER, PLAIN (646)
92990-06600-00
Unavailable
42
SENDER, BATTERY
5G2-82120-00-00
Unavailable
43
SWITCH, SIDE STAND
5G2-82566-01-00
Unavailable
44
SCREW, FLAT
98707-05016-00
Unavailable
45
RECTIFIER 2
4H7-81980-M0-00
Unavailable
46
BAND
341-26397-01-00
Unavailable
47
PLUG CAP ASSY
1J7-82370-00-00
Unavailable
48
PLUG CAP ASSEMBLY
2H8-82370-10-00
Unavailable
