Partiron

Yamaha XJ750RH (XJ750R) 1981 OIL PUMP Diagram

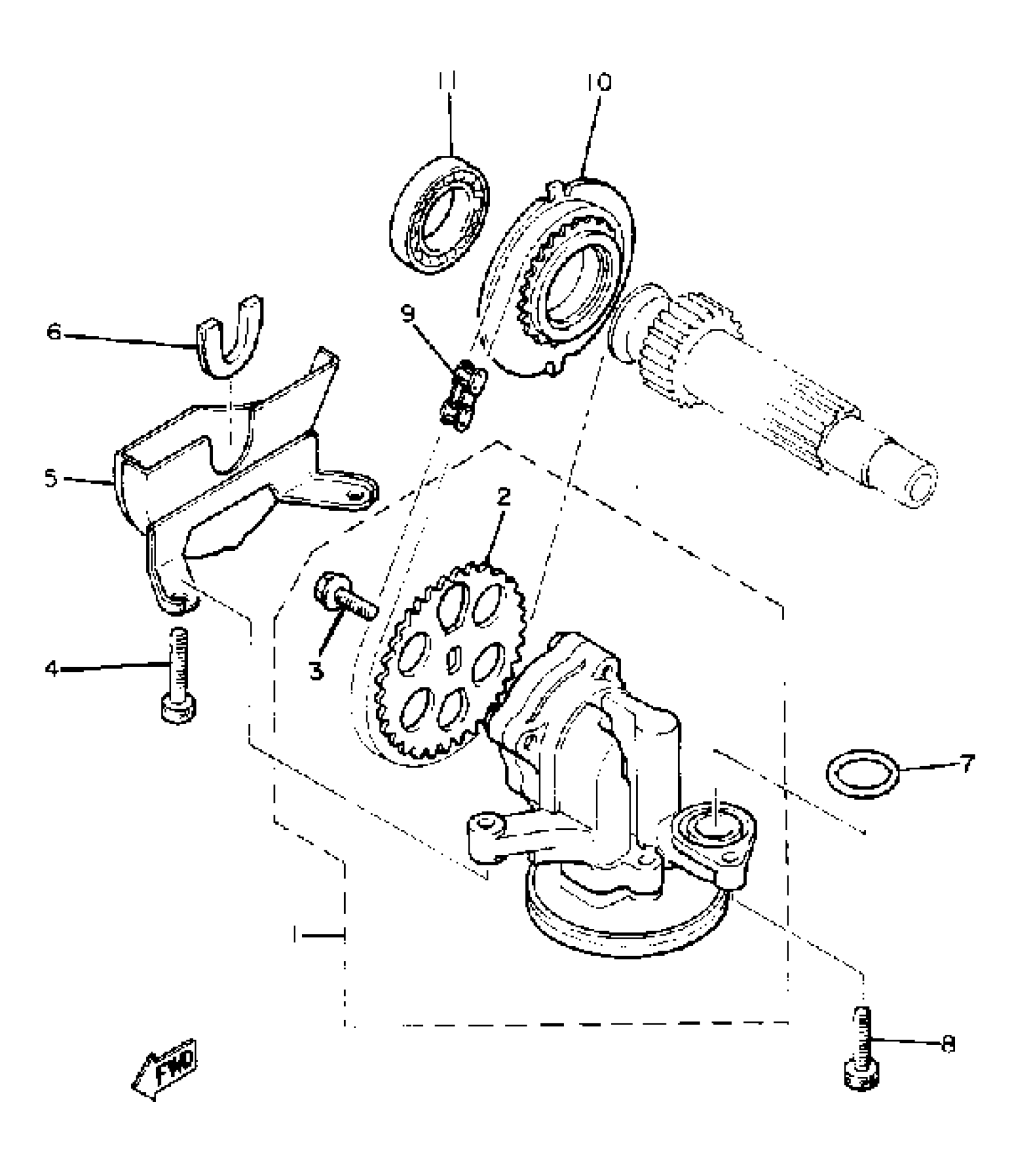
#

Description
Price

1

OIL PUMP ASSEMBLY

5G2-13300-00-00

Unavailable

2

. SPROCKET, DRIVEN

5G2-13355-00-00

Unavailable

3

BOLT, WASHER BASED (4H7)

90105-06154-00

$4.72

4

BOLT, HEXAGON SOCKET HEAD (4H7

90110-06035-00

$8.49

5

COVER, PUMP GEAR

4H7-13327-00-00

Unavailable

6

GROMMET, GEAR COVER

4H7-13328-00-00

Unavailable

7

O-RING (1J7)

93210-18319-00

$9.49

8

BOLT,SOCKET

91317-06025-00

$5.60

9

CHAIN, OIL PUMP (5G2)

94580-25062-00

$11.99

10

SPROCKET, DRIVE

4H7-13354-00-00

Unavailable

11

BRG,CYL-CAL ROLLER 18G KY

93315-23208-00

$34.99