- Partiron
- OEM Parts
- Yamaha
- motorcycle
- 1983
- XJ750K (XJ750) 1983
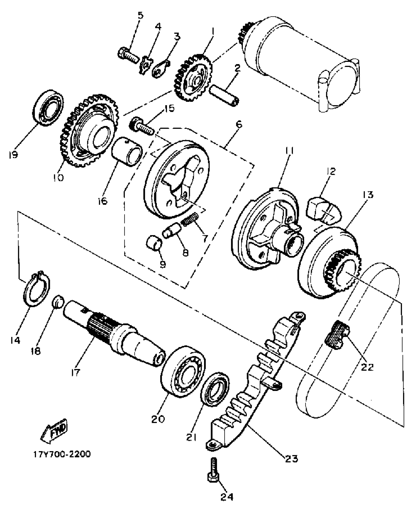
STARTER CLUTCH
Yamaha XJ750K (XJ750) 1983 STARTER CLUTCH Diagram
#
Description
Price
1
GEAR, IDLER 1
4H7-15512-00-00
Unavailable
2
SHAFT 1
3TJ-15521-00-00
Unavailable
3
PLATE, STOPPER
2H7-15531-00-00
Unavailable
10
GEAR, IDLER 2
4H7-15517-00-00
Unavailable
11
WHEEL, STARTER
4H7-15524-00-00
Unavailable
13
SPROCKET, STARTER 2
4H7-15519-00-00
Unavailable
16
COLLAR
90387-202A7-00
Unavailable
17
SHAFT 2
(4H7-15522-00-00)
Unavailable
18
PLUG (4H7)
90331-12028-00
Unavailable
19
BEARING (5Y1)
93306-00426-00
Unavailable
20
BEARING (3Y1)
93306-20541-00
Unavailable
21
OIL SEAL (4H7)
93102-25218-00
Unavailable
22
CHAIN, PRIMARY
4SV-11456-00-00
Unavailable
23
GUIDE, UPPER
4H7-11474-01-00
Unavailable
24
BOLT(8CP)
97017-06014-00
Unavailable
