- Partiron
- OEM Parts
- Yamaha
- motorcycle
- 1983
- XJ750K (XJ750) 1983
ELECTRICAL 1
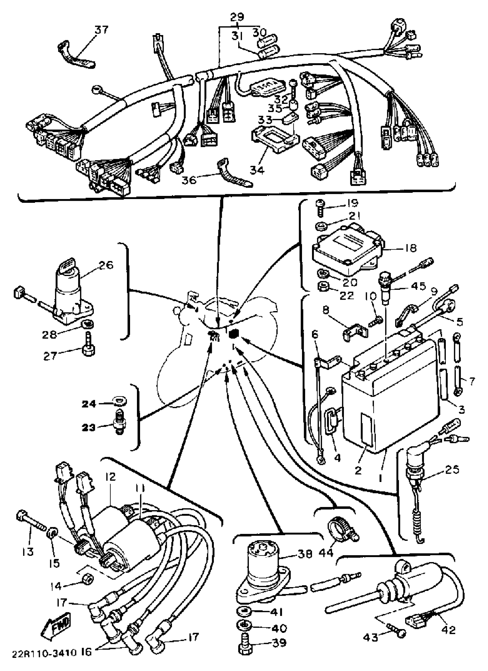
Yamaha XJ750K (XJ750) 1983 ELECTRICAL 1 Diagram
#
1
YB14LA2 YUASA BATTERY
YB1-4LA20-00-00
Unavailable
2
LABEL, BATTERY
40A-82141-G0-00
Unavailable
5
WIRE, PLUS LEAD (15R-82115-00)
12R-82115-00-00
Unavailable
6
WIRE, MINUS LEAD
5G2-82116-00-00
Unavailable
7
WIRE, EARTH LEAD
4H7-82519-00-00
Unavailable
8
TERMINAL 1
5G2-82103-00-00
Unavailable
9
TERMINAL 1
15R-82103-00-00
Unavailable
14
NUT, HEXAGON
95380-06600-00
Unavailable
16
PLUG CAP ASSY
1J7-82370-00-00
Unavailable
17
PLUG CAP ASSY
4BP-82370-01-00
Unavailable
18
IGNITOR UNIT ASSEMBLY 1
5G2-82305-10-00
Unavailable
19
UNAVAILABLE IN PRICE BOOK (92502-06016-00)
92503-06016-00
Unavailable
20
WASHER, SPRING
92995-06100-00
Unavailable
21
WASHER, PLAIN (646)
92990-06600-00
Unavailable
22
NUT(650)
95380-06700-00
Unavailable
23
NEUTRAL SWITCH ASSY
4GY-82540-10-00
Unavailable
24
GASKET (5R6)
90430-10171-00
Unavailable
25
STOP SWITCH ASSEMBLY (1E9-82530-00-00)
1E9-82530-02-00
Unavailable
26
MAIN SWITCH STEERING LOCK
3JV-82501-00-00
Unavailable
27
BOLT, HEXAGON DEEP RECESS
97D95-06016-00
Unavailable
28
WASHER, PLAIN (646)
92990-06600-00
Unavailable
29
WIRE HARNESS ASSEMBLY
22R-82590-50-00
Unavailable
30
FUSE
1A0-82151-00-00
Unavailable
31
FUSE
1A0-82161-00-00
Unavailable
32
YBS83-525 SCREW,PANH.TAPPING
97780-50125-00
Unavailable
33
WASHER
(4K0-82558-00-00)
Unavailable
34
DAMPER
4K0-82157-00-00
Unavailable
35
COLLAR(55K)
90387-066M1-00
Unavailable
36
BAND, SWITCH CORD
437-83936-11-00
Unavailable
37
BAND, SWITCH CORD
25G-83936-01-00
Unavailable
38
OIL LEVEL GAUGE ASSY
4H7-85720-02-00
Unavailable
39
BOLT, HEXAGON
97017-06020-00
Unavailable
40
WASHER, SPRING
92995-06100-00
Unavailable
41
WASHER, PLAIN (646)
92990-06600-00
Unavailable
42
SWITCH, SIDE STAND
5G2-82566-01-00
Unavailable
43
SCREW, FLAT
98707-05016-00
Unavailable
44
BAND
341-26397-01-00
Unavailable
