- Partiron
- OEM Parts
- Yamaha
- motorcycle
- 1983
- XJ750K (XJ750) 1983
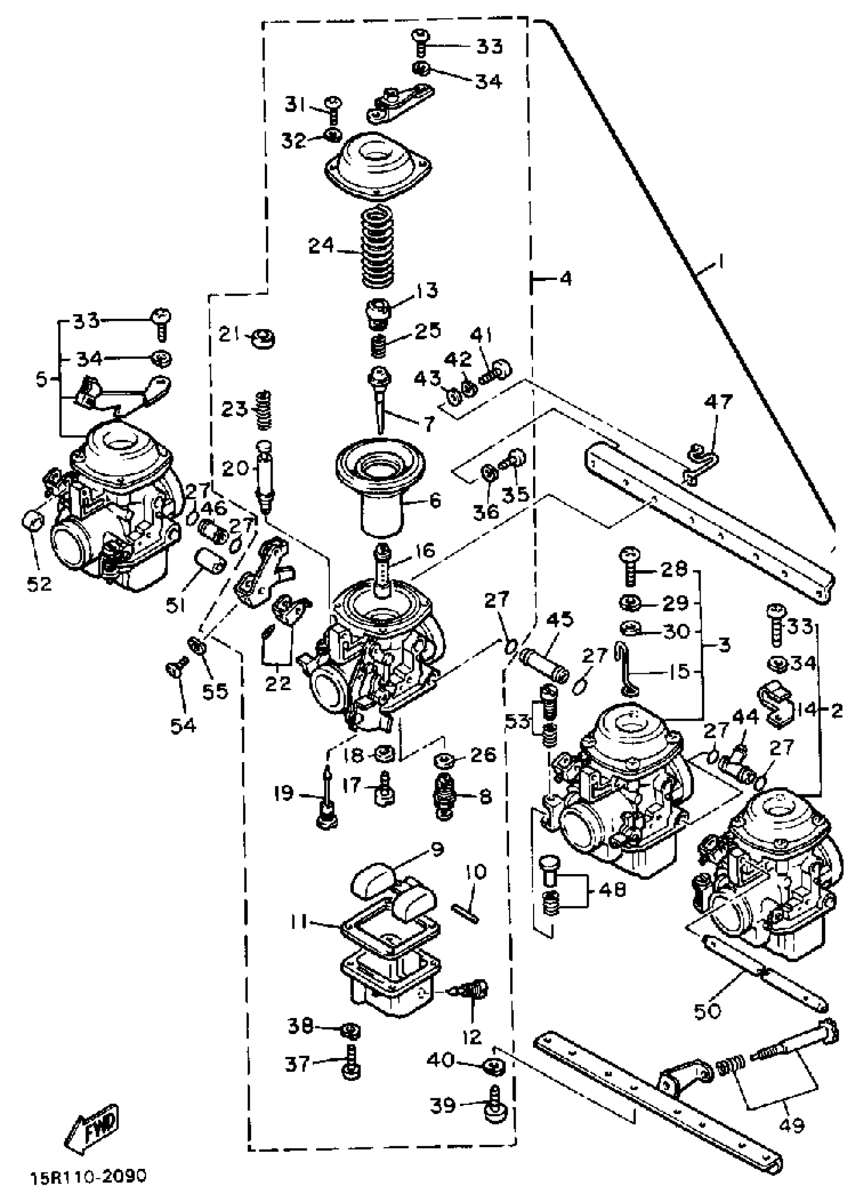
CARBURETOR
Yamaha XJ750K (XJ750) 1983 CARBURETOR Diagram
#
1
UNAVAILABLE IN PRICE BOOK
[5G-21490-00-10
Unavailable
2
. CARBURETOR ASSEMBLY 1 (15R-14901-00)
5G2-14901-01-00
Unavailable
3
CARBURETOR ASSEMBLY 2
(5G2-14902-01-00)
Unavailable
4
. CARBURETOR ASSEMBLY 3 (15R-14903-00)
5G2-14903-01-00
Unavailable
5
. CARBURETOR ASSEMBLY 4 (15R-14904-00)
5G2-14904-01-00
Unavailable
6
.. DIAPHRAGM ASSEMBLY
4H7-14940-00-00
Unavailable
7
.. JET, NEEDLE
4H7-14917-13-00
Unavailable
8
.. NEEDLE VALVE ASSY
10L-14390-02-00
Unavailable
9
.. FLOAT
4H7-14985-00-00
Unavailable
10
.. PIN, FLOAT
4H7-14186-00-00
Unavailable
11
.. GASKET, FLOAT CHMBR (4H7-14984-00)
4H7-14984-01-00
Unavailable
12
.. PLUG, DRAIN
4X7-14191-01-00
Unavailable
13
SEAT, SPRING
(4H7-14936-00-00)
Unavailable
14
CLIP
(4H7-14159-00-00)
Unavailable
15
.. CLIP, PIPE (4H7-14139-00)
4H7-14139-01-00
Unavailable
16
.. NOZZLE, MAIN
4H7-14921-32-00
Unavailable
17
.. JET, MAIN #120 (#120)
4X7-14925-20-00
Unavailable
18
.. WASHER, MAIN JET
4H7-14945-00-00
Unavailable
19
.. JET (#40)
4H7-14948-40-00
Unavailable
20
.. PLUNGER, STARTER
4H7-14171-00-00
Unavailable
21
.. COVER, PLUNGER CAP
4H7-14173-00-00
Unavailable
22
.. STARTER LEVER SET
5G2-W1495-00-00
Unavailable
23
. SPRING, PLUNGER
4H7-14135-00-00
Unavailable
24
. SPRING, DIAPHRAGM
4H7-14933-00-00
Unavailable
25
.. SPRING
4H7-14589-01-00
Unavailable
26
.. WASHER
4H7-14952-00-00
Unavailable
27
O-RING (686)
93210-07180-00
Unavailable
28
SCREW, PAN HEAD (E56)
98580-04010-00
Unavailable
29
YBS67-4 WASHER, SPRING
92990-04100-00
Unavailable
30
WASHER, PLAIN (646)
92990-04600-00
Unavailable
31
SCREW, PAN HEAD (713)
98580-04008-00
Unavailable
32
YBS67-4 WASHER, SPRING
92990-04100-00
Unavailable
33
SCREW, PAN HEAD (E56)
98580-04010-00
Unavailable
34
YBS67-4 WASHER, SPRING
92990-04100-00
Unavailable
35
SCREW, PAN HEAD(62X)
97885-05010-00
Unavailable
36
YBS67-5 WASHER, SPRING
92990-05100-00
Unavailable
37
SCREW, PAN HEAD(6B0)
97885-05016-00
Unavailable
38
YBS67-5 WASHER, SPRING
92990-05100-00
Unavailable
39
SCREW, PAN HEAD(62J)
97885-06012-00
Unavailable
40
WASHER, SPRING
92995-06100-00
Unavailable
41
SCREW,PAN HEAD (646)
98580-05012-00
Unavailable
42
YBS67-5 WASHER, SPRING
92990-05100-00
Unavailable
43
WASHER, PLAIN (646)
92990-05600-00
Unavailable
44
PIPE, STARTER CON
(4H7-14988-00-00)
Unavailable
45
CONNECTOR
(4H7-14188-01-00)
Unavailable
46
. CONNECTOR
4H7-14189-01-00
Unavailable
47
. CLIP
4H7-14919-00-00
Unavailable
48
. THROTTLE ADJUST SCREW 2 SET 2
5G2-W1492-00-00
Unavailable
49
. THROTTLE ADJUST SCREW 3 SET 3
5G2-W1493-00-00
Unavailable
50
SHAFT, STARTER LVR
(5G2-14978-00-00)
Unavailable
51
BUSH
(4H7-14998-00-00)
Unavailable
52
. WASHER
4H7-14973-00-00
Unavailable
53
. THROTTLE ADJUST SCREW 1 SET 1
5G2-W1491-00-00
Unavailable
54
SCREW, PAN HEAD
98507-03016-00
Unavailable
55
WASHER, SPRING
92990-03100-00
Unavailable
