- Partiron
- OEM Parts
- Yamaha
- motorcycle
- 1982
- XJ750J (XJ750) 1982
SWING ARM REAR SHOCKS
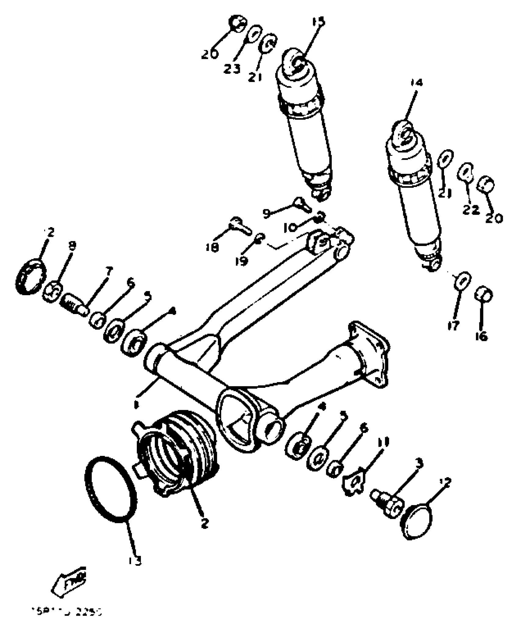
Yamaha XJ750J (XJ750) 1982 SWING ARM REAR SHOCKS Diagram
#
Description
Price
1
REAR ARM (4H7-22110-00-98)
16G-22110-00-98
Unavailable
2
BOOT, RUBBER
4H7-22189-00-00
Unavailable
7
SHAFT, PIVOT
15B-22141-00-00
Unavailable
9
BOLT
97017-08035-00
Unavailable
14
SHK/ABS ASSEMBLY, REAR
15R-22210-00-00
Unavailable
15
SHK/ABS ASSEMBLY, REAR
15R-22210-10-00
Unavailable
16
NUT, CROWN(3BM)
90176-10073-00
Unavailable
17
WASHER, PLATE(3BM)
90201-105R9-00
Unavailable
18
BOLT,DOME HEAD
90106-10052-00
Unavailable
19
YBS67-10 WASHER, SPRING
92990-10100-00
Unavailable
20
NUT, CROWN(3BM)
90176-10073-00
Unavailable
21
WASHER PLATE 341222430000
90201-10142-00
Unavailable
22
WASHER 1
4H7-22243-00-00
Unavailable
23
WASHER 2 (4H7-22244-00)
4W5-22244-00-00
Unavailable
