- Partiron
- OEM Parts
- Yamaha
- motorcycle
- 1982
- XJ750J (XJ750) 1982
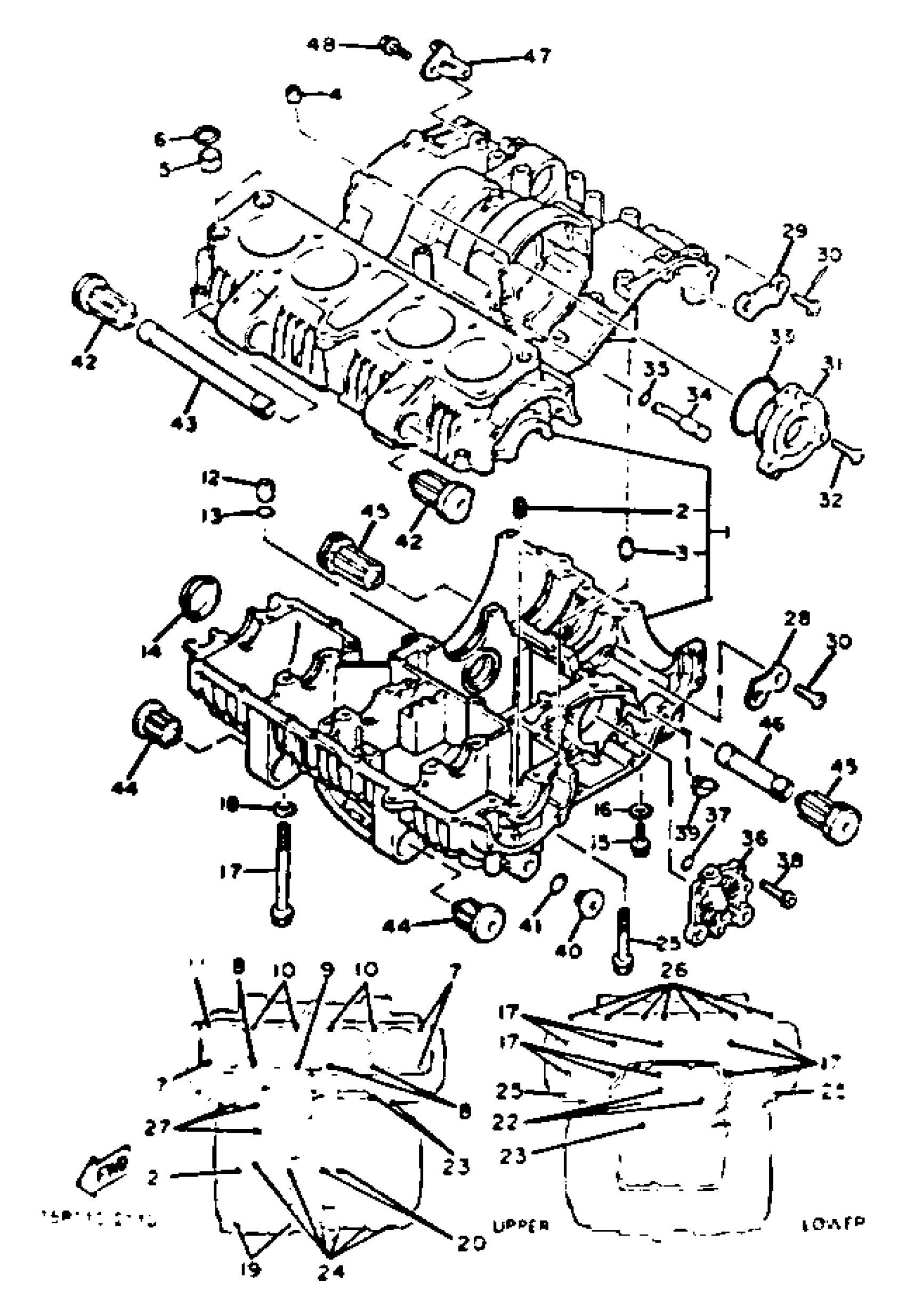
CRANKCASE
Yamaha XJ750J (XJ750) 1982 CRANKCASE Diagram
#
1
CRANKCASE ASSEMBLY
4H7-15100-03-00
Unavailable
7
BOLT, STUD (4H7)
90116-10330-00
Unavailable
10
BOLT, CYLINDER HOLDING 3
4H7-11363-00-00
Unavailable
11
BOLT, CYLINDER HOLDING 4
4H7-11364-00-00
Unavailable
16
WASHER, PLATE 3411117500
90201-08087-00
Unavailable
17
BOLT, FLANGE(4BD)
95817-08105-00
Unavailable
18
WASHER, PLATE (33N)
90201-094G1-00
Unavailable
19
BOLT, FLANGE
95814-08065-00
Unavailable
20
BOLT, FLANGE
95817-06135-00
Unavailable
21
BOLT, FLANGE
95817-06120-00
Unavailable
22
BOLT, FLANGE
95817-06080-00
Unavailable
23
BOLT, FLANGE
95817-06070-00
Unavailable
24
BOLT, FLANGE
95817-06060-00
Unavailable
25
BOLT, FLANGE
95817-06055-00
Unavailable
26
BOLT, FLANGE
95814-08045-00
Unavailable
27
BOLT, FLANGE
95817-06035-00
Unavailable
28
PLATE, BRNG COVER
(31A-15381-00-00)
Unavailable
29
PLATE, BEARING COVER 2
31A-15383-00-00
Unavailable
30
SCREW
90149-08013-00
Unavailable
31
HOUSING, BEARING 1
4H7-15163-01-00
Unavailable
32
SCREW, COUNTERSUNK (4H7)
90151-06014-00
Unavailable
33
O-RING
93210-62439-00
Unavailable
34
NOZZLE
4H7-13454-00-00
Unavailable
35
O-RING (11M)
93210-07540-00
Unavailable
36
UNAVAILABLE IN PRICE BOOK
[5G-21516-40-00
Unavailable
37
O-RING
93210-07438-00
Unavailable
38
BOLT,SOCKET HEAD
91314-06020-00
Unavailable
39
GROMMET
4H7-15365-00-00
Unavailable
40
PLUG
4H7-15189-00-00
Unavailable
41
O-RING
93210-21001-00
Unavailable
42
DAMPER, ENGINE MOUNT 3
36Y-15336-02-00
Unavailable
43
SPACER, ENG MOUNT (4W5-15317-00)
4H7-15317-00-00
Unavailable
44
DAMPER, ENG MOUNT 1
4H7-15316-00-00
Unavailable
45
UNAVAILABLE IN PRICE BOOK (2H7-15326-01)
3Y6-15326-00-00
Unavailable
46
SPACER, ENG MOUNT (4W5-15327-00)
4H7-15327-00-00
Unavailable
47
HOLDER, CLUTCH CABLE
4H7-15441-01-00
Unavailable
48
BOLT,SOCKET HEAD
91314-06012-00
Unavailable
