- Partiron
- OEM Parts
- Yamaha
- motorcycle
- 1986
- XJ700XSC (MAXIM X CA) 1986
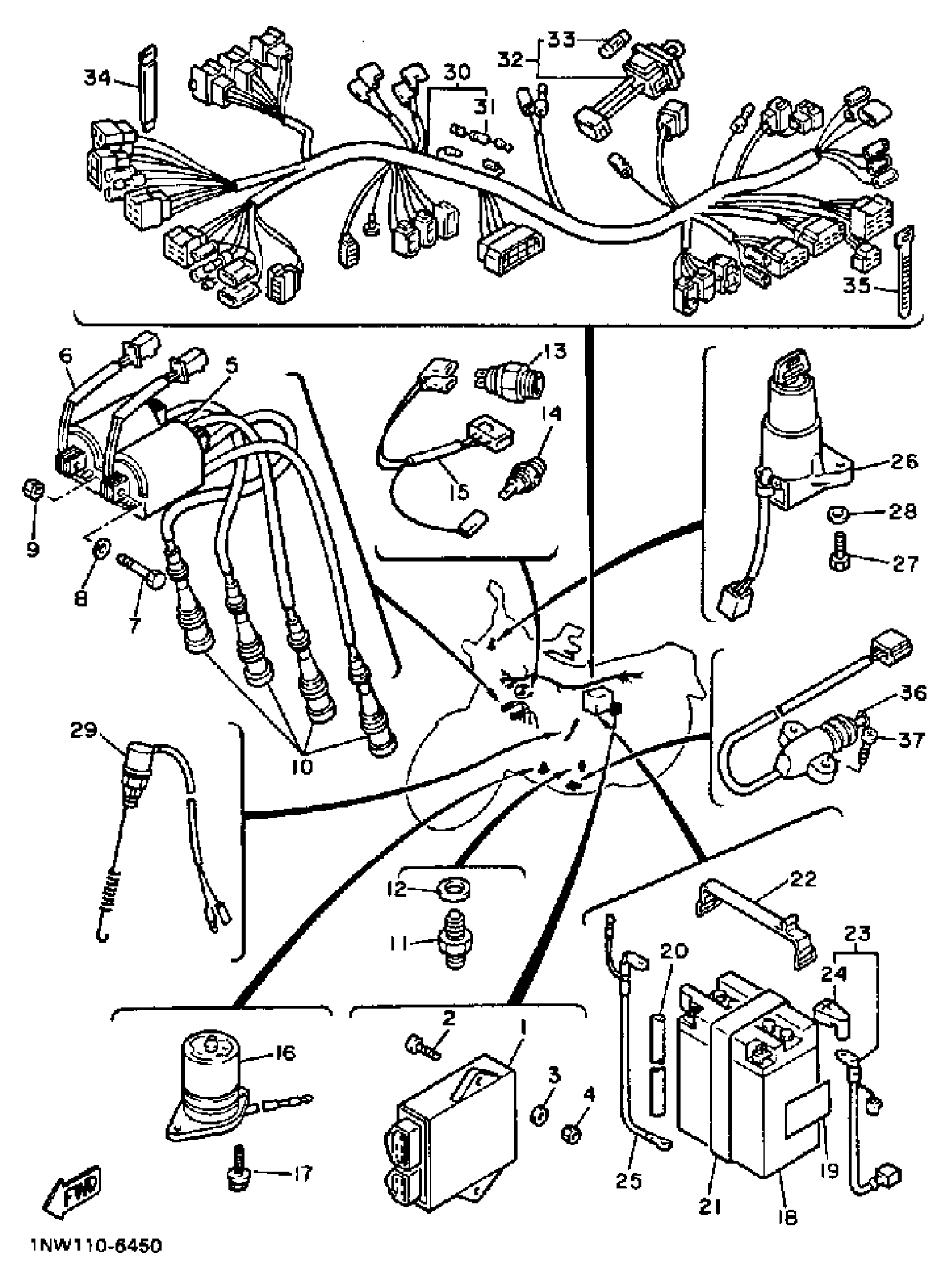
ELECTRICAL 2
Yamaha XJ700XSC (MAXIM X CA) 1986 ELECTRICAL 2 Diagram
#
1
IGNITOR UNIT ASSEMBLY 1
1AA-82305-10-00
Unavailable
2
UNAVAILABLE IN PRICE BOOK
92052-06016-00
Unavailable
5
IGNITION COIL ASSY
1AA-82310-09-00
Unavailable
6
IGNITION COIL ASSY
1AA-82310-09-00
Unavailable
7
BOLT
97006-06080-00
Unavailable
13
THERMO SWITCH ASSY
3LN-82560-01-00
Unavailable
15
WIRE, SUB LEAD
(1AA-82509-00-00)
Unavailable
16
UNAVAILABLE IN PRICE BOOK
OIL-LEVEL-GA-UG
Unavailable
17
BOLT, WASHER BASED(JA9)
90105-06696-00
Unavailable
18
YB14LA2 YUASA BATTERY
YB1-4LA20-00-00
Unavailable
19
LABEL, BATTERY
40A-82141-G0-00
Unavailable
20
HOSE (L1500)
90445-084J0-00
Unavailable
21
BAND, BATTERY
1UA-82124-00-00
Unavailable
22
BAND, BATTERY
4J2-82131-01-00
Unavailable
23
WIRE, PLUS LEAD
1TX-82115-00-00
Unavailable
24
. COVER, LEAD WIRE
4X7-82119-00-00
Unavailable
25
WIRE, MINUS LEAD
1AA-82116-00-00
Unavailable
26
MAIN SWITCH STEERING LOCK
42X-82501-50-00
Unavailable
27
BOLT, HEXAGON DEEP RECESS
97D95-06016-00
Unavailable
29
STOP SWITCH ASSY
5R2-82530-03-00
Unavailable
30
WIRE HARNESS ASSEMBLY
1MY-82590-00-00
Unavailable
31
RECTIFIER 2
3H5-81980-00-00
Unavailable
32
FUSE HOLDER ASSEMBLY
3H5-82150-00-00
Unavailable
33
FUSE (12V 30A)
2H7-82151-00-00
Unavailable
34
BAND
341-26397-01-00
Unavailable
35
BAND, SWITCH CORD
25G-83936-01-00
Unavailable
36
SWITCH,SIDE STAND
1AA-82566-01-00
Unavailable
37
SCREW, FLAT
98707-05016-00
Unavailable
