- Partiron
- OEM Parts
- Yamaha
- motorcycle
- 1986
- XJ700SC (MAXIM CA) 1986
ELECTRICAL 2
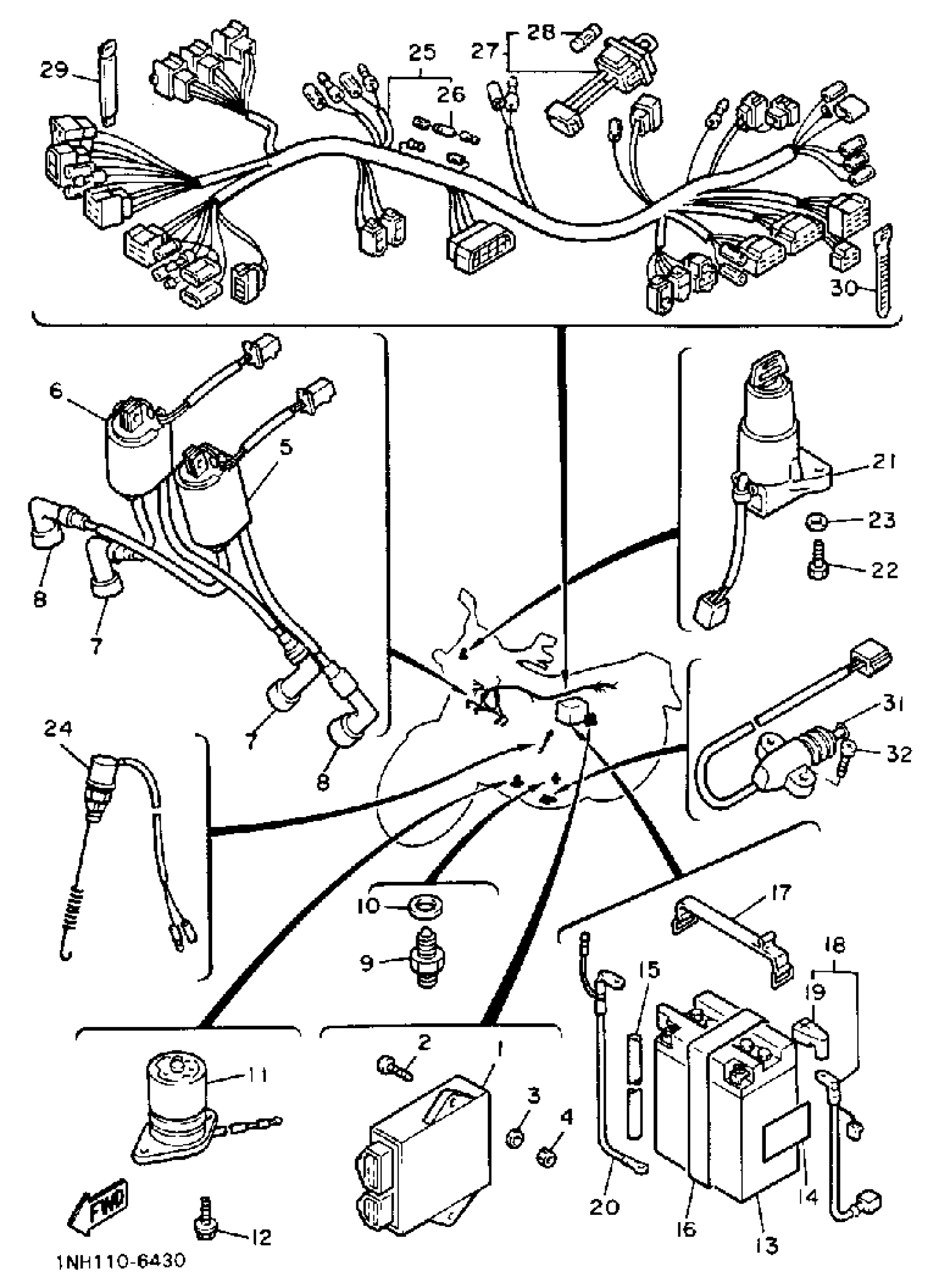
Yamaha XJ700SC (MAXIM CA) 1986 ELECTRICAL 2 Diagram
#
Description
Price
1
IGNITOR UNIT ASSEMBLY 1
1FG-82305-10-00
Unavailable
5
IGNITION COIL ASSY
1AA-82310-09-00
Unavailable
6
IGNITION COIL ASSY
1AA-82310-09-00
Unavailable
7
PLUG CAP ASSY
1J7-82370-00-00
Unavailable
11
OIL LEVEL GAUGE ASSY
4H7-85720-02-00
Unavailable
13
YB14LA2 YUASA BATTERY
YB1-4LA20-00-00
Unavailable
14
LABEL, BATTERY
40A-82141-G0-00
Unavailable
16
BAND, BATTERY
1UA-82124-00-00
Unavailable
17
BAND, BATTERY
4J2-82131-01-00
Unavailable
18
WIRE, PLUS LEAD
1TX-82115-00-00
Unavailable
19
. COVER, LEAD WIRE
4X7-82119-00-00
Unavailable
20
WIRE, MINUS LEAD
1AA-82116-00-00
Unavailable
21
MAIN SWITCH STEERING LOCK
42X-82501-50-00
Unavailable
22
BOLT, HEXAGON DEEP RECESS
97D95-06016-00
Unavailable
24
STOP SWITCH ASSY
5R2-82530-03-00
Unavailable
25
WIRE HARNESS ASSEMBLY
1NH-82590-00-00
Unavailable
26
RECTIFIER 2
3H5-81980-00-00
Unavailable
27
FUSE HOLDER ASSEMBLY
3H5-82150-00-00
Unavailable
28
FUSE (12V 30A)
2H7-82151-00-00
Unavailable
29
BAND
341-26397-01-00
Unavailable
30
BAND, SWITCH CORD
25G-83936-01-00
Unavailable
31
SWITCH,SIDE STAND
1AA-82566-01-00
Unavailable
32
SCREW, FLAT
98707-05016-00
Unavailable
