- Partiron
- OEM Parts
- Yamaha
- motorcycle
- 1983
- XJ650LK (XJ650L) 1983
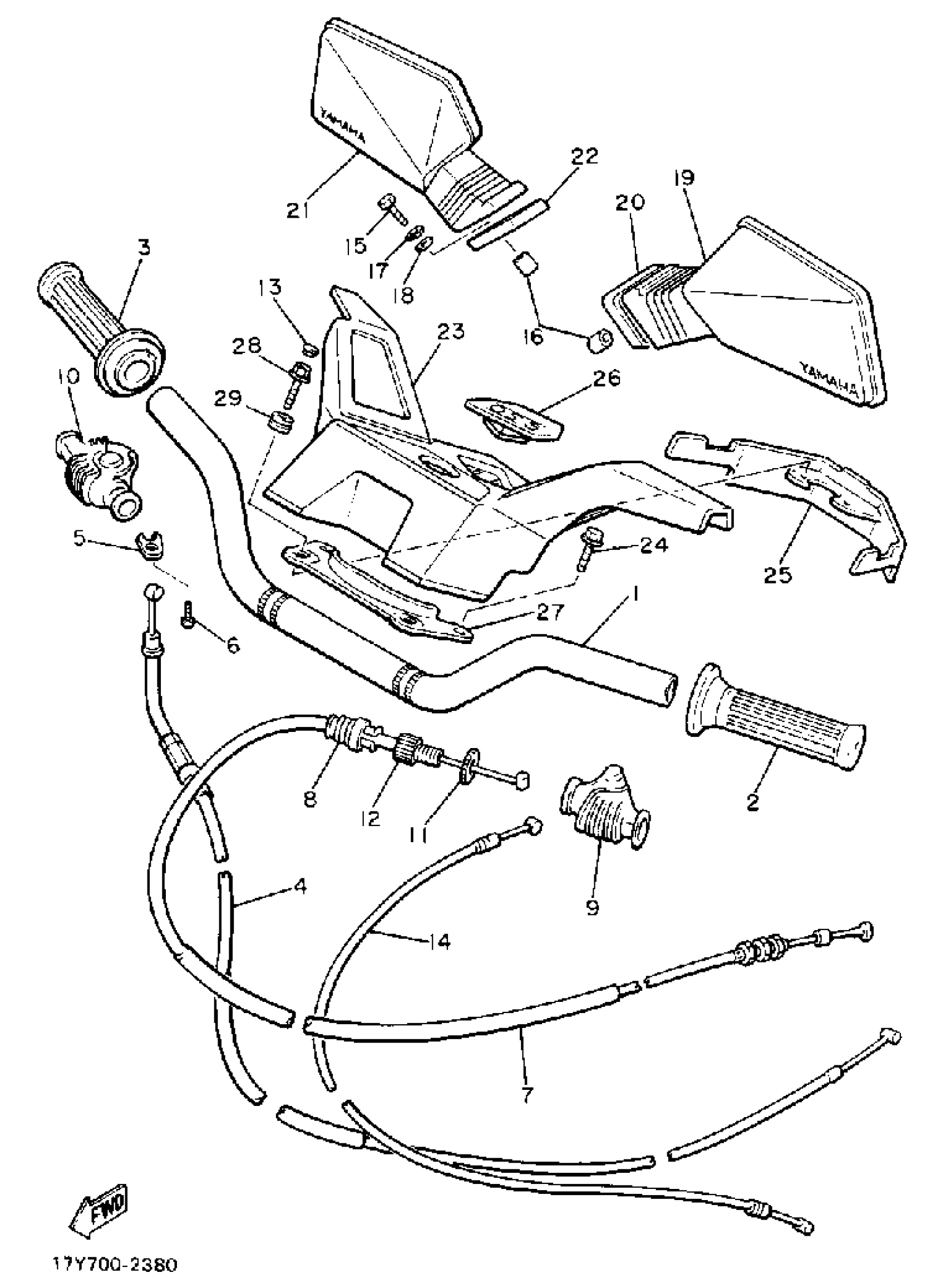
HANDLEBAR CABLE
Yamaha XJ650LK (XJ650L) 1983 HANDLEBAR CABLE Diagram
#
Description
Price
1
HANDLEBAR
16G-26111-00-00
Unavailable
2
GRIP LH (L.H)
5G2-26241-00-00
Unavailable
3
GRIP ASSEMBLY
5G2-26240-00-00
Unavailable
4
CABLE, THROTTLE 1
16G-26311-00-00
Unavailable
9
COVER, HANDLE LEVER
11H-26372-00-00
Unavailable
14
CABLE, STARTER 1
16G-26331-00-00
Unavailable
16
COLLAR
90387-06113-00
Unavailable
17
WASHER, SPRING
92995-06100-00
Unavailable
18
YBS66-6 WASHER, PLAIN
92990-06200-00
Unavailable
19
BACK MIRROR ASS''Y
16G-26290-10-00
Unavailable
20
BOOT 1
16G-2629T-01-00
Unavailable
21
BACK MIRROR ASS''Y
16G-26290-00-00
Unavailable
22
BOOT 2
16G-2629U-01-00
Unavailable
23
COVER, HDLBR UPR1UPPER 1
16G-26143-01-00
Unavailable
24
BOLT, WITH WASHER
90119-06226-00
Unavailable
25
COVER, HDLBR UPR 2UPPER 2
16G-26145-00-00
Unavailable
26
CAP, HANDLEBAR CVR (16G-26216-00)
16G-26216-01-00
Unavailable
27
BRACKET, HNDL CVR 1COVER 1
16G-26226-00-00
Unavailable
28
BOLT, FLANGE
95817-06012-00
Unavailable
29
GROMMET (583 SIDE COVER)
90480-01176-00
Unavailable
