- Partiron
- OEM Parts
- Yamaha
- motorcycle
- 1983
- XJ650LK (XJ650L) 1983
CARBURETOR
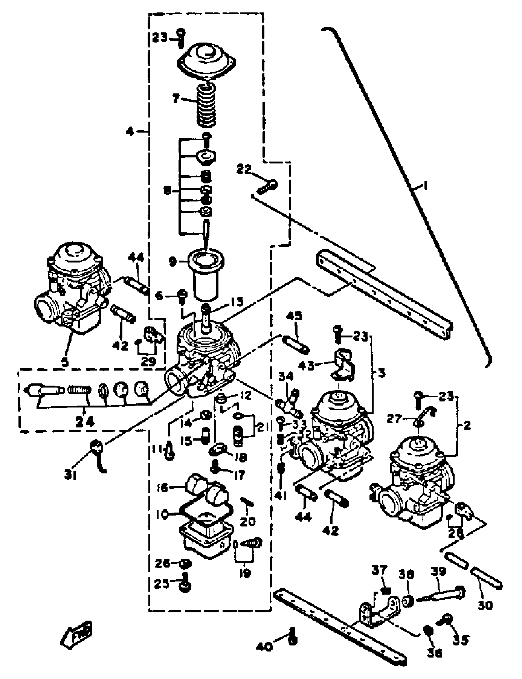
Yamaha XJ650LK (XJ650L) 1983 CARBURETOR Diagram
#
1
UNAVAILABLE IN PRICE BOOK
[16-G1490-00-10
Unavailable
2
. CARBURETOR ASSEMBLY 1
16G-14901-01-00
Unavailable
3
CARBURETOR ASSEMBLY 2
(16G-14902-01-00)
Unavailable
4
. CARBURETOR ASSEMBLY 3
16G-14903-01-00
Unavailable
5
. CARBURETOR ASSEMBLY 4
16G-14904-01-00
Unavailable
7
.. SPRING, DIAPHRAGM
2A2-14933-00-00
Unavailable
8
.. NEEDLE SET
16G-W1418-00-00
Unavailable
9
.. DIAPHRAGM ASSEMBLY
16G-14940-00-00
Unavailable
10
.. O-RING
16G-14147-00-00
Unavailable
13
.. NOZZLE, MAIN
16H-14941-36-00
Unavailable
16
FLOAT
4G0-14985-00-00
Unavailable
17
SCREW, PAN HEAD(3XP)
98517-04006-00
Unavailable
18
. PLATE
2H0-14146-00-00
Unavailable
19
.. PLUG SCREW SET
2L1-W1413-00-00
Unavailable
20
PIN, FLOAT
537-14186-00-00
Unavailable
21
.. VALVE SEAT SET
16G-W1496-00-00
Unavailable
22
SCREW, PAN HEAD(62X)
97885-05010-00
Unavailable
23
SCREW, PAN HEAD(62X)
97885-05010-00
Unavailable
24
STARTER PLNGR SET
(16G-W1414-00-00)
Unavailable
25
SCREW, PAN HEAD(6B0)
97885-05016-00
Unavailable
26
YBS67-5 WASHER, SPRING
92990-05100-00
Unavailable
27
CLIP, PIPE
(11T-14139-00-00)
Unavailable
28
. STARTER LEVER SET
16G-W1495-00-00
Unavailable
29
STARTER LEVER SET
(16G-W1495-10-00)
Unavailable
30
SHAFT, STARTER LVR
(16G-14977-00-00)
Unavailable
31
. CABLE
49A-14130-00-00
Unavailable
32
. SPRING, THROTTLE STOP
3F7-14133-00-00
Unavailable
33
STOP SCREW SET
(31A-1490K-00-00)
Unavailable
34
PIPE, STARTER CON
(16G-14988-00-00)
Unavailable
35
SCREW, PAN HEAD(62X)
97885-05010-00
Unavailable
36
YBS67-5 WASHER, SPRING
92990-05100-00
Unavailable
37
. SPRING, THROTTLE STOP
143-14133-00-00
Unavailable
38
. BUSH
4G0-14998-00-00
Unavailable
39
. THROTTLE SCREW SET
31A-14103-00-00
Unavailable
40
SCREW, PAN
98507-06014-00
Unavailable
41
. SPRING, AIR ADJUSTING
137-14134-00-00
Unavailable
42
PIPE, STARTER CON
16H-14988-00-00
Unavailable
43
. CLIP, PIPE
16G-14139-00-00
Unavailable
44
. NIPPLE
16G-14251-00-00
Unavailable
45
. NIPPLE
16H-14251-00-00
Unavailable
