- Partiron
- OEM Parts
- Yamaha
- motorcycle
- 1983
- XJ650K (XJ650) 1983
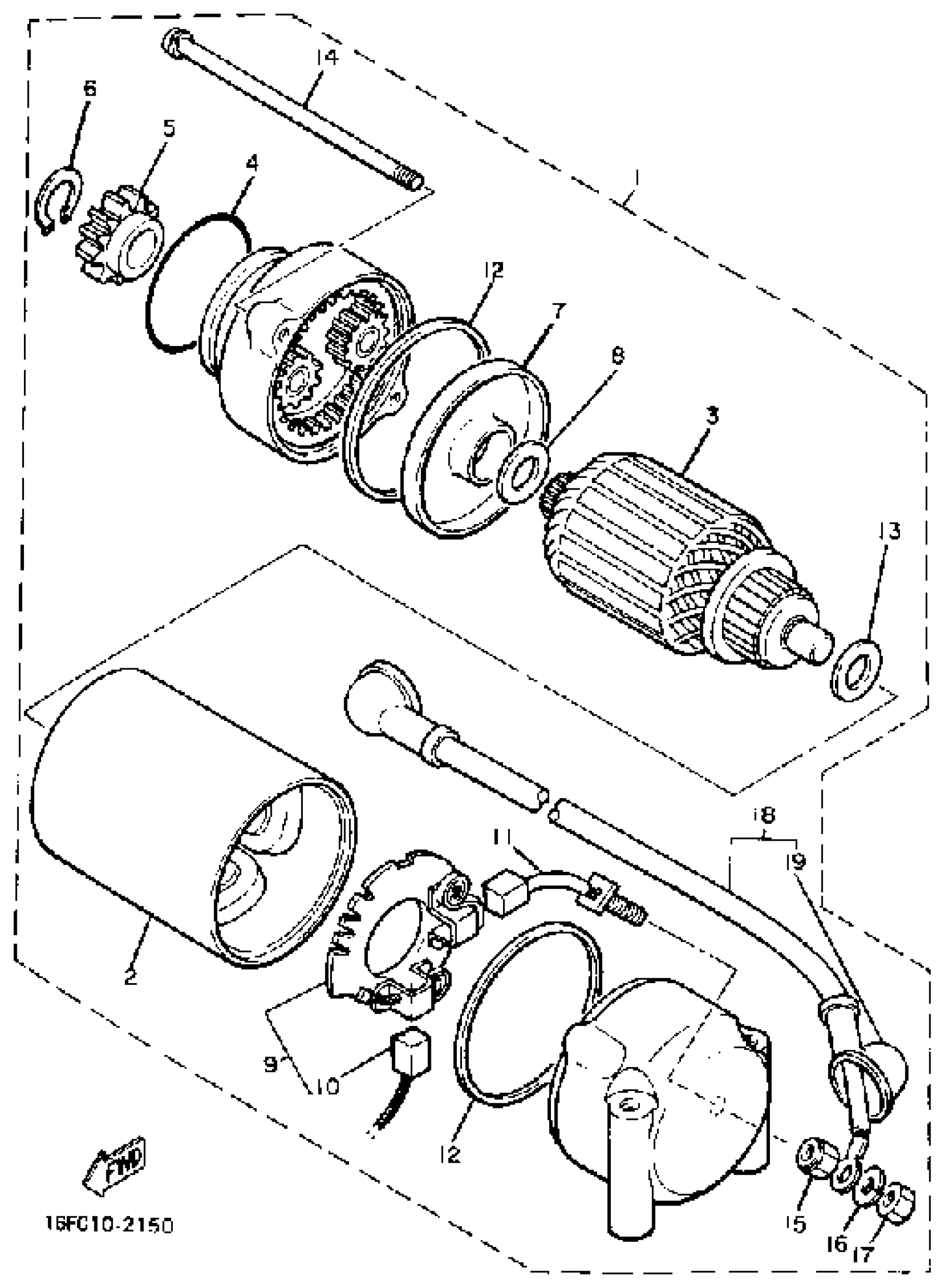
STARTING MOTOR
Yamaha XJ650K (XJ650) 1983 STARTING MOTOR Diagram
#
Description
Price
2
. STATOR ASSEMBLY
4H7-81810-01-00
Unavailable
4
O-RING
4H7-81847-01-00
Unavailable
5
. GEAR, STARTING MOTOR
4H7-15511-01-00
Unavailable
6
. CIRCLIP
4H7-81819-00-00
Unavailable
7
PLATE
(4H7-81845-00-00)
Unavailable
12
O-RING
4H7-81844-00-00
Unavailable
13
WASHER 2
(4H7-81824-00-00)
Unavailable
14
BOLT
4H7-81826-01-00
Unavailable
15
NUT
4H7-81872-00-00
Unavailable
16
WASHER, SPRING
92995-06100-00
Unavailable
17
NUT, HEXAGON
95380-06600-00
Unavailable
18
. WIRE, STARTER
4H7-81815-00-00
Unavailable
19
CAP
(4H7-81871-00-00)
Unavailable
