- Partiron
- OEM Parts
- Yamaha
- motorcycle
- 1983
- XJ650K (XJ650) 1983
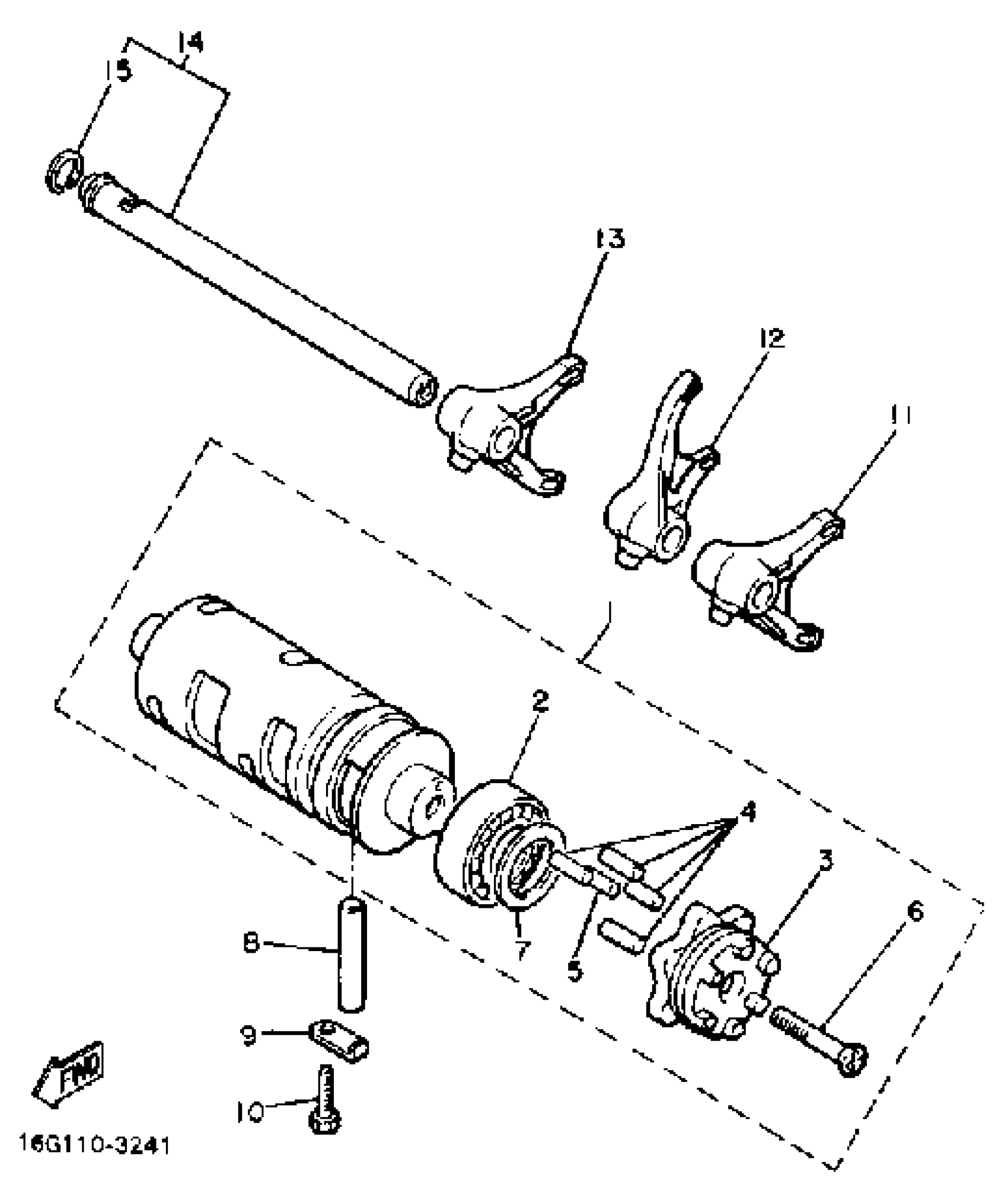
SHIFT CAM FORK
Yamaha XJ650K (XJ650) 1983 SHIFT CAM FORK Diagram
#
Description
Price
1
SHIFT CAM ASSEMBLY
16G-18540-00-00
Unavailable
3
. SEGMENT
16G-18185-00-00
Unavailable
8
UNAVAILABLE IN PRICE BOOK
93609-43157-00
Unavailable
9
PLATE, STOPPER
2H7-15531-00-00
Unavailable
11
FORK, SHIFT 1
4KM-18511-00-00
Unavailable
13
FORK, SHIFT 3
4KM-18513-00-00
Unavailable
14
BAR, SHIFT FORK GUIDE 1
4KM-18531-00-00
Unavailable
