- Partiron
- OEM Parts
- Yamaha
- motorcycle
- 1981
- XJ650H (XJ650) 1981
STAND FOOTREST
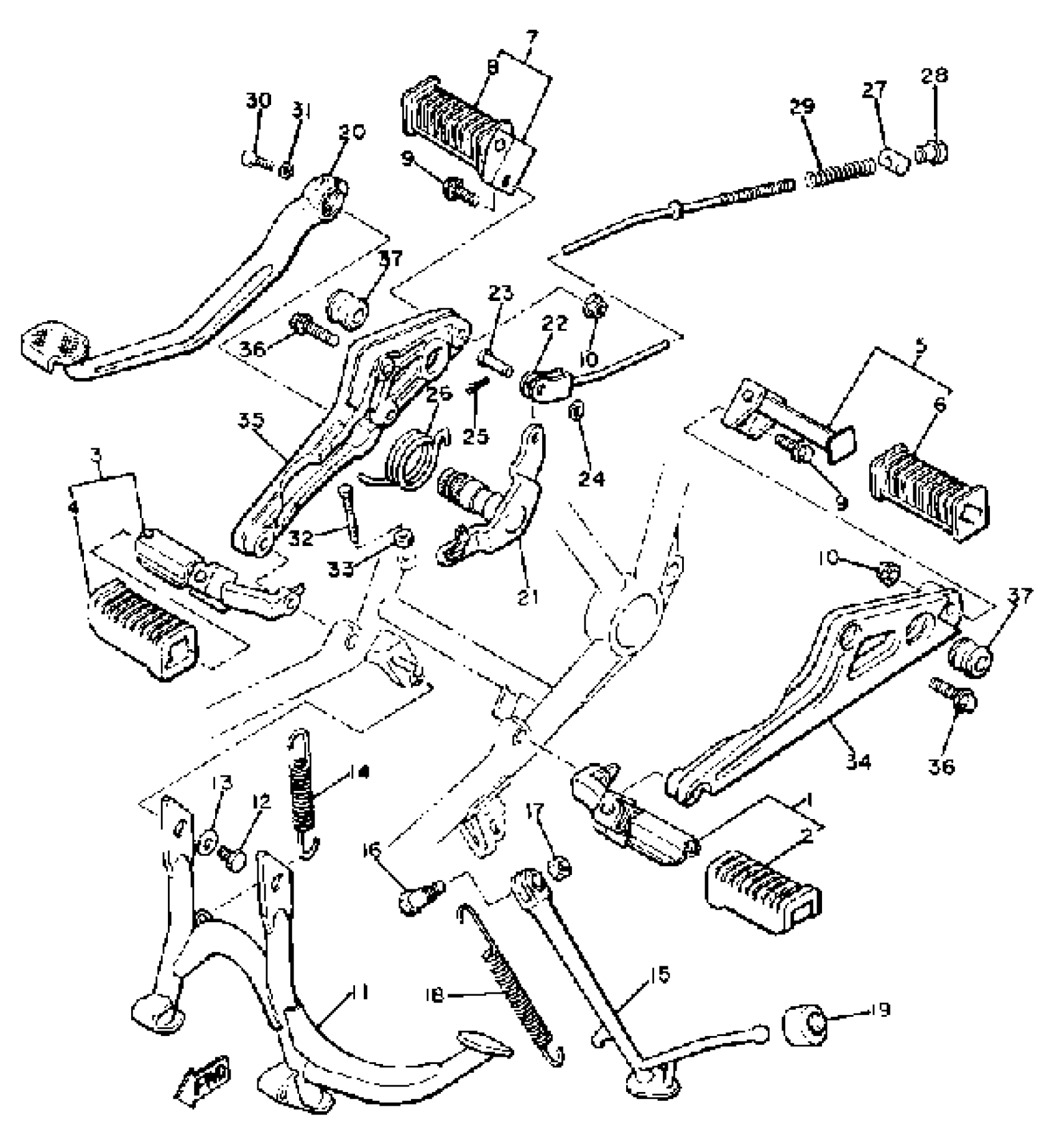
Yamaha XJ650H (XJ650) 1981 STAND FOOTREST Diagram
#
1
FRT FOOTREST ASSEMBLY L
4W5-27410-00-00
Unavailable
3
FRT FOOTREST ASY R
4W5-27420-00-00
Unavailable
5
RR FOOTREST ASSEMBLY 1
4H7-27430-00-00
Unavailable
6
. COVER, RR FOOTREST
1J7-27433-00-00
Unavailable
7
RR FOOTREST ASSEMBLY 2
4H7-27440-00-00
Unavailable
8
. COVER, RR FOOTREST
1J7-27444-00-00
Unavailable
11
STAND, MAIN
4H7-27111-00-R4
Unavailable
12
BOLT,HEXAGON
97017-10016-00
Unavailable
15
STAND, SIDE
(4H7-27311-01-R4)
Unavailable
16
BOLT
90109-10473-00
Unavailable
17
NUT (682)
95380-10700-00
Unavailable
18
SPRING, TENSION (1J7)
90506-28146-00
Unavailable
19
STOPPER, MAIN STAND
1A0-27114-00-00
Unavailable
20
PEDAL, BRAKE
4H7-27211-00-00
Unavailable
21
SHAFT, BRAKE PEDAL
4H7-27212-00-00
Unavailable
22
ROD, BRAKE
4H7-27231-00-00
Unavailable
23
PIN, CLEVIS (24X)
90240-06103-00
Unavailable
24
YBS66-6 WASHER, PLAIN
92990-06200-00
Unavailable
25
PIN, COTTER
91490-20025-00
Unavailable
26
SPRING, (180-27236-00)
90501-10245-00
Unavailable
27
PIN 1562723700
90249-12008-00
Unavailable
28
NUT (25K)
90179-06411-00
Unavailable
29
SPRING, TORSION
90508-45446-00
Unavailable
30
BOLT (1J7)
90109-06468-00
Unavailable
31
WASHER, SPRING
92995-06100-00
Unavailable
32
SCREW, HEXAGON
90153-06009-00
Unavailable
33
NUT, HEXAGON (371 447)
90170-06184-00
Unavailable
34
BRACKET 2
4H7-27442-00-00
Unavailable
35
BRACKET 3
4H7-27443-00-00
Unavailable
36
BOLT, FLANGE
95817-10030-00
Unavailable
37
DAMPER, FOOTREST
3H3-27414-00-00
Unavailable
