- Partiron
- OEM Parts
- Yamaha
- motorcycle
- 1981
- XJ650H (XJ650) 1981
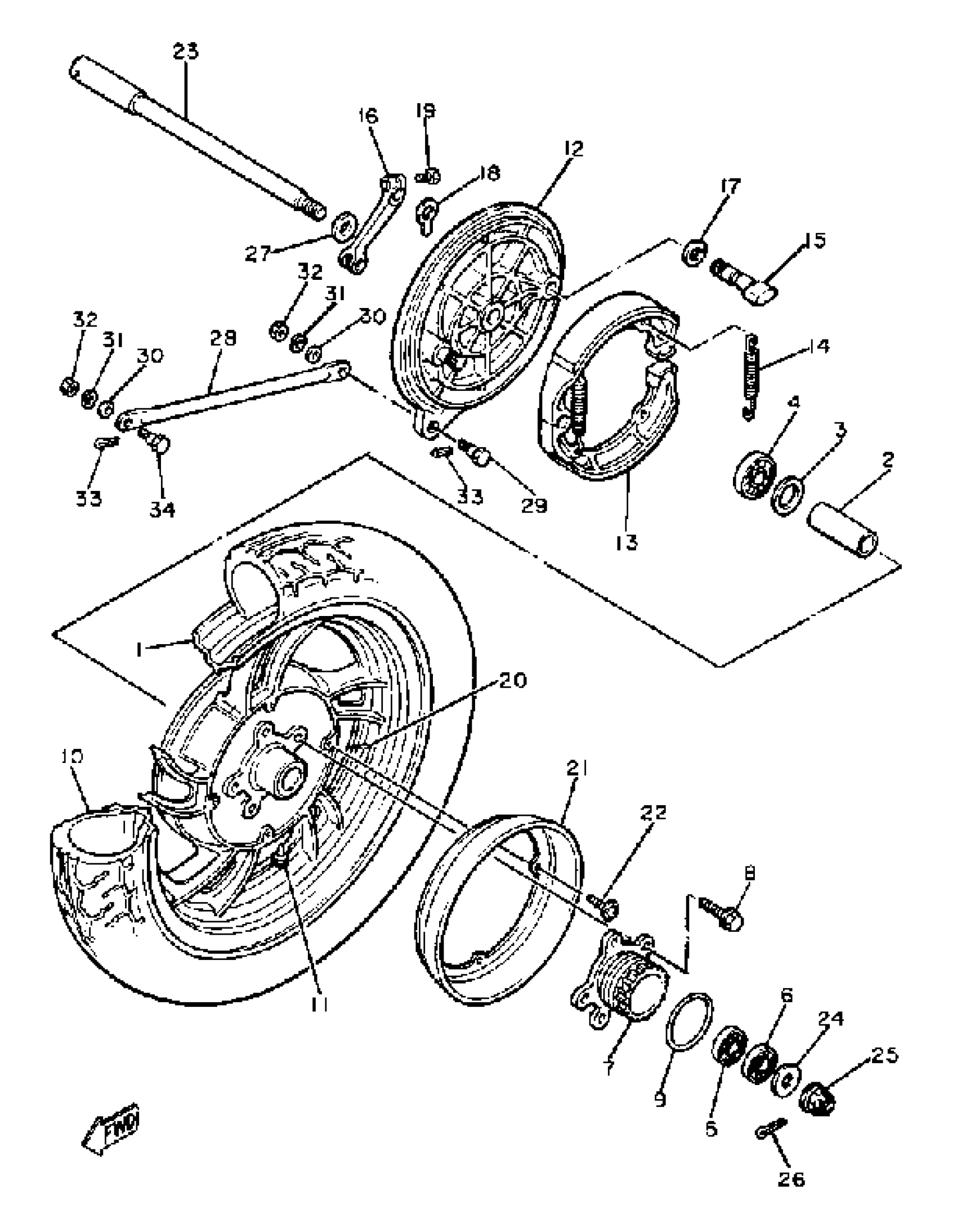
REAR WHEEL
Yamaha XJ650H (XJ650) 1981 REAR WHEEL Diagram
#
1
WHEEL, CAST REAR
(4H7-25338-29-98)
Unavailable
2
SPACER
90560-17125-00
Unavailable
7
CLUTCH, HUB
4H7-25366-01-00
Unavailable
8
BOLT (4W3)
90105-10186-00
Unavailable
10
130/90-16 G528 BS
94113-161J2-00
Unavailable
12
PLATE, BRAKE SHOE
4H7-25321-00-00
Unavailable
13
BRAKE SHOE KIT
3LT-W253E-00-00
Unavailable
15
CAMSHAFT
4H7-25351-00-00
Unavailable
16
LEVER, CAMSHAFT
371-25355-02-00
Unavailable
17
WASHER, PLATE (3X3)
90201-15797-00
Unavailable
18
PLATE, INDICATOR
4H7-2533A-02-00
Unavailable
19
BOLT, HEXAGON (462)
90101-06291-00
Unavailable
20
BALANCER, WHEEL
5MT-25398-00-00
Unavailable
20
BALANCER, WHEEL
5MT-25398-00-00
Unavailable
20
BALANCER, WHEEL
5MT-25398-00-00
Unavailable
21
COVER, PLATE
4H7-25327-00-00
Unavailable
22
SCREW, WITH WASHER (1T4/2F3)
90159-05018-00
Unavailable
23
AXLE, WHEEL
4H7-25381-00-00
Unavailable
24
WASHER, PLATE
90201-14022-00
Unavailable
25
NUT, CASTLE (4V7)
90171-14031-00
Unavailable
26
PIN, COTTER
91490-30030-00
Unavailable
27
COLLAR, WHEEL
4H7-25377-00-00
Unavailable
28
BAR, TENSION
3H0-25371-00-00
Unavailable
29
BOLT (537 TENSION BAR)
90109-08406-00
Unavailable
30
.. WASHER, PLATE
92990-08600-00
Unavailable
31
YBS67-8 WASHER, SPRING
92990-08100-00
Unavailable
32
. NUT
95380-08700-00
Unavailable
33
PIN, COTTER
91490-20025-00
Unavailable
34
BOLT (183-25378-00)
90109-08368-00
Unavailable
