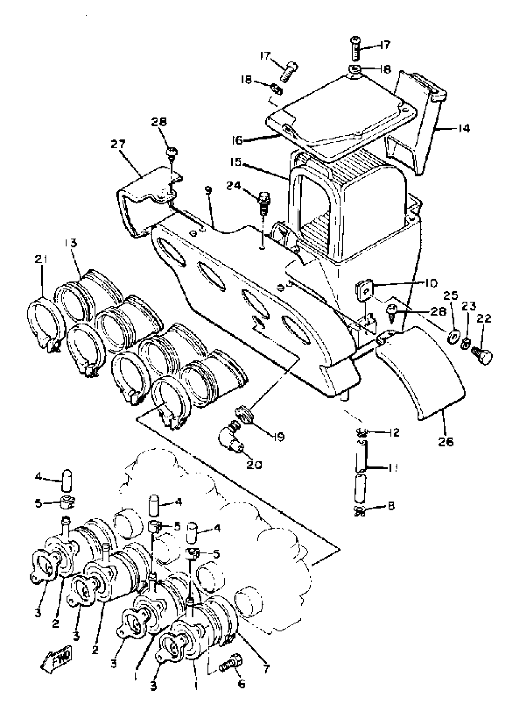
Yamaha XJ650H (XJ650) 1981 INTAKE Diagram
#
Description
Price
6
BOLT,SOCKET
91317-06020-00
Unavailable
9
AIR CLNR CASE ASSEMBLY
4H7-14401-00-00
Unavailable
10
PLATE, CLNR CS FTNG
4H7-14484-00-00
Unavailable
14
DUCT
4H7-14437-00-00
Unavailable
16
CAP, CLEANER CASE 1
4H7-14412-00-00
Unavailable
17
SCREW, PAN HEAD(62J)
97885-06012-00
Unavailable
18
WASHER, PLAIN (646)
92990-06600-00
Unavailable
19
GROMMET (4H7)
90480-16278-00
Unavailable
20
PIPE
4H7-14419-00-00
Unavailable
21
HOSE CLAMP ASSY
90450-56001-00
Unavailable
22
BOLT, HEXAGON
97017-06020-00
Unavailable
23
WASHER, SPRING
92995-06100-00
Unavailable
24
BOLT, WITH WASHER (4L6)
90119-06029-00
Unavailable
25
WASHER, PLATE
90201-06380-00
Unavailable
26
COVER, CLNR CASE 1
4H7-1441A-00-00
Unavailable
27
COVER, CLNR CASE 2
4H7-1441E-00-00
Unavailable
28
SCREW, TAPPING(6U1)
97780-50610-00
Unavailable
