- Partiron
- OEM Parts
- Yamaha
- motorcycle
- 1980
- XJ650G (XJ650) 1980
CARBURETOR
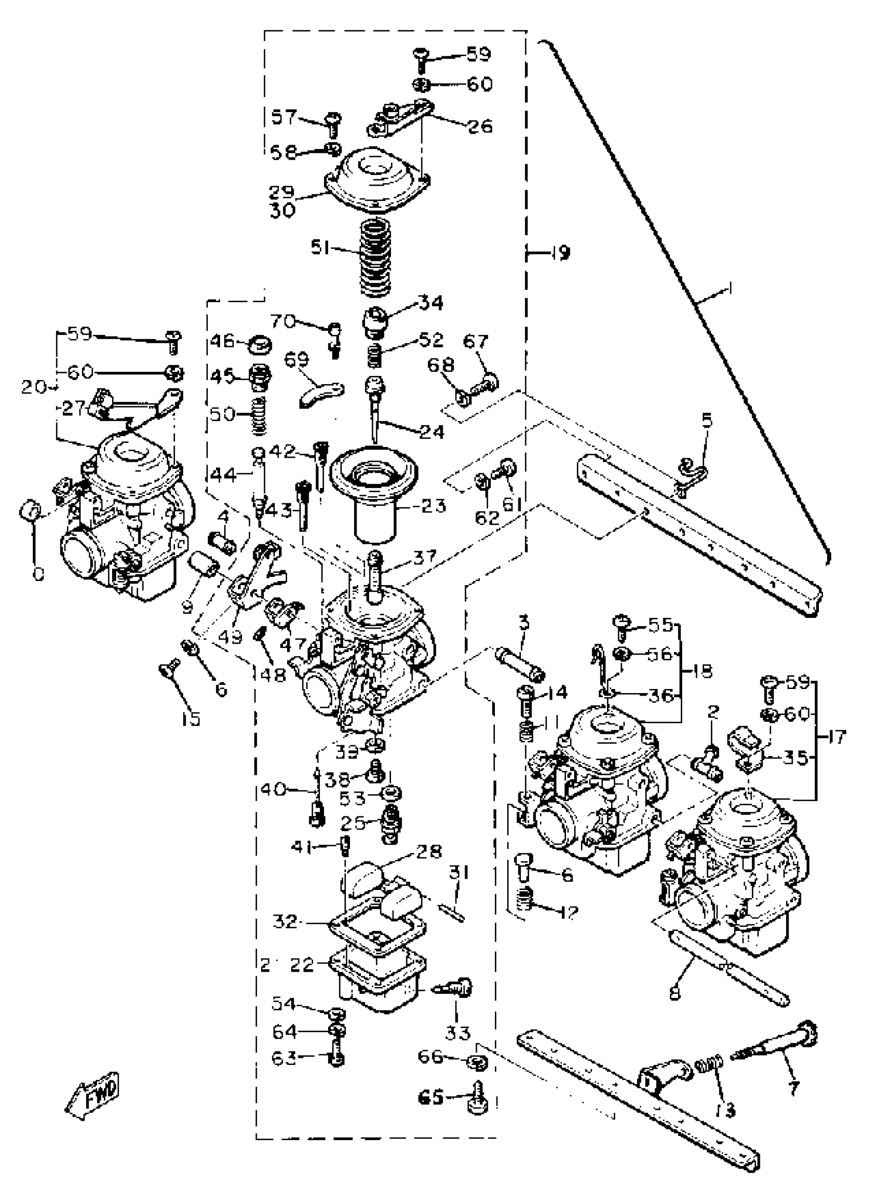
Yamaha XJ650G (XJ650) 1980 CARBURETOR Diagram
#
1
UNAVAILABLE IN PRICE BOOK
(4H7-14900-00-00)
Unavailable
2
PIPE, STARTER CON
(4H7-14988-00-00)
Unavailable
3
CONNECTOR
(4H7-14188-01-00)
Unavailable
4
. CONNECTOR
4H7-14189-01-00
Unavailable
5
. CLIP
4H7-14919-00-00
Unavailable
6
ROD
(4H7-14992-00-00)
Unavailable
7
SCREW, THROTTLE
(3J3-14122-00-00)
Unavailable
8
SHAFT, STARTER LVR
(5G2-14978-00-00)
Unavailable
9
BUSH
(4H7-14998-00-00)
Unavailable
10
. WASHER
4H7-14973-00-00
Unavailable
11
SPRING, THRTL STOP
(4H7-14133-00-00)
Unavailable
12
SPRING, THRTL STOP
(4H7-14934-00-00)
Unavailable
13
.. SPRING, THRTL STOP
3J3-14934-00-00
Unavailable
14
SCREW, THROTTLE
(4H7-14922-00-00)
Unavailable
15
SCREW, PAN HEAD
98507-03016-00
Unavailable
16
WASHER, SPRING
92990-03100-00
Unavailable
17
CARBURETOR ASSEMBLY 1
(4H7-14901-00-00)
Unavailable
18
CARBURETOR ASSEMBLY 2
(4H7-14902-00-00)
Unavailable
19
CARBURETOR ASSEMBLY 3
(4H7-14903-00-00)
Unavailable
20
CARBURETOR ASSEMBLY 4
(4H7-14904-00-00)
Unavailable
21
BODY, FLOAT CHAMBER
(4H7-14981-01-00)
Unavailable
22
.. HOLDER
4H7-14982-01-00
Unavailable
23
.. DIAPHRAGM ASSEMBLY
4H7-14940-00-00
Unavailable
24
.. JET, NEEDLE
4H7-14917-10-00
Unavailable
25
.. NEEDLE VALVE ASSY
10L-14390-02-00
Unavailable
26
BRACKET, THROTTLE 1
(4H7-14926-00-00)
Unavailable
27
BRACKET
(4H7-14995-00-00)
Unavailable
28
.. FLOAT
4H7-14985-00-00
Unavailable
29
.. COVER, DIAPHRAGM
4H7-14958-00-00
Unavailable
30
.. COVER, DIAPHRAGM
4H8-14958-00-00
Unavailable
31
.. PIN, FLOAT
4H7-14186-00-00
Unavailable
32
.. GASKET, FLOAT CHMBR (4H7-14984-00)
4H7-14984-01-00
Unavailable
33
.. PLUG, DRAIN
4X7-14191-01-00
Unavailable
34
SEAT, SPRING
(4H7-14936-00-00)
Unavailable
35
CLIP
(4H7-14159-00-00)
Unavailable
36
.. CLIP, PIPE (4H7-14139-00)
4H7-14139-01-00
Unavailable
37
.. NOZZLE, MAIN
4H7-14921-32-00
Unavailable
38
.. JET, MAIN #110
4H7-14925-10-00
Unavailable
39
.. WASHER, MAIN JET
4H7-14945-00-00
Unavailable
40
.. JET (#40)
4H7-14948-40-00
Unavailable
41
.. JET, STARTER
4H7-14961-40-00
Unavailable
42
.. JET, MAIN AIR
4H7-14928-10-00
Unavailable
43
.. JET, PILOT AIR
4H7-14949-39-00
Unavailable
44
.. PLUNGER, STARTER
4H7-14171-00-00
Unavailable
45
.. CAP, PLUNGER
4H7-14174-00-00
Unavailable
46
.. COVER, PLUNGER CAP
4H7-14173-00-00
Unavailable
47
LEVER, STARTER 1
(4H7-14975-00-00)
Unavailable
48
.. SCREW
4H7-14991-00-00
Unavailable
49
LEVER, STARTER 2
(4H7-14976-00-00)
Unavailable
50
. SPRING, PLUNGER
4H7-14135-00-00
Unavailable
51
. SPRING, DIAPHRAGM
4H7-14933-00-00
Unavailable
52
.. SPRING
4H7-14589-01-00
Unavailable
53
.. WASHER
4H7-14952-00-00
Unavailable
54
WASHER
(4H7-14955-00-00)
Unavailable
55
SCREW, PAN HEAD (E56)
98580-04010-00
Unavailable
56
YBS67-4 WASHER, SPRING
92990-04100-00
Unavailable
57
SCREW, PAN HEAD (713)
98580-04008-00
Unavailable
58
SCREW, PAN HEAD (713)
98580-04008-00
Unavailable
59
YBS67-4 WASHER, SPRING
92990-04100-00
Unavailable
60
YBS67-4 WASHER, SPRING
92990-04100-00
Unavailable
60
SCREW, PAN HEAD (E56)
98580-04010-00
Unavailable
61
SCREW, PAN HEAD(62X)
97885-05010-00
Unavailable
62
YBS67-5 WASHER, SPRING
92990-05100-00
Unavailable
63
SCREW, PAN HEAD(6B0)
97885-05016-00
Unavailable
64
YBS67-5 WASHER, SPRING
92990-05100-00
Unavailable
65
SCREW, PAN HEAD(62J)
97885-06012-00
Unavailable
66
WASHER, SPRING
92995-06100-00
Unavailable
67
SCREW,PAN HEAD (646)
98580-05012-00
Unavailable
68
YBS67-5 WASHER, SPRING
92990-05100-00
Unavailable
69
.. PLATE
4H7-14527-00-00
Unavailable
70
.. SCREW, PAN HEAD
4H7-14325-00-00
Unavailable
