Partiron

Yamaha XJ600SHC (SECA II CA) 4DUE 1996 HEADLIGHT Diagram

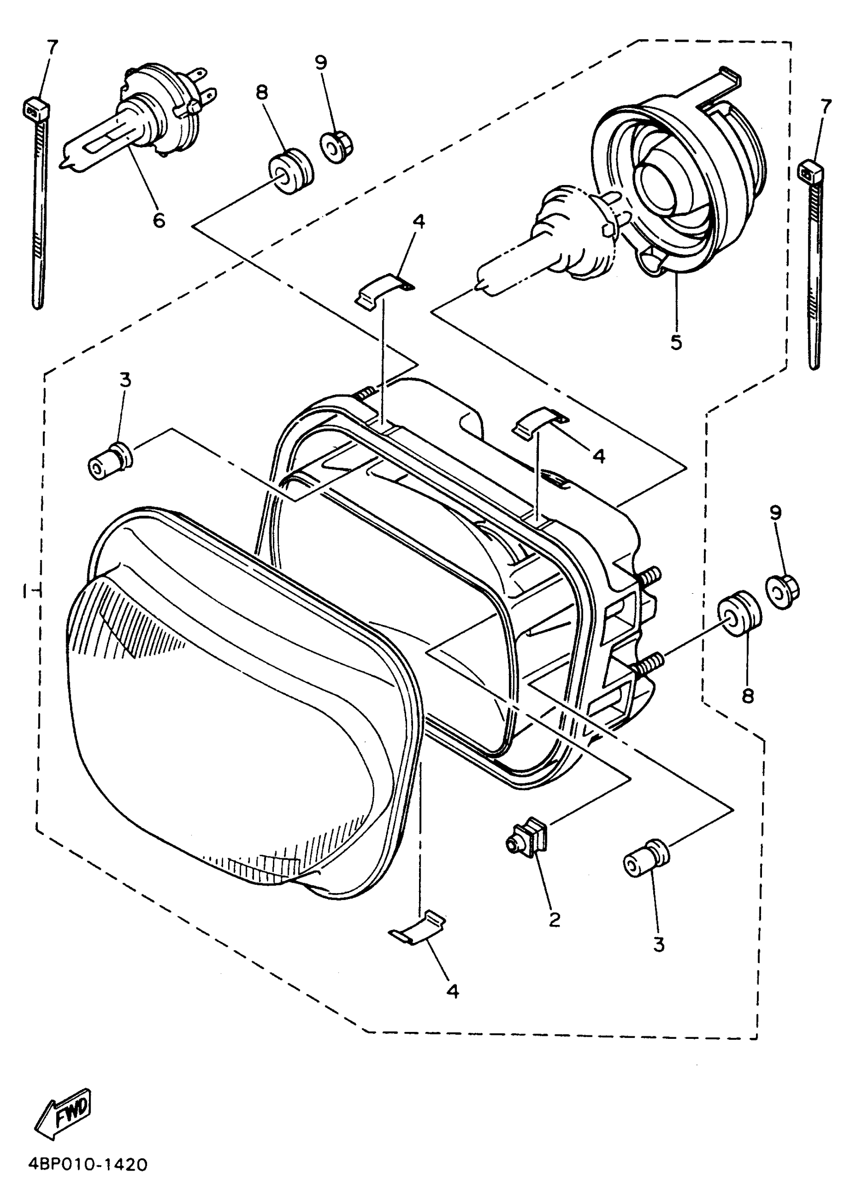
#

Description
Price

1

HEADLIGHT UNIT ASSEMBLY

4BP-84303-00-00

Unavailable

2

HOLDER

3AJ-8431U-00-00

$9.99

3

. NUT, ADJUSTING

51L-84334-00-00

Unavailable

4

. PLATE, SPRING

3MA-8413H-00-00

Unavailable

5

COVER, SOCKET

36Y-84397-00-00

Unavailable

6

BULB, HEADLIGHT

8V0-84314-10-00

$69.99

7

BAND

80L-26397-00-00

$7.99

8

GROMET (3X3)

90480-14229-00

$8.49

9

NUT, FLANGE(JN5)

95707-08500-00

$3.13