- Partiron
- OEM Parts
- Yamaha
- motorcycle
- 1993
- XJ600SEC (SECA II CA) 1993
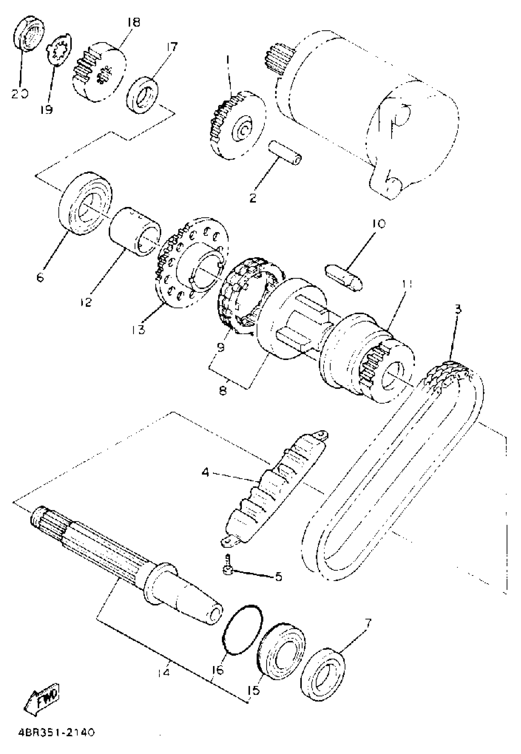
STARTER CLUTCH
Yamaha XJ600SEC (SECA II CA) 1993 STARTER CLUTCH Diagram
#
Description
Price
1
GEAR, IDLER 1
4BP-15512-00-00
Unavailable
2
SHAFT 1
33M-15521-00-00
Unavailable
3
CHAIN, PRIMARY
4BR-16139-00-00
Unavailable
4
GUIDE,UPPER
4BP-11474-00-00
Unavailable
5
BOLT, HEXAGON DEEP RECESS
97D95-06014-00
Unavailable
8
STARTER CLUTCH ASSY
4BR-15570-00-00
Unavailable
11
GEAR, DRIVEN
4BR-11537-00-00
Unavailable
12
COLLAR (4BP1)
90387-253Y6-00
Unavailable
13
GEAR, IDLER 2
4BP-15517-00-00
Unavailable
14
SHAFT ASSEMBLY
4G0-11406-00-00
Unavailable
16
O-RING (4G0)
93210-47440-00
Unavailable
17
COLLAR
90387-213Y5-00
Unavailable
18
GEAR, PRIMARY DRIVE (28T)
4U8-16111-00-00
Unavailable
19
WASHER, LOCK (4G0)
90215-19226-00
Unavailable
20
NUT
90179-16319-00
Unavailable
