- Partiron
- OEM Parts
- Yamaha
- motorcycle
- 1993
- XJ600SEC (SECA II CA) 1993
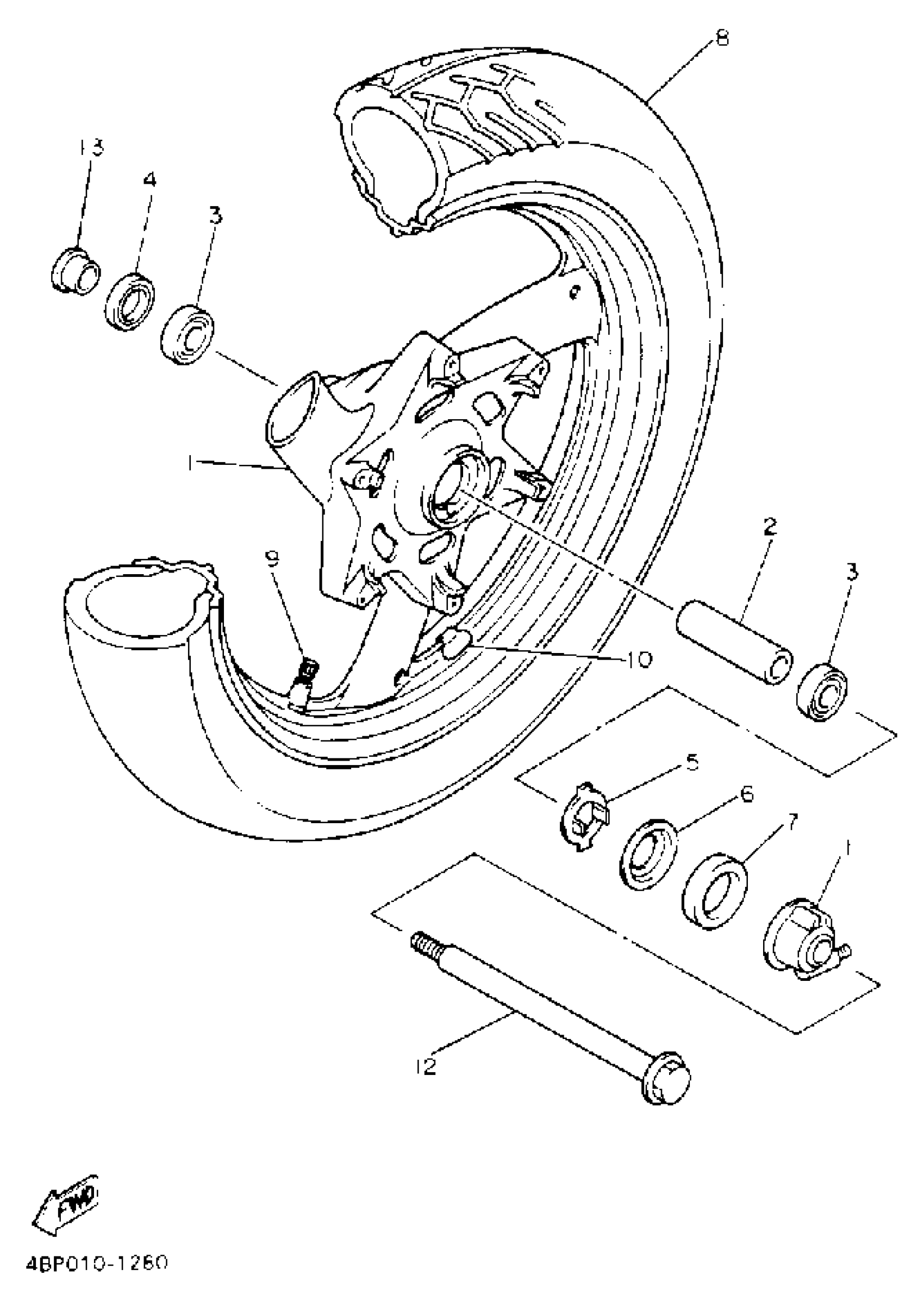
FRONT WHEEL
Yamaha XJ600SEC (SECA II CA) 1993 FRONT WHEEL Diagram
#
Description
Price
1
CAST WHEEL, FRONT
4BP-25168-00-WN
Unavailable
2
SPACER
90560-17241-00
Unavailable
8
110/80-17 57H DUN K275F
94111-172Y9-00
Unavailable
8
110/80-17 57H DUN K275F
94111-172Y9-00
Unavailable
10
BALANCER, WHEEL
5MT-25398-20-00
Unavailable
11
GEAR UNIT ASSY
4HM-25190-20-00
Unavailable
12
AXLE, WHEEL
3GM-25181-03-00
Unavailable
13
COLLAR (3HE)
90387-177Y4-00
Unavailable
