- Partiron
- OEM Parts
- Yamaha
- motorcycle
- 1993
- XJ600SEC (SECA II CA) 1993
ELECTRICAL 1
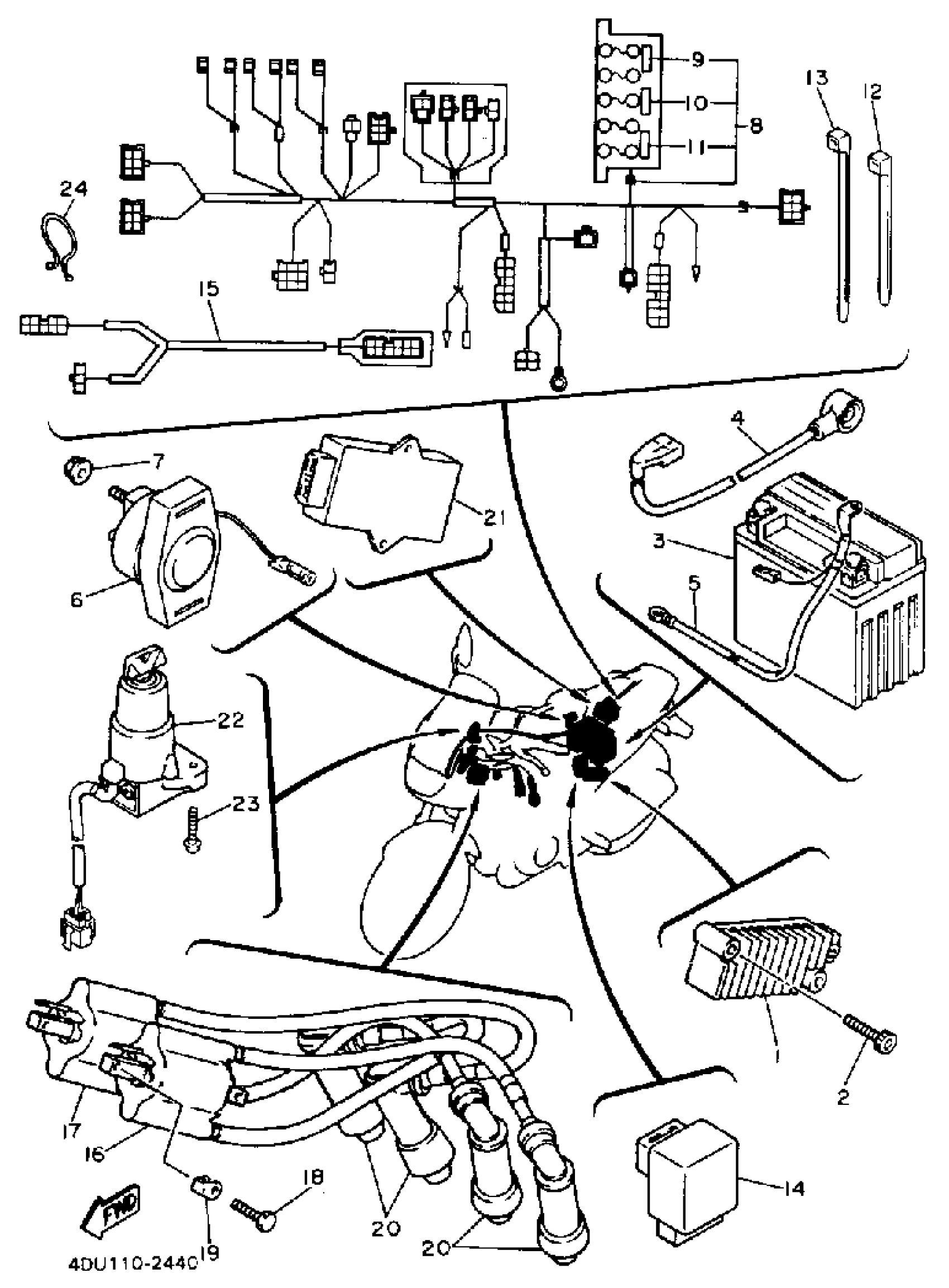
Yamaha XJ600SEC (SECA II CA) 1993 ELECTRICAL 1 Diagram
#
Description
Price
1
RECTIFIER & REGULATOR ASSY
3TJ-81960-02-00
Unavailable
3
YTX9BS YUASA BATTERY - SA
YTX-9BS00-00-00
Unavailable
4
WIRE, PLUS LEAD
4BP-82115-00-00
Unavailable
5
WIRE,MINUS LEAD
4BP-82116-00-00
Unavailable
6
STARTER RELAY ASSY (MS5D-401)
4BP-81940-00-00
Unavailable
8
WIRE HARNESS ASSEMBLY
4DU-82590-00-00
Unavailable
13
CLAMP
90465-13355-00
Unavailable
15
WIRE, LEAD
4BP-82541-00-00
Unavailable
16
IGNITION COIL ASSY
4BR-82310-06-00
Unavailable
17
IGNITION COIL ASSY
4BR-82320-06-00
Unavailable
18
BOLT(7U8)
97080-06020-00
Unavailable
19
DAMPER, IGNITION COIL
4BR-82317-00-00
Unavailable
20
PLUG CAP ASSY
4BP-82370-01-00
Unavailable
21
IGNITOR UNIT ASSEMBLY
4DU-82305-00-00
Unavailable
22
MAIN SWITCH STEERING LOCK
3JV-82501-00-00
Unavailable
23
SCREW(1KT)
90149-06228-00
Unavailable
24
CLAMP
90464-25267-00
Unavailable
