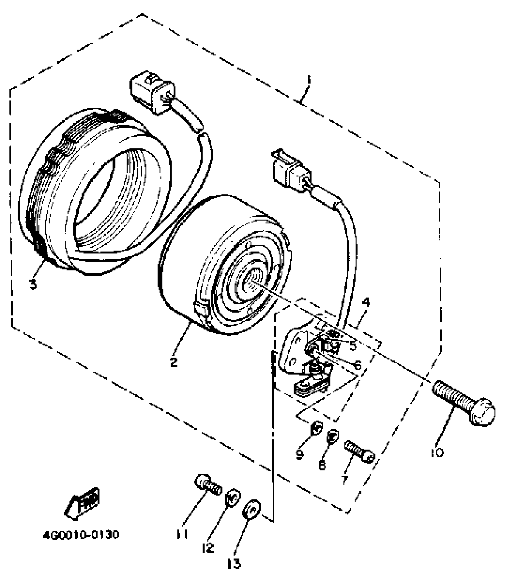
GENERATOR
#
1
4G0-81600-10-00
Unavailable
2
2WY-81650-10-00
Unavailable
3
2WY-81610-10-00
Unavailable
4
4G0-81619-10-00
Unavailable
5
46X-81611-10-00
Unavailable
6
4G0-81612-10-00
Unavailable
7
98511-04012-00
Unavailable
12
92995-06100-00
Unavailable
Edit ride
