- Partiron
- OEM Parts
- Yamaha
- motorcycle
- 1981
- XJ550H (XJ550H) 1981
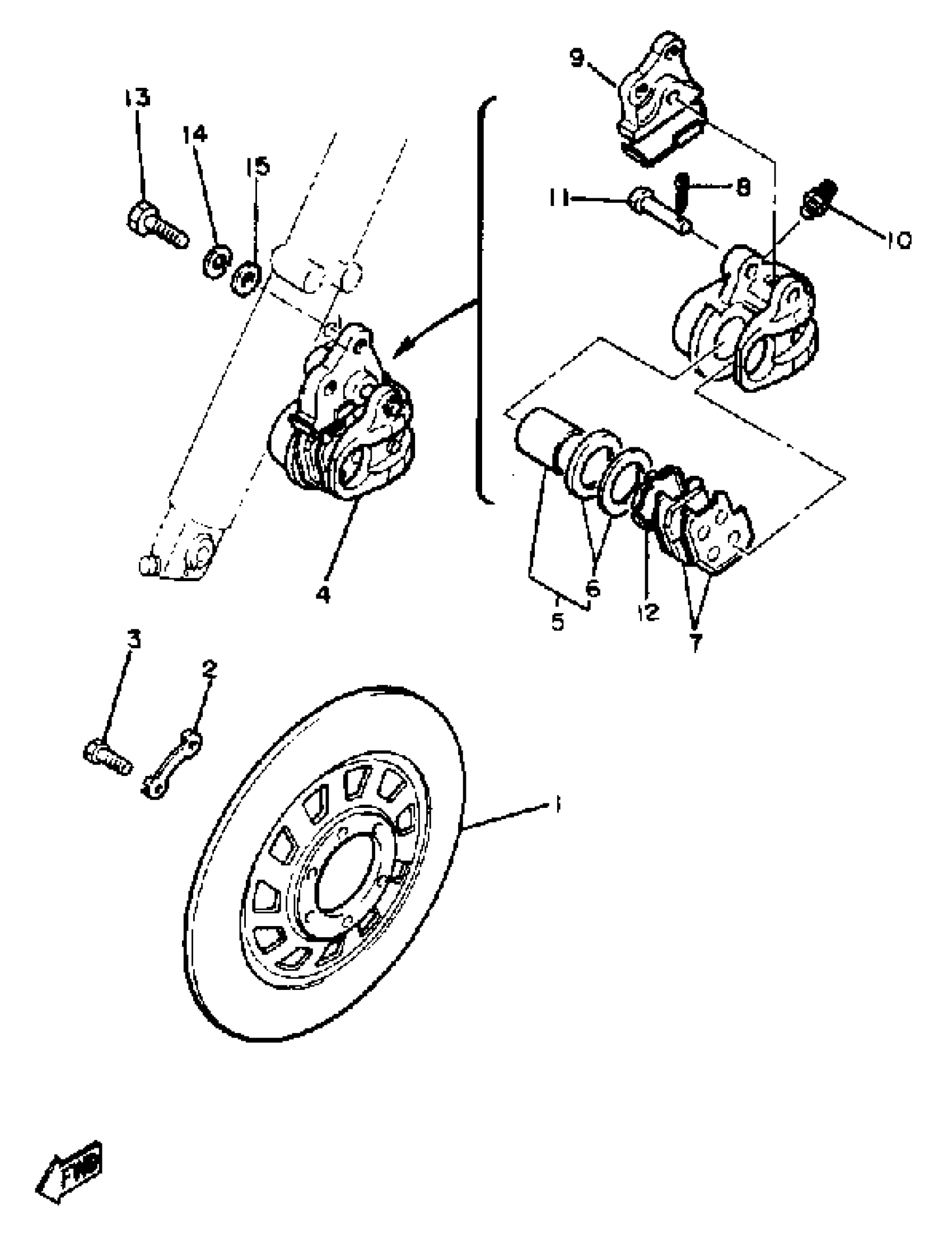
FRONT BRAKE CALIPER XJ550H
Yamaha XJ550H (XJ550H) 1981 FRONT BRAKE CALIPER XJ550H Diagram
#
Description
Price
1
DISC, BRAKE
5K5-25831-10-00
Unavailable
4
CALIPER ASY.
23W-25810-12-00
Unavailable
5
PISTON SEAL KIT
4W1-W0057-00-00
Unavailable
7
BRAKE PAD KIT
23W-W0045-02-00
Unavailable
9
RETAINER
(4L0-25913-11-00)
Unavailable
10
BLEED SCREW KIT
1J3-W0048-00-00
Unavailable
11
. PIN, SLIDE
4W1-25914-00-00
Unavailable
12
. SHIM, CALIPER
4W1-25828-50-00
Unavailable
