Partiron

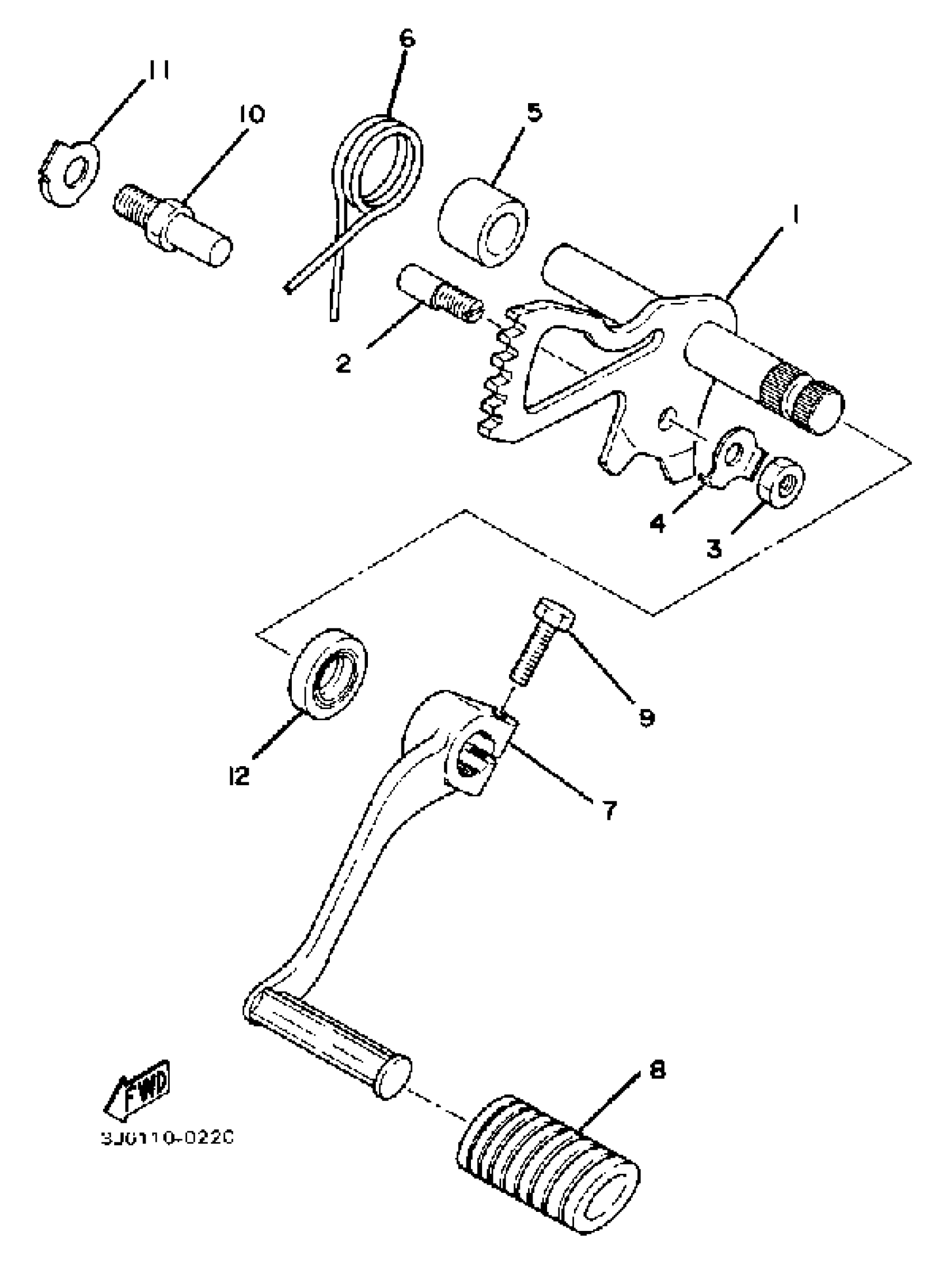
Yamaha XJ1100J (XJ1100J) 1982 SHIFT SHAFT PEDAL Diagram

#

Description
Price

1

SHIFT SHAFT ASSEMBLY.1

2H7-18101-00-00

Unavailable

2

SCREW 214181860000

90149-06017-00

$7.49

3

NUT, HEXAGON

95380-06600-00

Unavailable

4

WASHER, LOCK

90215-06016-00

$3.50

5

SPACER

(90560-11026-00)

Unavailable

6

SPRING, TORSION

90508-29361-00

Unavailable

7

PEDAL, SHIFT

2H7-18111-00-00

Unavailable

8

COVER, CHANGE PEDAL

132-18113-01-00

$7.99

9

BOLT, HEXAGON

97017-06020-00

$4.06

10

BOLT (1J7)

90109-08441-00

$8.49

11

WASHER, LOCK (583 SHIFT)

90215-08115-00

$7.49

12

SEAL, OIL (30X)

93102-12321-00

$12.49