- Partiron
- OEM Parts
- Yamaha
- motorcycle
- 1982
- XJ1100J (XJ1100J) 1982
ELECTRICAL 1
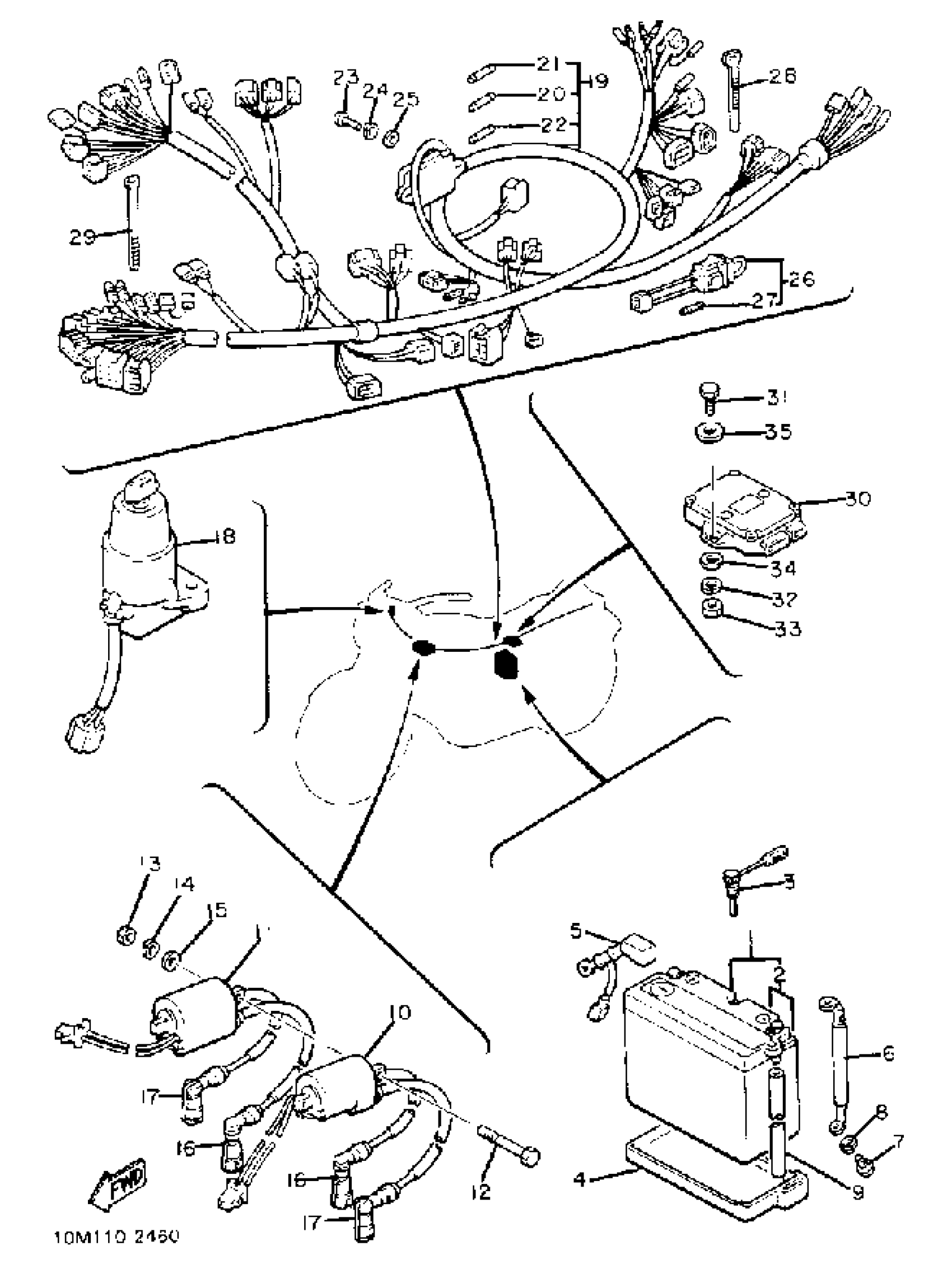
Yamaha XJ1100J (XJ1100J) 1982 ELECTRICAL 1 Diagram
#
1
SY50N18LAT YUASA BATTERY
SY5-0N18L-A0-00
Unavailable
2
LABEL, BATTERY
40A-82141-G0-00
Unavailable
3
SENDER, BATTERY
5G2-82120-00-00
Unavailable
4
SEAT, BATTERY
2H7-82122-01-00
Unavailable
5
WIRE, PLUS LEAD
10M-82115-00-00
Unavailable
6
WIRE, MINUS LEAD
8W8-82116-01-00
Unavailable
7
SCREW, PAN HEAD(62J)
97885-06012-00
Unavailable
8
WASHER, SPRING
92995-06100-00
Unavailable
12
BOLT (36E)
97023-06085-00
Unavailable
13
NUT, HEXAGON
95380-06600-00
Unavailable
14
WASHER, SPRING
92995-06100-00
Unavailable
16
PLUG CAP ASSY
1J7-82370-00-00
Unavailable
17
PLUG CAP ASSY
1J7-82370-00-00
Unavailable
17
PLUG CAP ASSY
4BP-82370-01-00
Unavailable
17
PLUG CAP ASSEMBLY
2H8-82370-10-00
Unavailable
18
MAIN SWITCH ASSEMBLY
10M-82508-50-00
Unavailable
19
WIRE HARNESS ASSEMBLY
10M-82590-50-00
Unavailable
20
FUSE
1A0-82151-00-00
Unavailable
21
FUSE
1A0-82161-00-00
Unavailable
22
RECTIFIER 2
3H5-81980-00-00
Unavailable
23
SCREW, PAN HEAD(6B0)
97885-05016-00
Unavailable
24
YBS67-5 WASHER, SPRING
92990-05100-00
Unavailable
25
WASHER, PLAIN (646)
92990-05600-00
Unavailable
26
FUSE HOLDER ASSEMBLY
3H5-82150-00-00
Unavailable
27
FUSE (12V 30A)
2H7-82151-00-00
Unavailable
28
BAND, SWITCH CORD
25G-83936-01-00
Unavailable
29
BAND, SWITCH CORD
437-83936-11-00
Unavailable
30
IGNITOR UNIT ASSEMBLY 1
10M-82305-10-00
Unavailable
31
BOLT, HEXAGON
97017-06020-00
Unavailable
32
WASHER, SPRING
92995-06100-00
Unavailable
33
NUT, HEXAGON
95380-06600-00
Unavailable
35
WASHER, PLATE
90201-06095-00
Unavailable
