- Partiron
- OEM Parts
- Yamaha
- motorcycle
- 1982
- XJ1100J (XJ1100J) 1982
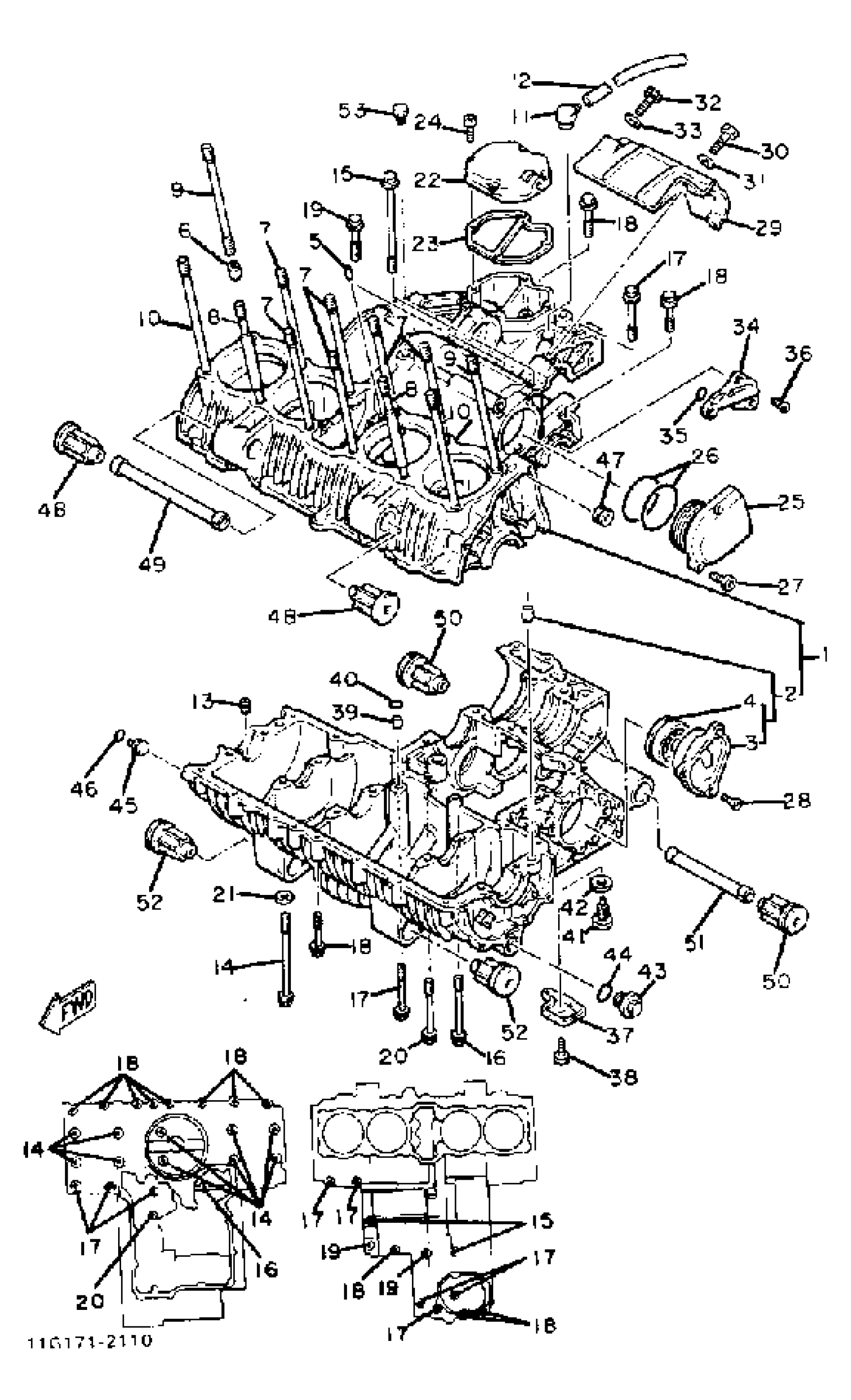
CRANKCASE
Yamaha XJ1100J (XJ1100J) 1982 CRANKCASE Diagram
#
1
CRANKCASE ASSEMBLY
(2H7-15100-02-00)
Unavailable
3
. BRNG HSNG CMPLT 2
2H7-W1516-00-10
Unavailable
3
. BRNG HSNG CMPLT 2
2H7-W1516-00-20
Unavailable
5
PIN, DOWEL
93605-14143-00
Unavailable
7
BOLT, STUD
90116-10273-00
Unavailable
8
BOLT, CYLINDER HOLDING 3
2F3-11363-00-00
Unavailable
9
BOLT, STUD
90116-10275-00
Unavailable
10
BOLT, STUD
90116-10274-00
Unavailable
11
BREATHER
2H7-17591-01-00
Unavailable
13
NOZZLE 1
(2H7-15138-00-00)
Unavailable
15
BOLT, FLANGE
95817-08125-00
Unavailable
16
BOLT, FLANGE
95811-06085-00
Unavailable
17
BOLT, FLANGE
95817-06065-00
Unavailable
18
BOLT, FLANGE
95817-06045-00
Unavailable
19
BOLT, FLANGE
95814-08045-00
Unavailable
20
BOLT, FLANGE
95817-08075-00
Unavailable
21
WASHER, PLATE (33N)
90201-094G1-00
Unavailable
22
COVER, BREATHER
2H7-11168-00-00
Unavailable
23
GASKET, BTHR COVER
2H7-11169-10-00
Unavailable
24
BOLT,SOCKET HEAD
91314-06025-00
Unavailable
25
HOUSING, BEARING 1
2H7-15163-00-00
Unavailable
26
O-RING (5X2)
93210-60538-00
Unavailable
27
BOLT,SOCKET HEAD
91314-06025-00
Unavailable
28
SCREW, FLATHEAD (2H7)
90149-06126-00
Unavailable
29
COVER, STRTG MOTOR
(10M-15436-00-00)
Unavailable
30
BOLT, HEXAGON
97017-06030-00
Unavailable
31
WASHER, PLAIN (646)
92990-06600-00
Unavailable
32
BOLT, HEXAGON
97017-06020-00
Unavailable
33
WASHER, PLAIN (646)
92990-06600-00
Unavailable
34
NOZZLE 2
2H7-15148-00-00
Unavailable
35
O-RING (1J7)
93210-09350-00
Unavailable
36
SCREW, FLATHEAD (2H7)
90149-06126-00
Unavailable
37
NOZZLE 3
(2H7-15155-00-00)
Unavailable
38
BOLT, HEXAGON DEEP RECESS
97D95-06016-00
Unavailable
39
PIN, DOWEL(3VD)
99530-10114-00
Unavailable
40
O-RING (1J7)
93210-09350-00
Unavailable
41
PLUG, STRAIGHT SCREW
90340-14004-00
Unavailable
42
GASKET
214-11198-01-00
Unavailable
43
PLUG
90340-18073-00
Unavailable
44
O-RING (1J7)
93210-18319-00
Unavailable
45
PLUG, SPEC''L SHAPE
90338-13084-00
Unavailable
46
O-RING (2H7)
93210-13361-00
Unavailable
47
GROMMET 122154860000
90480-12012-00
Unavailable
48
DAMPER, ENG MOUNT 1
2H7-15316-01-00
Unavailable
49
SPACER, ENG MOUNT
(2H7-15317-00-00)
Unavailable
50
DAMPER, ENGINE MOUNT 2 (2H7-15326-01-00)
36Y-15326-00-00
Unavailable
51
SPACER, ENG MOUNT
2H7-15327-00-00
Unavailable
52
DAMPER, ENGINE MOUNT 3
2H7-15336-00-00
Unavailable
53
PLUG, TAPER BOLT
(90345-51009-00)
Unavailable
