Partiron

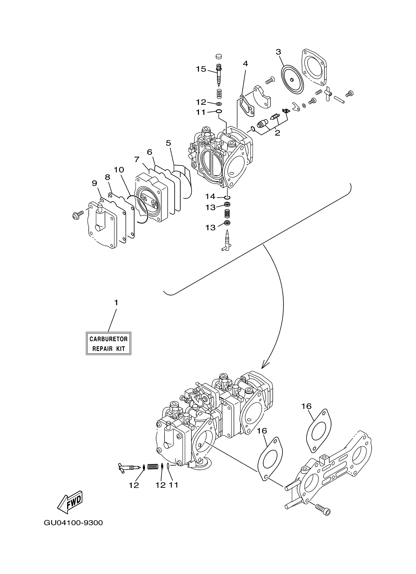
Yamaha XA800Y (XL800) F0P1 2000 REPAIR KIT 2 Diagram

#

Description
Price

1

CARBURETOR REPAIR KIT

66E-W0093-01-00

Unavailable

2

NEEDLE

64T-14916-01-00

Unavailable

3

. DIAPHRAGM, PUMP

6R7-14541-00-00

Unavailable

4

. GASKET

6K8-14536-11-00

Unavailable

5

. O-RING

66E-14563-01-00

Unavailable

6

. DIAPHRAGM

66E-24471-00-00

Unavailable

7

. DIAPHRAGM

66E-24411-00-00

Unavailable

8

. VALVE, CHECK

66E-24421-00-00

Unavailable

9

. GASKET, FUEL PUMP 1

66E-24431-00-00

Unavailable

10

. O-RING

66E-14564-01-00

Unavailable

11

. O-RING

6K8-14562-00-00

Unavailable

12

WASHER,NEEDLE

812-14235-00-00

Unavailable

13

WASHER, NEEDLE

822-14235-00-00

$4.37

14

O-RING

583-14561-00-00

$5.49

15

. PLATE, NEEDLE FITTING

6K8-14946-10-00

Unavailable

16

. GASKET

66E-14398-00-00

Unavailable