Yamaha XA1200X (WAVE RUNNER XL1200 LTD) F0D1 1999 CARBURETOR Diagram
#
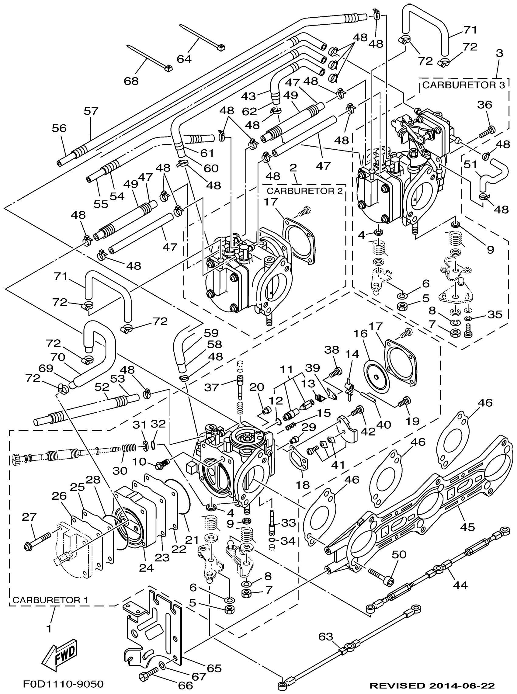
1
CARBURETOR ASSY 1
66V-14301-03-00
Unavailable
2
CARBURETOR ASSEMBLY 2
66V-14302-00-00
Unavailable
3
CARBURETOR ASSEMBLY 3
66V-14303-00-00
Unavailable
4
. WASHER
6K8-14597-11-00
Unavailable
5
. NUT
95382-06700-00
Unavailable
7
. NUT
3CF-14594-00-00
Unavailable
8
. WASHER
92991-08100-00
Unavailable
9
. WASHER
6R7-14596-01-00
Unavailable
10
. STRAINER
6R7-14569-00-00
Unavailable
11
NEEDLE
64T-14916-01-00
Unavailable
14
. ARM, FLOAT
6K8-14547-01-00
Unavailable
15
. SPRING
6R7-14253-00-00
Unavailable
16
. DIAPHRAGM, PUMP
6R7-14541-00-00
Unavailable
17
. BODY, PUMP 1
6R7-14542-00-00
Unavailable
18
. GASKET
6K8-14536-11-00
Unavailable
19
. SCREW
6K8-14503-02-00
Unavailable
20
JET,MAIN #117.5
3G2-1423A-74-00
Unavailable
21
. O-RING
66E-14563-00-00
Unavailable
22
. DIAPHRAGM
66E-24471-00-00
Unavailable
23
. DIAPHRAGM
66E-24411-00-00
Unavailable
24
BODY 2
66E-24413-01-00
Unavailable
25
. VALVE, CHECK
66E-24421-00-00
Unavailable
26
. GASKET, FUEL PUMP 1
66E-24431-00-00
Unavailable
27
. SCREW, PAN HEAD
90157-05M17-00
Unavailable
28
. O-RING
66E-14564-00-00
Unavailable
29
. JET, MAIN (#875)
1HX-1423A-68-00
Unavailable
30
SPRING, THROTTLE VALVE
68V-14331-00-00
Unavailable
31
WASHER,NEEDLE
812-14235-00-00
Unavailable
32
. O-RING
6K8-14562-00-00
Unavailable
33
. SCREW, PILOT ADJUSTING
66V-14211-00-00
Unavailable
34
O-RING (248)
93210-03119-00
Unavailable
35
YBS67-4 WASHER, SPRING
92990-04100-00
Unavailable
36
SCREW, PAN HEAD(3YL)
98580-05014-00
Unavailable
37
. PLATE, NEEDLE FITTING
66V-14946-00-00
Unavailable
38
. SCREW
6M6-14503-00-00
Unavailable
39
. PLATE
6K8-14527-11-00
Unavailable
40
. PIN, FLOAT
439-14186-00-00
Unavailable
41
. BODY 1
66E-24412-00-00
Unavailable
42
SCREW, STOP
6K8-14523-12-00
Unavailable
43
HOSE
90446-10MG9-00
Unavailable
44
ROD, ACELL. LEVER
66V-41217-00-00
Unavailable
45
PLATE
66V-14146-00-00
Unavailable
46
. GASKET
66E-14398-00-00
Unavailable
47
HOSE
90445-11M73-00
Unavailable
48
CLIP, PIPE
35H-14139-00-00
Unavailable
49
HOSE
90446-17MG6-00
Unavailable
50
BOLT, HOLDING
66E-14162-00-00
Unavailable
51
HOSE
90445-07M60-00
Unavailable
52
HOSE
90446-10MG0-00
Unavailable
53
HOSE
90446-07MG1-00
Unavailable
54
HOSE
90446-10MG2-00
Unavailable
55
HOSE
90446-07MG3-00
Unavailable
56
HOSE
90446-10MG4-00
Unavailable
57
HOSE
90446-07MG5-00
Unavailable
58
HOSE
90445-07M61-00
Unavailable
59
HOSE
90446-10MG7-00
Unavailable
60
HOSE
90445-07M62-00
Unavailable
61
HOSE
90446-10MG8-00
Unavailable
62
HOSE
90445-07M63-00
Unavailable
63
ROD, CHOKE 1
66V-41256-00-00
Unavailable
64
CLIP
4KM-14137-00-00
Unavailable
65
PLATE
66V-14527-00-00
Unavailable
66
BOLT(GH1)
97080-06012-00
Unavailable
67
WASHER, PLAIN (646)
92990-06600-00
Unavailable
68
CLAMP
90465-13M60-00
Unavailable
69
PIPE 2
66V-24312-00-00
Unavailable
70
HOSE
90446-14MA9-00
Unavailable
71
PIPE 3
66V-24313-01-00
Unavailable
72
CLAMP, HOSE(61L)
90460-11M17-00
Unavailable
