Yamaha XA1200AD (WaveRunner XLT1200) F0VC 2005 ELECTRICAL 1 Diagram
#
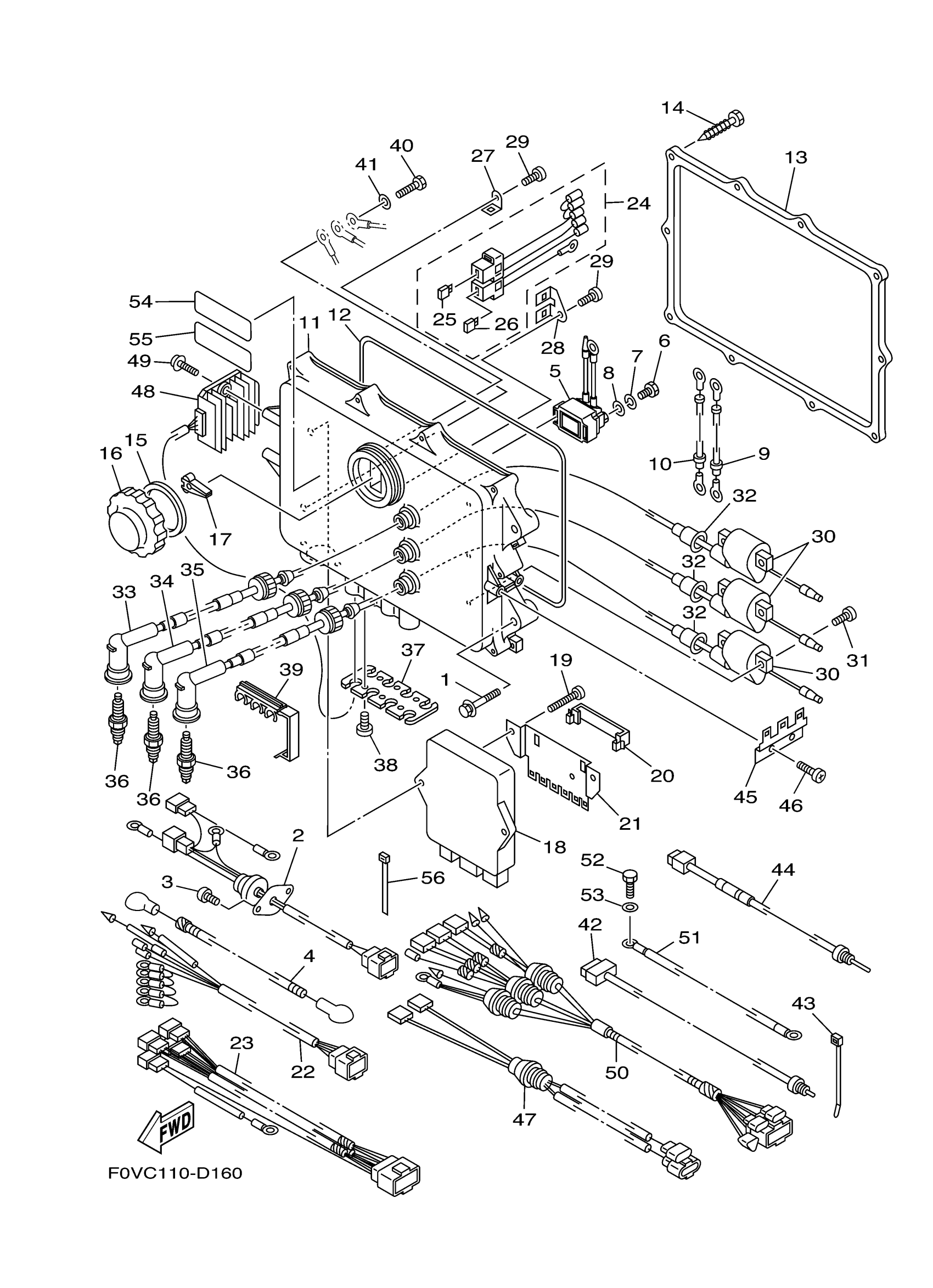
1
BOLT, WITH WASHER
90119-08856-00
Unavailable
2
LEAD WIRE ASSY
66V-81315-00-00
Unavailable
3
SCREW, TAPPING
97780-60425-00
Unavailable
4
WIRE, LEAD
66V-82117-00-00
Unavailable
5
STARTER RELAY ASSY
68N-81940-00-00
Unavailable
6
BOLT
97085-06010-00
Unavailable
7
WASHER, SPRING
92995-06100-00
Unavailable
9
WIRE, LEAD
66V-82117-10-00
Unavailable
10
WIRE, LEAD
66V-82117-10-00
Unavailable
11
HOUSING
66V-8552A-00-00
Unavailable
12
GASKET, TERMINAL
66V-81921-00-00
Unavailable
13
COVER, CASE
66V-8552E-00-00
Unavailable
15
. GASKET
66V-81844-00-00
Unavailable
16
. CAP
66V-8132W-00-00
Unavailable
17
. PULLER, FUSE
67F-2812A-00-00
Unavailable
18
C.D.I. UNIT ASSY
66V-85540-00-00
Unavailable
19
SCREW, TAPPING
97780-60530-00
Unavailable
20
CLAMP, HARNESS
66V-83919-00-00
Unavailable
21
BRACKET 1
66V-83955-00-00
Unavailable
22
LEAD WIRE ASSY
66V-85515-00-00
Unavailable
23
WIRE, LEAD
66V-83553-00-00
Unavailable
24
FUSE HOLDER ASSY
66V-82150-00-00
Unavailable
25
FUSE
5JJ-82151-20-00
Unavailable
26
. FUSE (10A)
67F-82151-40-00
Unavailable
27
STAY, FUSE BOX
66V-82171-00-00
Unavailable
28
STAY, FUSE HOLDER
66V-82153-00-00
Unavailable
29
SCREW, PANHEAD TAPPING (J20)
97780-60116-00
Unavailable
30
IGNITION COIL ASSY
66V-85570-00-00
Unavailable
31
SCREW, TAPPING(65J)
97780-60625-00
Unavailable
32
GROMMET
66V-82355-00-00
Unavailable
33
HIGH TENSION CORD ASSY 1
66V-82340-01-00
Unavailable
34
HIGH TENSION CORD ASSY 1
66V-82340-11-00
Unavailable
35
HIGH TENSION CORD ASSY 1
66V-82340-21-00
Unavailable
36
BR8ES-11 NGK 4PK
BR8-ES110-00-00
Unavailable
37
COVER
66V-85525-00-00
Unavailable
38
SCREW, TAPPING
97780-60425-00
Unavailable
39
CLAMP, CORD
65U-81317-10-00
Unavailable
40
BOLT(GH1)
97080-06012-00
Unavailable
42
THERMOSENSOR ASSY
66V-85790-10-00
Unavailable
43
CLAMP
90465-10098-00
Unavailable
44
SENSOR, EXT, TEMP.
66V-85881-00-00
Unavailable
45
BRACKET
66V-85542-00-00
Unavailable
46
SCREW, PANHEAD TAPPING (J20)
97780-60116-00
Unavailable
47
WIRE, SUB LEAD
66V-82509-00-00
Unavailable
48
RECTIFIER & REGULATOR ASSY
66V-81960-00-00
Unavailable
49
SCREW, TAPPING
97780-60425-00
Unavailable
50
EXTENSION, WIRE LEAD
66V-82553-10-00
Unavailable
51
WIRE, LEAD 2
66V-82127-00-00
Unavailable
52
BOLT, HEXAGON DEEP RECESS
97D95-06016-00
Unavailable
54
MARK 3
6R7-83623-40-00
Unavailable
55
LABEL, CAUTION 7
60E-83627-00-00
Unavailable
56
CLAMP(6E8)
90465-13M39-00
Unavailable
