- Partiron
- OEM Parts
- Yamaha
- waverunner
- 1995
- WVT700T (WAVE VENTURE) 1995
ELECTRICAL 2
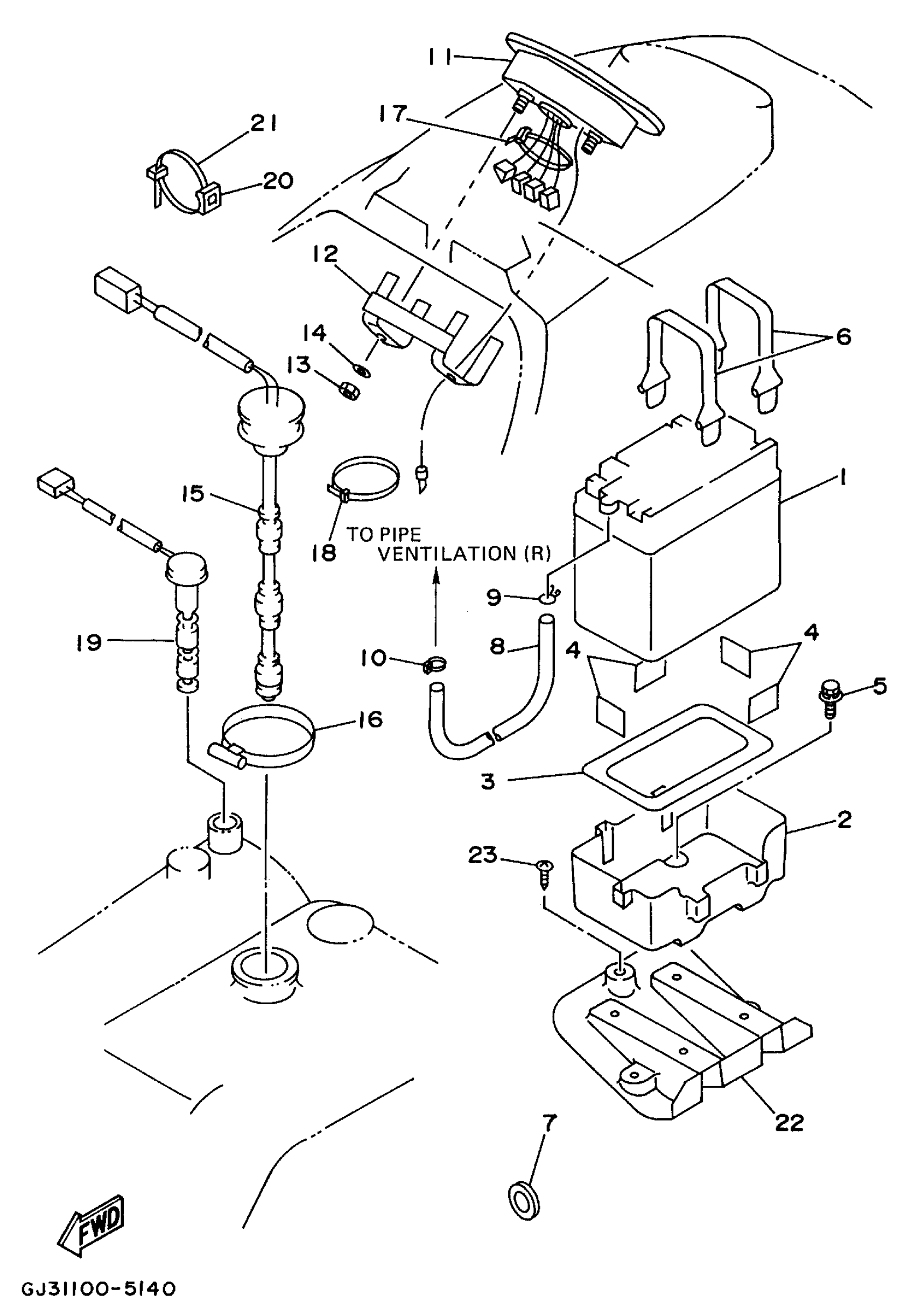
Yamaha WVT700T (WAVE VENTURE) 1995 ELECTRICAL 2 Diagram
#
Description
Price
1
YB16CLB YUASA BATTERY
YB1-6CLB0-00-00
Unavailable
2
CASE, BATTERY
EW2-68211-00-00
Unavailable
3
PAD, BATTERY
F1S-U8221-00-00
Unavailable
6
BAND,BATTERY 1
EU0-U821D-00-00
Unavailable
7
GROMMET
FJ0-68222-01-00
Unavailable
8
HOSE
90699-50100-00
Unavailable
9
CLIP
90467-08M10-00
Unavailable
10
CLAMP
90465-10098-00
Unavailable
11
METER ASSEMBLY
GH3-6820A-40-00
Unavailable
12
BRACKET, METER
GJ1-68238-00-00
Unavailable
13
NUT, FLANGE
95720-05300-00
Unavailable
14
. WASHER, PLAIN
92990-05200-00
Unavailable
15
SENDER, FUEL
GJ1-6824B-00-00
Unavailable
16
BAND, HOSE 62
90601-162U5-00
Unavailable
17
BAND (EU0)
90601-20009-00
Unavailable
18
BAND
90601-20008-00
Unavailable
19
SENDER, OIL
GJ1-6824C-01-00
Unavailable
20
BASE, CLAMP (FA8A)
90600-90004-00
Unavailable
21
BAND
90601-200U1-00
Unavailable
22
BATTERY CASE BASE ASSEMBLY COMP
GJ3-U821C-00-00
Unavailable
23
SCREW, PANHEAD TAPPING (J20)
97780-60116-00
Unavailable
