- Partiron
- OEM Parts
- Yamaha
- waverunner
- 1995
- WVT700T (WAVE VENTURE) 1995
ELECTRICAL 1
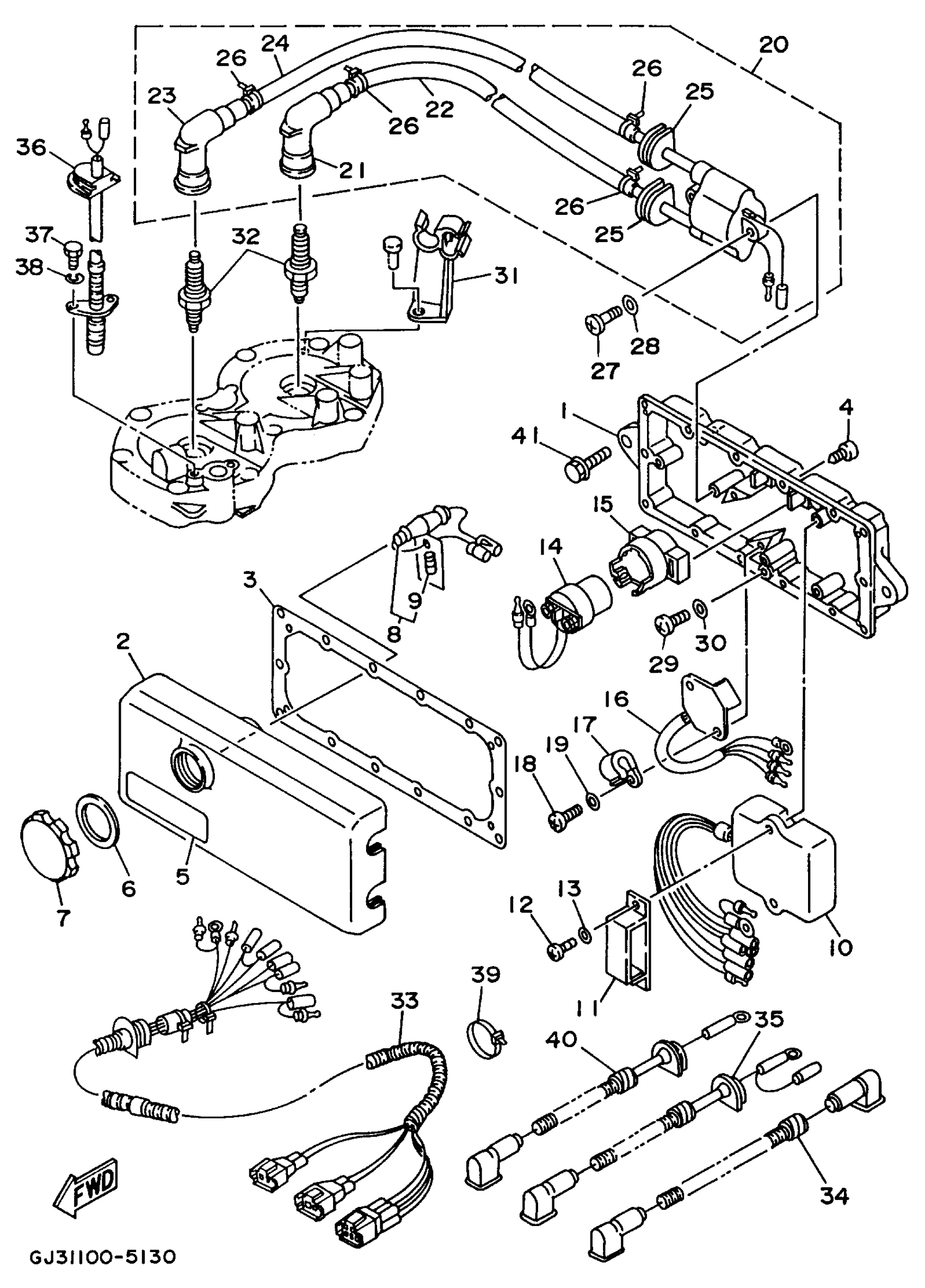
Yamaha WVT700T (WAVE VENTURE) 1995 ELECTRICAL 1 Diagram
#
1
HOUSING
62L-8552A-00-8P
Unavailable
2
COVER, CASE
6M6-8552E-01-00
Unavailable
3
GASKET, TERMINAL
6M6-81921-00-00
Unavailable
4
SCREW, TAPPING(65J)
97780-60625-00
Unavailable
5
MARK 3
6R7-83623-40-00
Unavailable
6
GASKET
6M6-81844-00-00
Unavailable
7
CAP
6M6-8132W-00-00
Unavailable
10
C.D.I. UNIT ASSY
62T-85540-04-00
Unavailable
11
CLAMP
90464-06M29-00
Unavailable
12
SCREW, PAN HEAD
98580-06016-00
Unavailable
14
STARTER RELAY ASSY
6G1-81941-10-00
Unavailable
15
HOLDER, RELAY
6M6-81952-01-00
Unavailable
16
RECTIFIER & REGULATOR ASSY
6M6-81960-A0-00
Unavailable
17
CLAMP
90465-08028-00
Unavailable
18
SCREW, PAN HEAD
98580-06016-00
Unavailable
20
IGNITION COIL ASSY
62E-85570-11-00
Unavailable
21
. CAP, PLUG
62E-82371-10-00
Unavailable
22
TUBE, CORD 2
6R8-82352-00-00
Unavailable
23
. CAP, PLUG
62E-82371-10-00
Unavailable
24
TUBE, CORD 2
6R8-82352-00-00
Unavailable
25
GROMMET
90480-06M43-00
Unavailable
26
CLAMP
90465-10098-00
Unavailable
27
SCREW, PAN HEAD(6E0)
97885-06030-00
Unavailable
29
SCREW, PAN HEAD
98580-06016-00
Unavailable
31
CLAMP, CORD
62T-82361-00-00
Unavailable
32
BR8HS NGK SCREW TOP PLUG 4PK
BR8-HS000-00-00
Unavailable
33
EXTENSION, WIRE LEAD
63N-82553-00-00
Unavailable
34
WIRE, LEAD
63N-82117-00-00
Unavailable
35
WIRE, LEAD
63N-82117-11-00
Unavailable
36
THERMOSWITCH ASSY
62T-82560-01-00
Unavailable
37
BOLT, HEXAGON DEEP RECESS
97D95-06016-00
Unavailable
38
WASHER, SPRING
92995-06100-00
Unavailable
39
CLAMP (6E5)
90465-13M11-00
Unavailable
40
WIRE, LEAD
6M6-82117-21-00
Unavailable
41
BOLT, WITH WASHER
90119-089U2-00
Unavailable
