- Partiron
- OEM Parts
- Yamaha
- waverunner
- 1993
- WRB700R (WAVE RUNNER PRO VXR) 1993
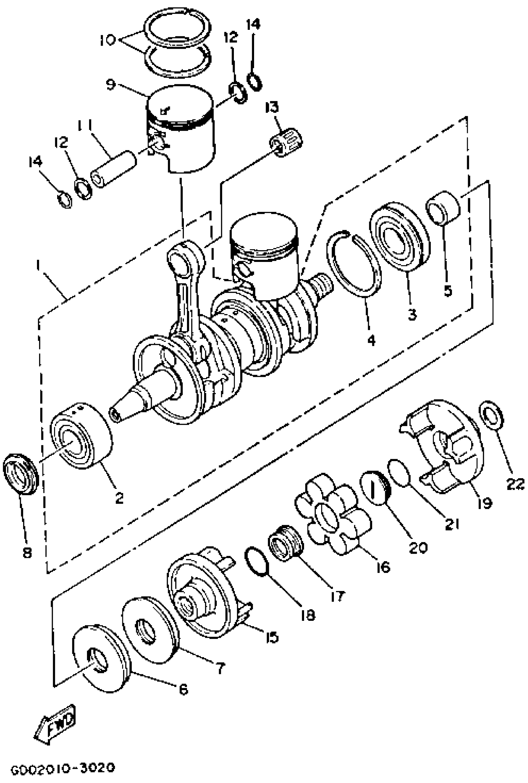
CRANKSHAFT - PISTON
Yamaha WRB700R (WAVE RUNNER PRO VXR) 1993 CRANKSHAFT - PISTON Diagram
#
Description
Price
1
CRANKSHAFT ASSY
62T-11400-02-00
Unavailable
3
BEARING(6M6)
93306-307U3-00
Unavailable
5
COLLAR, DRIVE SHAFT
6M6-45526-00-00
Unavailable
6
. OIL SEAL
93102-36M33-00
Unavailable
7
. OIL SEAL
93101-36M46-00
Unavailable
8
. OIL SEAL
93103-32M01-00
Unavailable
9
PISTON (STD)
61X-11631-02-93
Unavailable
9
PISTON (0.50MM O/S)
61X-11636-02-00
Unavailable
10
PISTON RING SET (STD)
61X-11603-01-00
Unavailable
10
PISTON RING SET (0.50MM O/S)
61X-11605-01-00
Unavailable
11
PIN, PISTON
61X-11633-00-00
Unavailable
13
BEARING, CYLINDRICAL(62T)
93310-320U2-00
Unavailable
14
CIRCLIP (8H0)
93450-21053-00
Unavailable
15
FLANGE, COUPLING
6M6-45813-10-8P
Unavailable
16
RUBBER SHAFT COUPLING
61X-4581J-00-00
Unavailable
17
NUT, RING
6M6-5114E-00-00
Unavailable
18
O-RING
93210-30M31-00
Unavailable
19
FLANGE, COUPLING
6R7-45813-11-CA
Unavailable
20
NUT, RING
6R7-5114E-01-00
Unavailable
21
O-RING
93210-30M31-00
Unavailable
22
WASHER, PLATE(61X)
90201-24M02-00
Unavailable
