- Partiron
- OEM Parts
- Yamaha
- waverunner
- 1993
- WRB650RA 1993
OIL TANK (FOR OIL INJECTION)
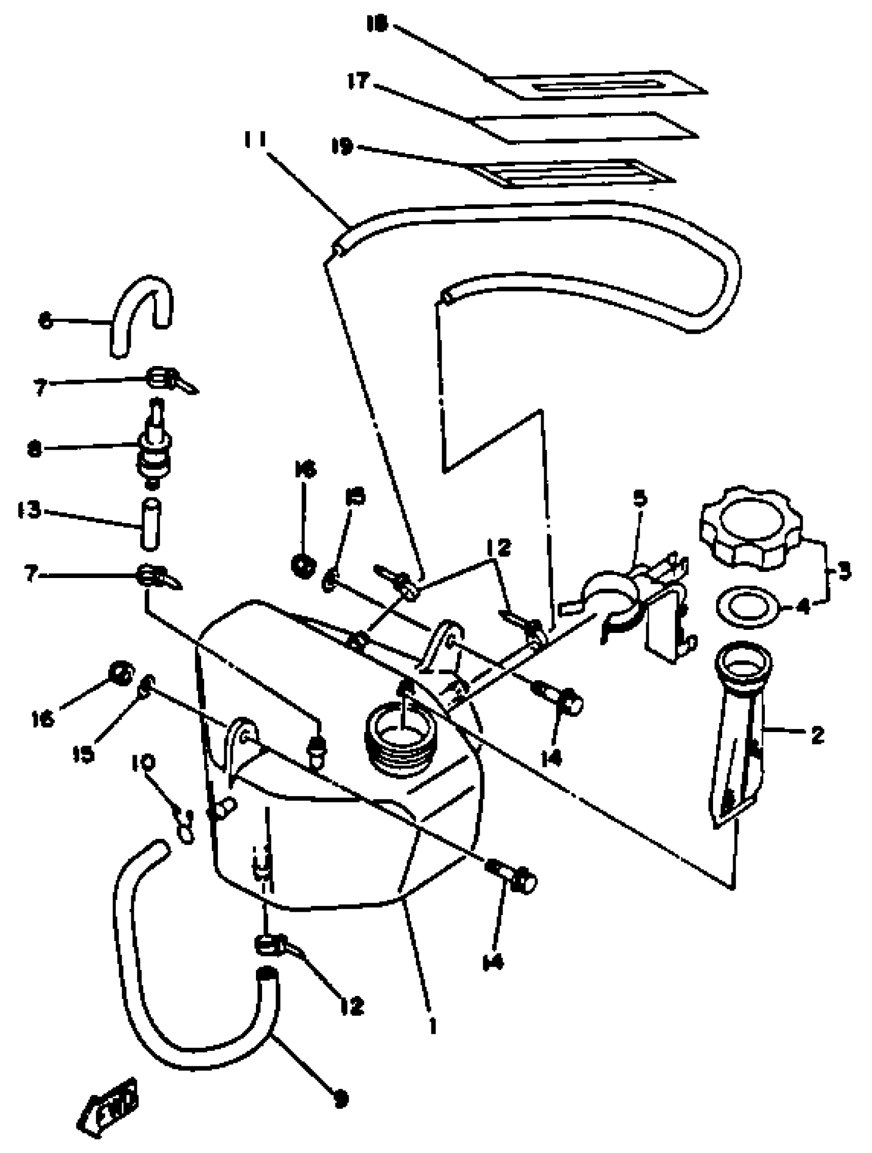
Yamaha WRB650RA 1993 OIL TANK (FOR OIL INJECTION) Diagram
#
Description
Price
1
TANK, OIL
FN8-67751-00-00
Unavailable
2
FILTER
FJ0-67752-00-00
Unavailable
3
OIL TANK CAP ASSY.
GE2-6784A-01-00
Unavailable
4
PACKING, OIL CAP
FJ0-67841-02-00
Unavailable
5
HOLDER, OIL PIPE 2
FN8-13173-00-00
Unavailable
6
HOSE
F3D-6215E-00-00
Unavailable
7
CLAMP
90465-10098-00
Unavailable
8
. ROLL OVER VALVE
FJ0-67766-00-00
Unavailable
9
HOSE
90446-11905-00
Unavailable
10
CLIP(72X)
90467-11M08-00
Unavailable
11
HOSE
90446-09907-00
Unavailable
12
CLAMP
90465-10098-00
Unavailable
14
BOLT, HEX (MIRROR)
90119-06924-00
Unavailable
16
NUT, SELF-LOCKING
95720-06300-00
Unavailable
17
LEVEL GAUGE 1
FN8-67753-00-00
Unavailable
18
LABEL, OIL GAUGE
FN8-64189-00-00
Unavailable
19
TAPE
90654-91004-00
Unavailable
